c900773.R02_EN.pdf - 第29页
1 Installation 1-15 Installation of Loader to Mounter There is an entrance sensor at the entrance of the mounter. If the loader is installed upstream of the m ounter, the entrance sensor must be m oved to avoid interrupt…

1 Installation
1-14
⑤ Disable all the parameters in other tab fields than [XY-axes]. Remove a check mark on each
parameters in [Conveyer], [Head], [Board Clamp], [ANS], [Feeder Bank], and [Lamp & Buzzer] (tabs
may vary due to mounter’s option settings.) in order to carry out only the selected parameters in
[XY-axes].
⑥ Select [Execute] and click <Ageing>.
When [Execute] tab is selected, the <Execute> button and the<Ageing> button are found at the
bottom of the window. Clicking the <Execute> button enables to perform warm-up only a single
cycle and sufficient ageing is not carried out.
⑦ Continue ageing for 5 to 10 minutes.
After 5 to 10 minutes, click the <Stop> button to stop ageing.
⑧ Wipe off excess grease.
Use a unwoven cloth to wipe off excess grease which is built up on ball-screw nuts, on linear guide
sliders, and both ends of each axis.
NOTE: Refer to Chapter 3 Mechanical Section for the location of each axis.
⑨ Check to be sure that the excess grease has not been scattered around.
Make sure the excess grease has not been stuck on sensors, cameras, conveyer and its belts, and ANC
When it has been stuck on these parts, remove it with unwoven cloth.
NOTE: Refer to Chapter 3 mechanical Section for more detail in cleaning of camera lens.
Ageing Button
Execute Tab
3
2

1 Installation
1-15
Installation of Loader to Mounter
There is an entrance sensor at the entrance of the mounter. If the loader is installed upstream of the mounter,
the entrance sensor must be moved to avoid interruption with the loader.
After the sensor has been moved, align the conveyors for smooth board transfer.

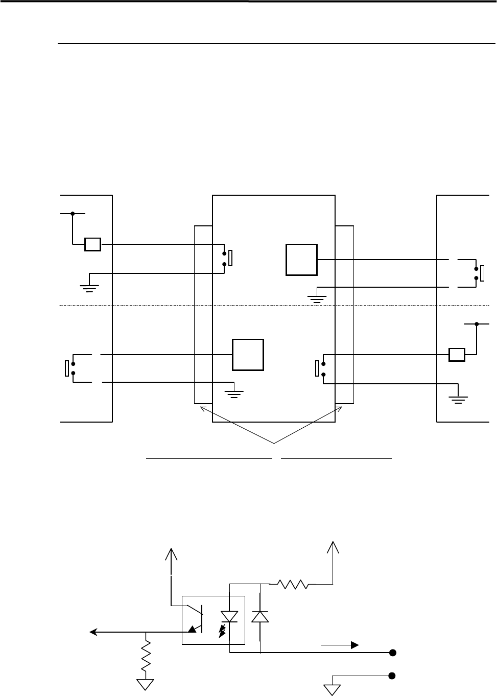
1 Installation
1-16
Pre-Process and Post-Process of Mounter
Connecting Pre-Process and Post-Process
When using other manufacturer’s mounters as the pre-process or post-process, connect them as shown in
the below diagram. No-voltage output (relay) is recommended for post-process.
Standard spec. : Upper half of the diagram.
SMEMA Interface spec. : Whole diagram.
+24V
DI
+5V
2.04 k(1/4W*3)
HCPL-181
Approx. 11mA
2.2 k
(for NPN)
*INPUT CIRCUIT
*INPUT CIRCUIT
NOT READY
2
1
CN2 CN1
Post-process
Connector (Cable side)
AMP
206044-1(Plug)
66099-2 or equivalent (Pin)
206070-1(Cable clamp)
Connector (Mounter side)
AMP
206043-1(Receptacle)
Pre-process
MACHINE
NOT READY
*INPUT CIRCUIT
BOARD
DC30V 1A or less
AC100V 0.5A
or less
RELAY
RELAY
MACHINE
BOARD
A
VAILABLE
3
4
A
VAILABLE
2
1
3
4