JX-200_使用说明书.pdf - 第232页
第 1 部 基本篇 第 3 章 维护 1) 请确认没有漏气 1) 主机接通电源后,请选择「手动控制」项目,检查下列各项目的动作状况。 ① ATC 单元 ② 支撑台 ③ 定位销 ④ 止动器 ✎ 手动控制 ✎ 在确认各项动作、检查传感器的开/关情况时,执行手动控制模式。 有关手动控制的详细内容,请参见使用说明书“第 7 章 手动控制” 。 2) 如若动作有问题,请参考下页「管道系统图」进行检查。 检查项目 3-2-3 管道及接头 实施频度 …

第 1 部 基本篇 第 3 章 维护
1) 请检查红色标示(堵塞标记)是否上升。
2) 如有堵塞现象,请更换过滤器元件。
1) 拆下①、②的 4 根螺丝。
2) 卸下③的 4 根螺丝。 3) 更换新的过滤器元件、O 环、垫圈。
4) 安装时请按相反的步骤进行。
检查项目
3-2-2 主线过滤器(选购项)
实施频度 : 每天
检查内容
检查选项过滤器脏污
检查
・
更换选项过滤器元件 更换标准: 2年
品目编号:PF901007000
O 环、垫圈
过滤器元件套件
②
①
O 环
过滤器元件
(PF901007000)
③
垫圈
3-3

第 1 部 基本篇 第 3 章 维护
1) 请确认没有漏气
1) 主机接通电源后,请选择「手动控制」项目,检查下列各项目的动作状况。
① ATC 单元
② 支撑台
③ 定位销
④ 止动器
✎
手动控制
✎
在确认各项动作、检查传感器的开/关情况时,执行手动控制模式。
有关手动控制的详细内容,请参见使用说明书“第 7 章 手动控制”。
2) 如若动作有问题,请参考下页「管道系统图」进行检查。
检查项目
3-2-3 管道及接头
实施频度 :每周
检查内容
检查气压管道部分是否漏气
检查项目
3-2-4 各单元汽缸
实施频度 :每周
检查内容 检查各汽缸的动作
<正面盖内>
销阀
漏气检查位置
在主画面上选择 后,
会显示手动控制模式。
3-4

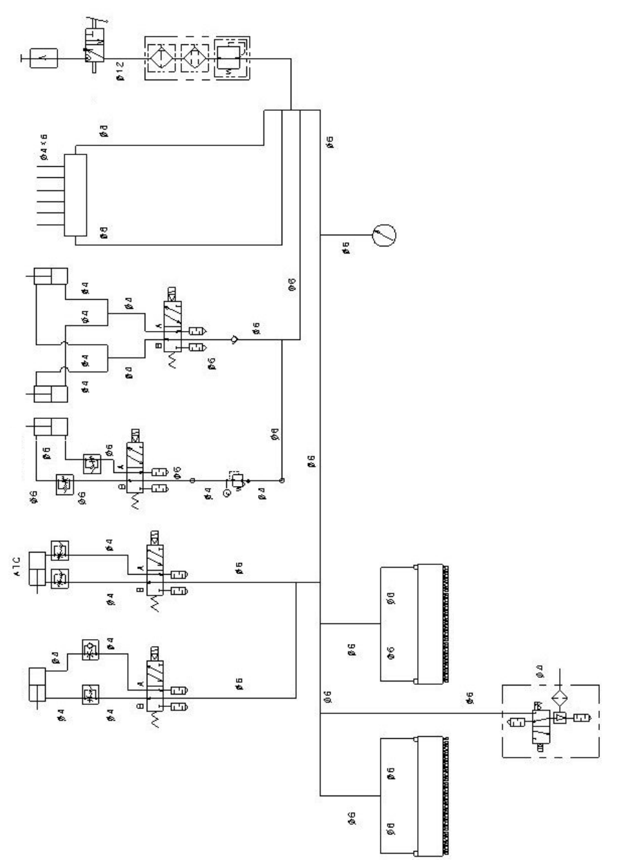
第 1 部 基本篇 第 3 章 维护
(1) 管道系统图(标准)
耦合器
手动阀
空气组合箱
吸嘴
喷射泵单元
贴片头上升汽缸
检查阀
BU 台
压力表
顶推针(前)
GAL 块
顶推针(后)
止动器
3-5