JX-200_使用说明书.pdf - 第52页
第 1 部 基本编 第 1 章 设备概要 ◇ READY OUT( IN ) 信号与 BOAD A V AILABLE 信号的接口电路图示 1-2-8-4 如下。 GND ( 24V ) + + 24 V 3.3K 1/4W READ Y OUT + BOAD A V AILABLE IN + READ Y OUT - BOAD A V AILABLE IN - N. C. 1 2 3 4 5 14 READ Y IN + BOAD A…

第 1 部 基本编 第 1 章 设备概要
⑥为本设备与其它设备连线操作时的 ready out/in 用的接口(14 针)。
如果与机器上游的机器连线时,请接 JOINT IN(上方)
如果与机器下游的机器连线时,请接 JOINT OUT(下方)
图 1-2-8-3 主机右侧后面
表 1-2-8-1 主机右侧后面接口表
No. 信号名称 (JOINT IN) 信号名称 (JOINT OUT) 使用的接口
1 READY OUT + READY IN +
2 READY OUT - READY IN - (GND) AMP
3 BOAD AVAILABLE IN + BOAD AVAILABLE OUT + 202043-1
4 BOAD AVAILABLE IN-(GND) BOAD AVAILABLE OUT -
5 N.C. N.C.
6 N.C. N.C. 电缆侧
7 N.C. N.C. 连接用的连接器
8 N.C. N.C. 20604-1
9 N.C. N.C.
10 N.C. N.C.
11 N.C. N.C.
12 N.C. N.C.
13 N.C. N.C.
14 N.C. N.C.
⑥
1-36

第 1 部 基本编 第 1 章 设备概要
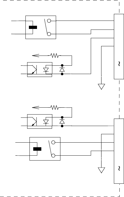
◇ READY OUT(IN)信号与 BOAD AVAILABLE 信号的接口电路图示 1-2-8-4 如下。
GND
(
24V
)
+
+ 24
V
3.3K 1/4W
READY OUT +
BOAD AVAILABLE IN
+
READY OUT -
BOAD AVAILABLE IN -
N.C.
1
2
3
4
5
14
READY IN +
BOAD AVAILABLE OUT +
READY IN
-
BOAD AVAILABLE OUT -
N.C.
1
2
3
4
5
14
+ 24
V
3.3K 1/4W
+
GND
(
24V
)
图 1-2-8-4
1-37

第 1 部 基本编 第 1 章 设备概要
1-2-9 简称的说明
简称
意 义
中文 英语
ATC
自动工具交换装置
(Auto Tool Changer)
BMR 坏板标记识别器 (Bad Mark Reader)
EPU 外部编程装置 (External Programming Unit)
HMS
高度测量装置
(Height Measurement System)
HOD 手持操作盘 (Handheld Operating Device)
LNC 激光校准新概念 (Laser align New Concept)
OCC 位置校正摄像机 (Offset Correction Camera)
PWB 基板 (Printed Wiring Board)
VCS 图像识别元件位置校正装置 (Vision Centering System)
1-38