JX-200_使用说明书.pdf - 第233页
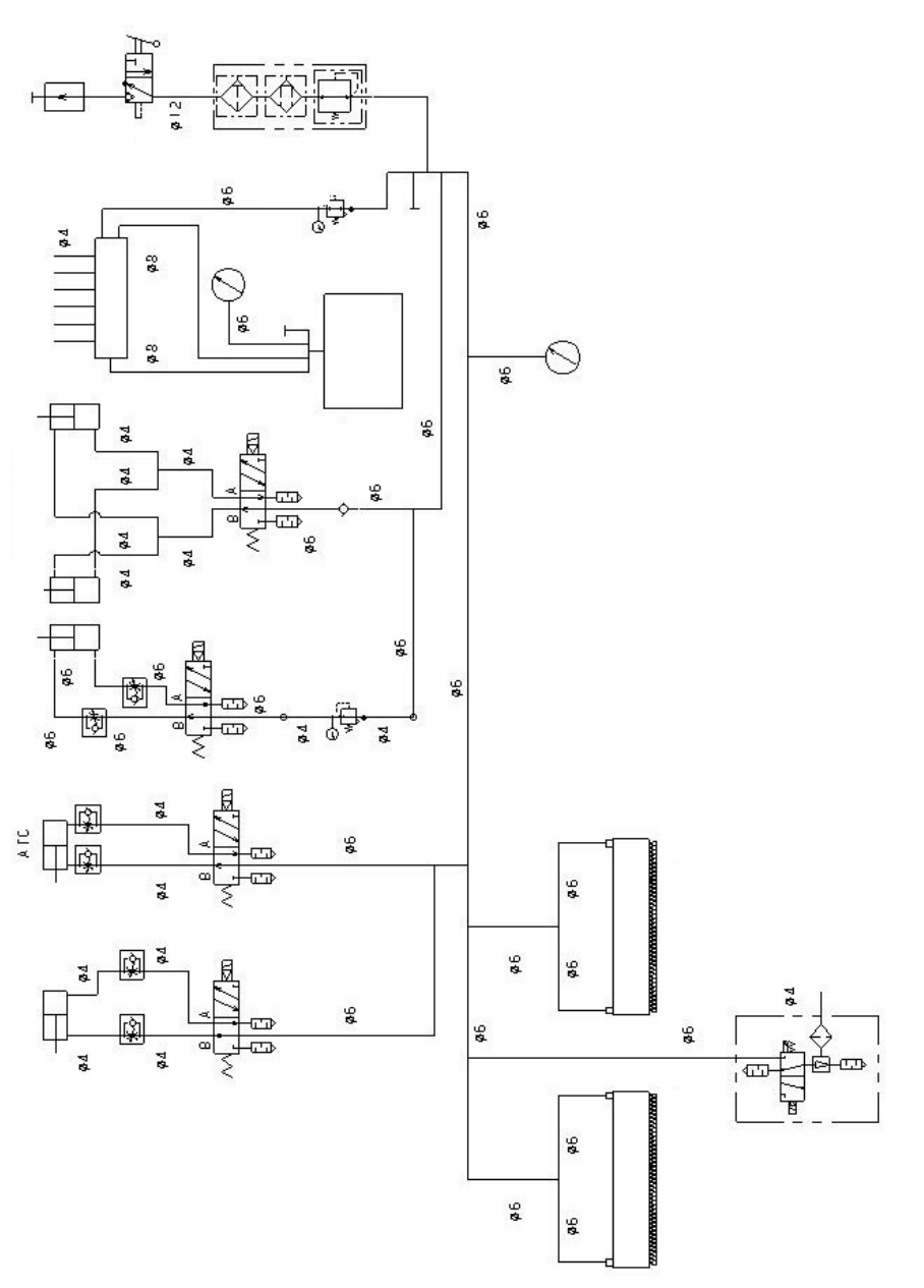
第 1 部 基本篇 第 3 章 维护 (1 ) 管道系统图 ( 标准 ) 耦合器 手动阀 空气组合箱 吸嘴 喷射泵单元 贴片头上升汽缸 检查阀 BU 台 压力表 顶推针(前) GAL 块 顶推针(后) 止动器 3-5

第 1 部 基本篇 第 3 章 维护
1) 请确认没有漏气
1) 主机接通电源后,请选择「手动控制」项目,检查下列各项目的动作状况。
① ATC 单元
② 支撑台
③ 定位销
④ 止动器
✎
手动控制
✎
在确认各项动作、检查传感器的开/关情况时,执行手动控制模式。
有关手动控制的详细内容,请参见使用说明书“第 7 章 手动控制”。
2) 如若动作有问题,请参考下页「管道系统图」进行检查。
检查项目
3-2-3 管道及接头
实施频度 :每周
检查内容
检查气压管道部分是否漏气
检查项目
3-2-4 各单元汽缸
实施频度 :每周
检查内容 检查各汽缸的动作
<正面盖内>
销阀
漏气检查位置
在主画面上选择 后,
会显示手动控制模式。
3-4

第 1 部 基本篇 第 3 章 维护
(1) 管道系统图(标准)
耦合器
手动阀
空气组合箱
吸嘴
喷射泵单元
贴片头上升汽缸
检查阀
BU 台
压力表
顶推针(前)
GAL 块
顶推针(后)
止动器
3-5

第 1 部 基本篇 第 3 章 维护
(2)管道系统图(真空泵选购项时)
耦合器
手动阀
空气
组合箱
真空表
吸嘴
喷射泵单元
真空泵
吸嘴上升汽缸
检查阀
压力表
BU 台
GAL
块
止动器
顶推针(前)
顶推针(后)
3-6