RX-7使用手册.pdf - 第741页
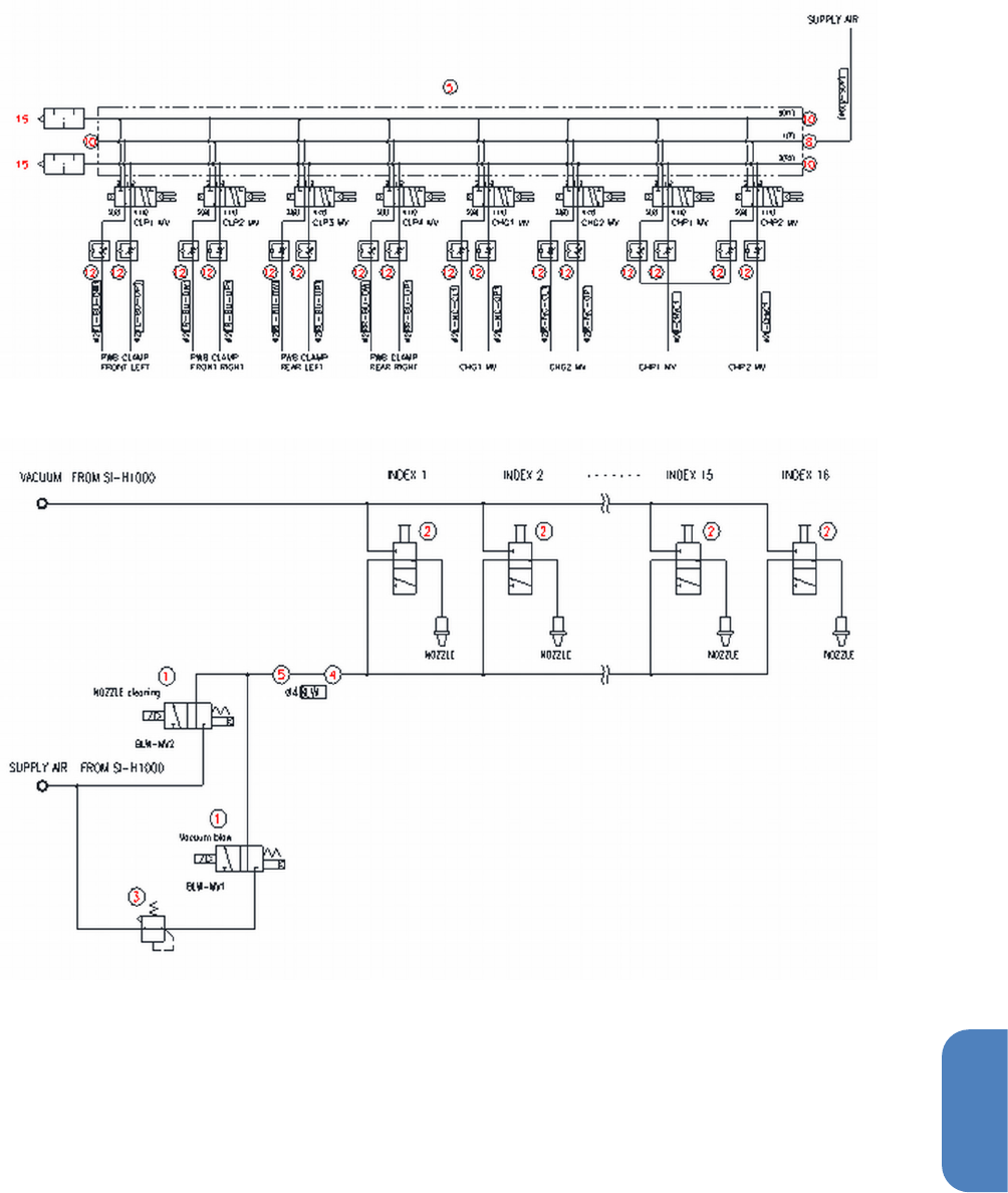
第 6 章 附录 6- 5. 空气流动概 要图 15 6 • 传 送部周边多 支管 • 高速 贴片头部

第
6
章
附录
6-5.
空气流动概要图
14
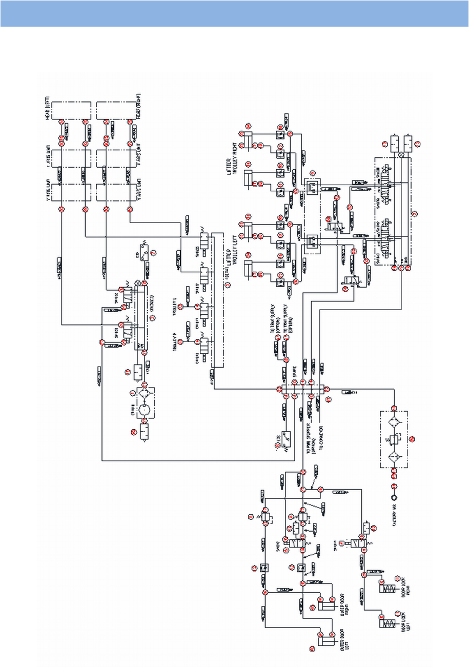
6-5.
空气流动概要图
•
整机示意图

第
6
章
附录
6-5.
空气流动概要图
15
6
•
传送部周边多支管
•
高速贴片头部

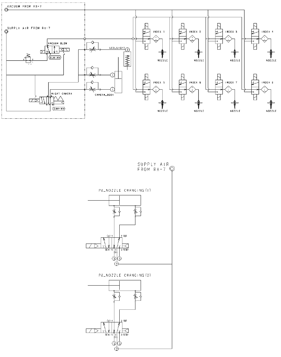
第
6
章
附录
6-5.
空气流动概要图
16
•
通用贴片头部
•
•
ATC
(通用贴片头)
第 6 章 附录 6- 5. 空气流动概 要图 15 6 • 传 送部周边多 支管 • 高速 贴片头部


