03217917-01-01E By DEK Technical Reference Manual Vol 1_enPDFA.pdf - 第67页
6 POWER SUPPLY M37 6.3 M37 POWER SUPPLY ENCLOSURE TECHNICAL REFERENCE MANUAL Vol 1 E By DEK 04/2019 67 6.3.1.1 E Stop Loop WAR N IN G E S TO P C I R CU I T . T H E E S TO P C I RC U I T O N L Y I S OL A T E S T H E D C S…

6 POWER SUPPLY M37
6.3 M37 POWER SUPPLY ENCLOSURE
66 TECHNICAL REFERENCE MANUAL Vol 1 E By DEK 04/2019
2 Handed
Safety Relay
PIHZ X1
RL2
A1
A2
23
24
13
14
S13
S14
S23
S24
N/C
N/C
Control
Circuit
Y1 Y2
E Stop Relay
PNOZ X2
RL1
Reset
Control
S33
S34
A1
A2
13
14
23
24
S11
S12
S21
S22
44
45
46
47
48
49
49
50
51
CB32
10A
42V dc or
48V dc
From PSU
M37 Power Supply Crate
M37TB01
Power Distribution PCB
CB 6
1.5A
CB 1
3.15A
Part
CON3
Part
CON2
Part
CON1
27
28
25
26
33
34
35
17
0V
15
24V US From PSU
36
37
38
40
39
41
42
43
M37PL23
M37PL22
1
2
24V SW
42V dc or 48V dc Servo Motor Supply
14PL08
E
System
M37PL27
1
2
System Lamp
3
4
5
6
7
8
9
10
11
12
E
Jog Left
E
Jog Right
1
2
3
4
5
6
7
8
9
10
11
12
M37PL25
1
2
5
3
E Stop
8ES2
M37PL24
1
2
5
3
E Stop Blanking Plug
3
4
Front
Cover
Interlock
System Power On
5
8
M37SK26
0V
M36 Machine Controller
7
E Stop Supply
Jog Left
2
3
Jog Right
6
Cover Interlock
Rear Cover Interlock/
Interlock Blanking Plug
1
2
3
4
8PL146
1
2
3
4
Q1
R1
0V
R2
CON 3
1
A1
A2
2
3
5
4
6
CON 2
1
A1
A2
2
3
5
4
6
CON 1
1
A1
A2
2
3
5
4
6
Machine Safety Circuit

6 POWER SUPPLY M37
6.3 M37 POWER SUPPLY ENCLOSURE
TECHNICAL REFERENCE MANUAL Vol 1 E By DEK 04/2019 67
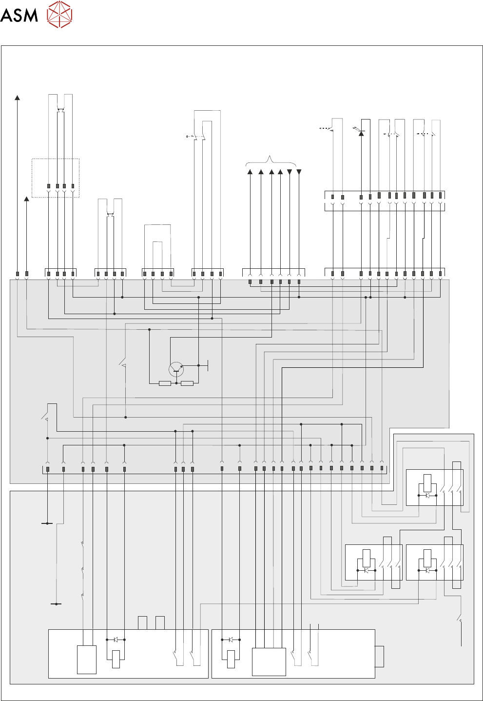
6.3.1.1 E Stop Loop
WARNING
E STOP CIRCUIT. THE E STOP CIRCUIT ONLY ISOLATES THE DC SUPPLIES
TO THE MOTORS. LETHAL VOLTAGES ARE STILL PRESENT WITHIN THE
MACHINE AFTER THE E STOP HAS BEEN ACTIVATED.
The emergency stop loop consists of a series circuit connecting the E Stop blanking plug, the E
Stop button, the front cover interlock and the rear cover interlock/interlock blanking plug. The E
Stop loop supply (software E Stop) from the NextMove interface card passes through the E Stop
loop to the solenoid of the E Stop relay. Once energised the E Stop relay feeds 24V US from the
PSU to the solenoids of contactors Con 1, Con 2 and Con 3. Once energized contactor Con 1
feeds 24V SW via contactor Con 3 to provide stepper motor drive. Contactor Con 2 feeds +42V dc
or +48V dc via contactor Con 3 to provide servo motor power.
If any component in the loop becomes open circuit or if the E Stop loop supply drops to 0V, the E
Stop relay PNOZ X2 de-energises. Contactors Con 1, Con 2 and Con 3 de-energise, this ensures
the immediate shut down of all motors.
On E Stop activation, the machine monitor displays the Restore Power window. The recovery
method is to remove the E Stop condition and press the System button.
The M37 power supply enclosure has been designed to be machine generic, because of this,
blanking plugs are fitted where interlocks are not required.
6.3.1.2 Two-Handed Relay
With the printhead cover open the machine sees this as an E Stop condition and motor power is
not available. The two-handed relay enables functions such as priming paper and priming solvent
to be carried out with the printhead cover open. The operator selects the required function on the
MMI prior to opening the printhead cover. Once selected both jog buttons are used to perform the
task.
Provided the two jog buttons are pressed within 0.5 seconds of each other, the two-handed safety
relay internal control circuit allows the safety relay contacts to switch. Contactors Con 1 and Con 3
activate to enable the 24V SW supply. As contactor Con 2 does not become energized, power is
not available for servo motor drive.
The 24V SW power is enabled whilst the jog buttons are held on. The software, having being noti-
fied that a prime paper or prime solvent function has been selected, provides drive to the relevant
circuit.
6.3.1.3 System Switch
Provided the E Stop loop is intact, the E Stop loop supply is at 24V and is available at the E Stop
relay solenoid. System power is controlled by the system switch which is connected to the reset
terminals of the E Stop relay control circuit. Internal auxiliary contacts CON1, CON2 and CON3 are
wired in series with the system switches, this allows the E Stop relay to monitor the contactors to
ensure that they have not welded shut.
By pressing and releasing the system switch, the relay control circuit enables the activation of the
24V switching contacts and power is available to contactors Con 1, Con 2 and Con 3. Contactor
Con 2, via contactor Con 3, enables system power to be available and this is signalled to the con-
trol enclosure with the switching on of Q1. With the 24V SW supply now available, the system lamp
comes on and stays on even though the system switch has been released. Contactor Con 2, via
contactor Con 3, also enables the 42V dc or 48V dc servomotor supply.

6 POWER SUPPLY M37
6.3 M37 POWER SUPPLY ENCLOSURE
68 TECHNICAL REFERENCE MANUAL Vol 1 E By DEK 04/2019
6.3.2 PSU Monitor Board
The board monitors the voltages at circuit breakers CB1 to CB31 on the power distribution PCB
and sends a data stream via the USB port M37SK30 to the machine PC.
181507 ISSUE
Voltage Where Used
+24V US NextMove Interface, MIU, Camera Lighting, Stepper Logic, Machine Fans,
I/O Node Power, Grid-Lok Tooling, EuroFlex and Servo Motor Logic
+24V SW NextMove Interface, MIU, Belt Motors, I/O Node Power and Grid-Lok
Tooling
+5.5V NextMove ES, USB Hub
+12V I/O Node Power and Grid-Lok Tooling
-12V NextMove ES
+42V/+48V Servo Motor Supply
A separate application is used to display the voltage readings on the machine monitor, to access
this window carry out the following:
► Switch ON and initialise the machine.
► On the keyboard, press the Windows key to access the taskbar.