MEC-SFAB-005S0SmartFAB机械手册.pdf - 第60页
3. 传感器配置图 MEC-SFAB-005S0 46 SmartFAB 机械手册 3.7.3 往复臂 䟿㻌㆙㻌࿌ 䟿㻌㆙㻌࿌ 䟿㻌䠳䠝䠮䠪䠥䠪䠣 䟿㻌㆙㻌࿌ 㧗㟁ᅽ䟿ឤ㟁ὀព䚹 䝯 䞁 䝔 䝘 䞁䝇 䛿㟁※䜢ⴠ䛸 䛧 䛶 䛛䜙⾜䛳 䛶 䛟䛰 䛥䛔 㻴㼕㼓㼔㻌㼢㼛㼘㼠㼍㼓㼑㻍㻌㻯㼛㼚㼠㼍㼏㼠㻌㼙㼍㼥 㼏㼍㼡㼟㼑㻌㼑㼘㼑㼏㼠㼞㼕㼏㻌㼟㼔㼛㼏㼗㻚㼀㼡㼞㼚㻌㼛㼒㼒 㼠㼔㼑㻌㼜㼛㼣㼑㼞㻌㼜㼞㼕㼛㼞㻌㼠㼛㻌㼟㼑㼞㼢㼕㼏㼕㼚㼓 39MEC-0071…

MEC-SFAB-005S0 3. 传感器配置图
SmartFAB 机械手册 45
图中号码 地址 信号名 输出目标位置
1 IN0C 料盘箱存放确认 1 sMTU 控制器
2 IN0D 料盘箱存放确认 2 sMTU 控制器
3 IN1A 料盘箱 A 料盘高度确认 (左) sMTU 控制器
4 IN1B 料盘箱 A 料盘高度确认 (右) sMTU 控制器
5 IN1D 料盘箱 B 料盘高度确认 (左) sMTU 控制器
6 IN1E 料盘箱 B 料盘高度确认 (右) sMTU 控制器
7 IN3A 往复臂料盘高度监视 (下) sMTU 控制器
8 IN3B 往复臂料盘高度监视 (中) sMTU 控制器
9 IN3C 往复臂料盘高度监视 (上) sMTU 控制器
10 IN3F 往复臂料盘高度监视 (4 料槽) sMTU 控制器
11 - 料盘箱 A 料盘高度监视 (左)放大器 sMTU 控制器
12 - 料盘箱 A 料盘高度监视 (右)放大器 sMTU 控制器
13 - 料盘箱 B 料盘高度监视 (左)放大器 sMTU 控制器
14 - 料盘箱 B 料盘高度监视 (右)放大器 sMTU 控制器
15 - 往复臂料盘高度监视 (4 料槽) 放大器 sMTU 控制器
16 - 往复臂料盘高度监视(上)放大器 sMTU控制器
17 - 往复臂料盘高度监视(中)放大器 sMTU控制器
18 - 往复臂料盘高度监视(下)放大器 sMTU控制器
BkBQZFfJ
BkBQZFfJ
Downloaded at 2015/10/08 22:10:295 by 3NEC4804 DL#1KYbDsPP

3. 传感器配置图 MEC-SFAB-005S0
46 SmartFAB 机械手册
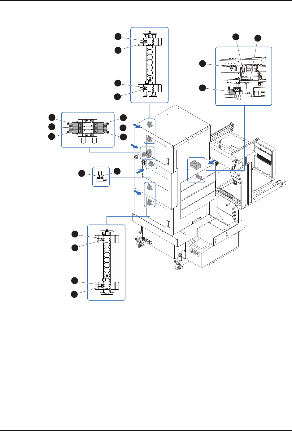
3.7.3 往复臂
䟿㻌㆙㻌࿌
䟿㻌㆙㻌࿌
䟿㻌䠳䠝䠮䠪䠥䠪䠣
䟿㻌㆙㻌࿌
㧗㟁ᅽ䟿ឤ㟁ὀព䚹
䝯
䞁
䝔
䝘
䞁䝇
䛿㟁※䜢ⴠ䛸
䛧
䛶
䛛䜙⾜䛳
䛶
䛟䛰
䛥䛔
㻴㼕㼓㼔㻌㼢㼛㼘㼠㼍㼓㼑㻍㻌㻯㼛㼚㼠㼍㼏㼠㻌㼙㼍㼥
㼏㼍㼡㼟㼑㻌㼑㼘㼑㼏㼠㼞㼕㼏㻌㼟㼔㼛㼏㼗㻚㼀㼡㼞㼚㻌㼛㼒㼒
㼠㼔㼑㻌㼜㼛㼣㼑㼞㻌㼜㼞㼕㼛㼞㻌㼠㼛㻌㼟㼑㼞㼢㼕㼏㼕㼚㼓
39MEC-0071-a
2
3
1
4
5
6
8
9
7
10
11
13
12
20
15
17
19
14
16
18
BkBQZFfJ
BkBQZFfJ
Downloaded at 2015/10/08 22:10:295 by 3NEC4804 DL#1KYbDsPP

MEC-SFAB-005S0 3. 传感器配置图
SmartFAB 机械手册 47
图中号码 地址 信号名 输出目标位置
1 IN10 料盘箱 A 料盘托架松开端 1 sMTU 控制器
2 IN11 料盘箱 A 料盘托架松开端 2 sMTU 控制器
3 IN12 料盘箱 A 料盘托架夹紧端 1 sMTU 控制器
4 IN13 料盘箱 A 料盘托架夹紧端 2 sMTU 控制器
5 IN14 供应高度托架松开端 sMTU 控制器
6 IN15 供应高度托架夹紧端 sMTU 控制器
7 IN16 料盘箱 B 供料托架松开端 1 sMTU 控制器
8 IN17 料盘箱 B 供料托架松开端 2 sMTU 控制器
9 IN18 料盘箱 B 供料托架加紧端 1 sMTU 控制器
10 IN19 料盘箱 B 供料托架加紧端 2 sMTU 控制器
11 IN30 往复臂后退端 sMTU 控制器
12 IN31 往复臂夹头张开端 (夹紧确认) sMTU 控制器
13 IN32 往复臂夹头关闭端 (松开确认) sMTU 控制器
14 OUT10 料盘箱 A 托架夹紧 sMTU 控制器
15 OUT11 料盘箱 A 托架松开 sMTU 控制器
16 OUT12 供应高度托架夹紧 sMTU 控制器
17 OUT13 供应高度托架松开 sMTU 控制器
18 OUT14 料盘箱 B 托架夹紧 sMTU 控制器
19 OUT15 料盘箱 B 托架松开 sMTU 控制器
20 OUT16 往复臂夹头关闭 sMTU 控制器
BkBQZFfJ
BkBQZFfJ
Downloaded at 2015/10/08 22:10:295 by 3NEC4804 DL#1KYbDsPP