维_修_手_册(AI插件机AVK).pdf - 第193页
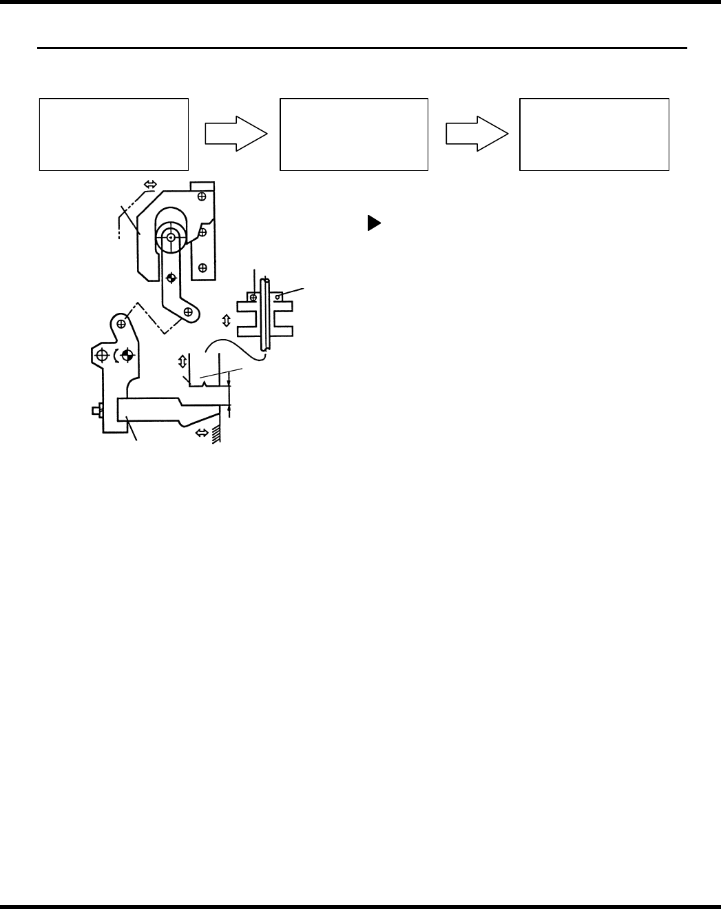
AV K 2 B 维修手册 7.14 推进器和 弯折模具间 距调节 7.14 推进器和弯折模具间距调节 章节管理编 号:D76MCC-83 -1N0-A0 Slide cam Bolt Pusher 0.19 + 0.02 mm Bendin g die Split nut = 准备 = 1. 厚度量规 推进器和弯折 模具间距 调节 1 . 接通 电源[ ON] 并返回原点 2. 检查副操 纵盘上的 “ 插件头伺服电机 OFF ”是否断…

AVK2B
维修手册
7.13 推进器和弯折模具位置(左/右)调节
= 备忘录 =
7.13-2 D76MCC-83-1M0-AO

AVK2B
维修手册
7.14 推进器和弯折模具间距调节
7.14 推进器和弯折模具间距调节
章节管理编号:D76MCC-83-1N0-A0
Slide cam
Bolt
Pusher
0.19 + 0.02 mm
Bendin
g
die
Split nut
= 准备 =
1.厚度量规
推进器和弯折模具间距调节
1.接通电源[ON]并返回原点
2.检查副操纵盘上的 “插件头伺服电机
OFF”是否断开[OFF]。
3.断开插件头开关中的“插件头制动”
开关[OFF](释放)。
4.将循环定时器的手动旋钮旋转至93º。
5.接通插件头开关中的“插件头制动”
开关[ON](锁定)。
6.使用厚度量规,检查左右推进器和
弯折模具之间的间距。
= 指标 =
间距:0.19 ± 0.02mm
7.如超出规定的范围,则拧松螺栓,
调节间距。
= 注 =
在 V 轴装置下部,有两个螺
母。调整时,应该使用上面一个
对开螺母。
8.拧紧螺栓。
9.返回原点并再次检查间距。
D76MCC-83-1N0-AO 7.14-1
7. 15
推进器和砧座
间距调节(
V 轴原
点)。
7. 14
推进器和弯折
模具间距调节。
7. 13
推进器和弯折
模具位置(左
/右)
调节
弯折模具
滑动凸轮
对开螺母
螺钉
0.19+0.02mm
推进器

AVK2B
维修手册
7.14 推进器和弯折模具间距调节
= 备忘录 =
7.14-2 D76MCC-83-1N0-AO