KE-2050R-2055R-2060R维修调整要领书.pdf - 第115页
Rev1.00 维修调整要领书 7-2 4) 请进行气缸杆部的固定位置调整 。 在打开滑板的状态,用目视调整位置,让 ATC 座的孔和滑板圆弧中心调成一致,调整 ATC 气缸的附 属螺母和 ATC 接头 。 此时,在 ATC 接头的螺丝部涂上锁定漆 242。 图 7-1-2 固定时调整位置 ( 上图 )/ 固定时侧面图 ( 下图 )

Rev1.00
维修调整要领书
7-1
危险 为了防止突然的起动造成事故,请关掉电源后再进行操作。
7 ATC
7-1 气缸的更换
1) 请关闭主体左下放的阀门。
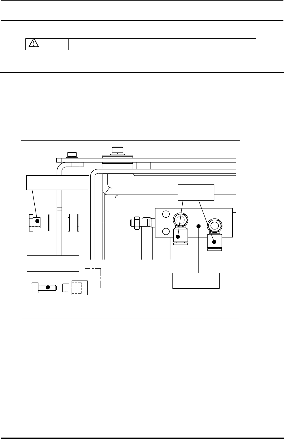
2) 卸下ATC接头、六脚孔螺栓,再卸下气缸。
(φ4空气软管也卸下。)
3) 请把速度控制换成新的气缸。
图 7-1-1 气缸的更换
气缸
六角孔螺栓
ATC接头
速度控制

Rev1.00
维修调整要领书
7-2
4) 请进行气缸杆部的固定位置调整。
在打开滑板的状态,用目视调整位置,让 ATC 座的孔和滑板圆弧中心调成一致,调整ATC气缸的附
属螺母和ATC接头。
此时,在 ATC 接头的螺丝部涂上锁定漆242。
图 7-1-2 固定时调整位置(上图)/固定时侧面图(下图)

Rev1.00
维修调整要领书
7-3
5) 整
请调
传感器配件的位置。
OPEN 时→在滑板打开的状态,OPEN 传感器 ON 之后向左移动 0.5mm。
CLOSE 时→在滑板关闭的状态,CLOSE 传感器ON之后向右移动 0.5mm。
注1) 下列,位置调整后,请用螺母固定带六角孔螺栓。
注2) 拧紧扭矩为 1.3N・.m。
7) 请装配φ4空气软管。
请参照下图,用空气软管(φ4)装配调速器和电磁阀。
图 7-1-3 调整传感器配件(带六角孔螺栓)
图 7-1-4 OPEN 时(左)/CLOSE 时(右)
図 7-1-5 空气软管的装配
A
A
B
B
带六角孔螺栓
螺母
OPEN 传感器
CLOSE 传感器