KE-2050R-2055R-2060R维修调整要领书.pdf - 第49页
Rev1.00 维修调整要领书 1-8-8. 贴片头周围的配线 图 1-8-8-1 KE-2050/2050R/2055R 1 )参照上图,夹紧各电缆。束线带(大)用于 FC 导承,其他用束线带(小)。夹紧电缆时,不要 强行弯曲电缆或使之过度受力。贴有电缆保护皮的部位,应在该范围内捆束。 CN803 CN804 CN806 CN805 CN802 CN801 CN849 X OCCA ( L ) OCCV ( L ) 磁性膜及 MNLA…

Rev1.00
维修调整要领书
9)CB 角部的装配
·上侧,使 40002232 的记号与「CB 角端面」一致后进行捆束。这时,把 40002232 的电缆向①
所示方向拉一拉,使记号从端面向外露出约 10mm 左右,然后将线束推入到端面位置(②所示
方向),固定在记号位置上。
·对准 40002232 的记号,在 40002234、40002233 电缆的侧面标上记号。
图1-8-7-10
图1-8-7-11
·将 Y 轴移动到最靠身前位置,用手压塑料导轨内部的线束,确认没有挠曲。
图 1-8-7-12
1
2
对准 40002232 的记号
在 40002233/40002234 电缆的侧面作
记号
把 40002232 线束向①所示方向
拉,使记号从「CB 角端面」向
外露出,然后按②所示方向将线
束推入到端面位置,固定在记号
位置上。
将 Y 轴移动到最靠身前位置,
用手压入线束,确认塑料导轨
内部的线束没有挠曲
捆束部位
1−35

Rev1.00
维修调整要领书
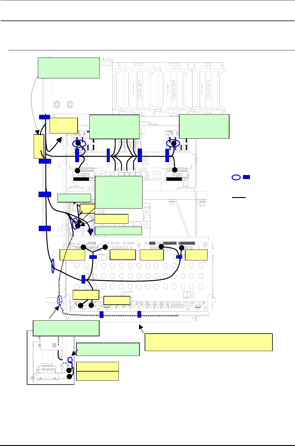
1-8-8.贴片头周围的配线
图1-8-8-1 KE-2050/2050R/2055R
1)参照上图,夹紧各电缆。束线带(大)用于 FC 导承,其他用束线带(小)。夹紧电缆时,不要
强行弯曲电缆或使之过度受力。贴有电缆保护皮的部位,应在该范围内捆束。
CN803 CN804
CN806
CN805
CN802CN801
CN849
X
OCCA(L)
OCCV(L)
磁性膜及 MNLA 的电缆也一
起夹住。
MNLA(往 Z 传感器)
在距连接器 50mm以
内处把电路板上的
线束夹成一束。
参照下图
夹在摄像机托架 U 上
的电缆
·磁性膜
·OCC 照明、摄像机
·MNLA
夹在被贴片头摇柄共同紧固的
螺钉制动固定基座上
电缆
束线带
往 OCC 中继
电路板
OCC(L)
往
中继电
在距连接器 50mm以
内处把电路板上的
线束夹成一束。
CN849 的连接器不要
突出到 FC 导承左面
电动机的 Z、θ自左起依次为 CN209、CN210、…、
CN216(要从下朝上插入到电动机连接器座 50)。
1−36

Rev1.00
维修调整要领书
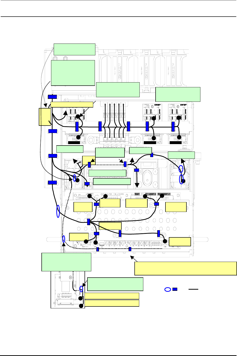
图1-8-8-2 KE-2060/2060R
2)参照上图,夹紧各电缆。束线带(大)用于 FC 导承,其他用束线带(小)。夹紧电缆时,不要
强行弯曲电缆或使之过度受力。贴有电缆保护皮的部位,应在该范围内捆束。
在距连接器 50mm 以内处
把电路板上的线束夹成一
束
。
OCCV(L)、OCCV(R)
磁性膜及 MNLA 的电缆也一
起夹住。(仅限左边的场合
)
电动机的 Z、θ自左起依次为 CN209、CN210、…、
CN218(要从下朝上插入到电动机连接器座 60)。
CN803
CN804
CN806
CN805
CN802
CN801
CN808
X
CN849
FMLA 往 Z 传感器
MNLA 往 Z 传感器
参照下图
只在顶板一侧固
定
往 FMLA
参照下图
往 OCC 中继电路板
在距连接器 50mm以内处
把电路板上的线束夹成
一
束
。
夹在摄像机托架 U 上的
电缆
·磁性膜
·OCC 照明、摄像机
·MNLA
CN849 的连接器不要
突出到 FC 导承左面
夹在被贴片头摇柄共同紧
固的螺钉制动固定基座上
OCCA(L)、OCCA(R)
电缆 束线带
1−37