KE-2050R-2055R-2060R维修调整要领书.pdf - 第29页
Rev1.00 维修调整要领书 1-4-2. 电磁标尺的盖子 ① 打开电磁标尺的盒 (40003268) 罩。 ② 在各轴,把示波器的 GND 端子连接到 「0 VA」 ,测定 「SIN」 端子的电压波形 。X 时,移动贴装头, 、YL 或 YR 时,移动 X 轴,从负限制传感器到正限制传感器的位置。此时,观测示波器出现的正弦波,确 认在全领域 P-P 值应在 1.5 V 以上 。 ③P−P 值不到 1.5V 时,拧松固定传感器的螺丝 …

Rev1.00
维修调整要领书
・Y轴电磁标尺的粘贴方法
①把Y轴电磁标尺粘贴夹具(货号40008105)紧密地放到后通路Y侧面和Y轴上面,顶到Y轴电磁标尺粘
贴夹具,把电磁标尺贴上。
电磁标尺的粘贴位置(横方向偏斜) :规格值±0.1mm
Y
轴磁标尺粘贴夹具
磁标尺
Y
轴
后通路
Y
1−15

Rev1.00
维修调整要领书
1-4-2.电磁标尺的盖子
①打开电磁标尺的盒(40003268)罩。
②在各轴,把示波器的 GND 端子连接到「0 VA」,测定「SIN」端子的电压波形。X时,移动贴装头,、YL
或 YR 时,移动 X 轴,从负限制传感器到正限制传感器的位置。此时,观测示波器出现的正弦波,确
认在全领域 P-P 值应在1.5 V 以上。
③P−P值不到1.5V时,拧松固定传感器的螺丝(X轴为下图的螺丝①、Y轴为③)。
④把MSC夹具(货号40008106)中的t0.35mm夹到电磁标尺和传感器头的间隙,然后拧紧螺丝。
⑤在XY轴全行程,确认电磁标尺和传感器头的间隙,MSC夹具(货号40008106)中的t0.25mm可以
插入,t0.45mm不能插入。
⑥实行②的确认方法。
注)卸下护罩、传感头,拆卸时应关掉电源之后再进行。
OVA
SIN
磁标尺
SIN
OVA
螺丝③
螺丝②
传感器头
Y轴
X YL YR
磁标尺
传感器头
螺丝①
X 轴
电磁标尺和传感器头的间隙 :0.35±0.1mm
1−16

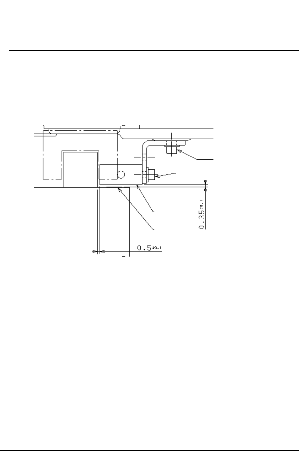
Rev1.00
维修调整要领书
1-4-3.传感器头和后通路的间隙(Y轴)
①在Y轴的全行程,请确认Y轴后通路和传感器头的间隙,0.5mm的间隙标尺应该正好插入。
②①的确认,如果间隙不是0.5mm时,请拧松固定处啊杆器支架的螺丝(下图的螺丝②)。
③把 0.5mm 的间隙标尺,插到电磁标尺和传感器头的间隙,再次拧紧螺丝。
④实施①的确认方法。
・传感器头和后通道Y的间隙 :0.5±0.1mm (Y轴)
磁标尺
传感器头
螺丝①
螺丝②
1−17