NXT机械手册.pdf - 第356页
QD145-11 7. 消耗品的更换 NXT II 机械手册 333 〈H02 工作头〉 〈H04(S) 工作头〉 01MEC-0191S ⬉∴ 㧔 ো 㧦**㧕

7. 消耗品的更换 QD145-11
332 NXT II 机械手册
3. 在取下电池盖板的状态下,重新将贴装工作头安装到模组上,插入模组 ( 参考 「5.8 贴
装工作头的拆除 / 安装」)。
4. 因为工作头接通了电源,请使用任意的 Job 开始生产,立即临时停止生产。
a. 请按下 「STATE」按键,开始生产。
b. 在工作头开始动作的时候,请按下「CYCLE STOP」按键。进入工作头接通电源的状态。
5. 使用手动模式的清扫指令,拉出模组。
( 请参考 「NXT II 系统手册」的 「手动模式指令」)。
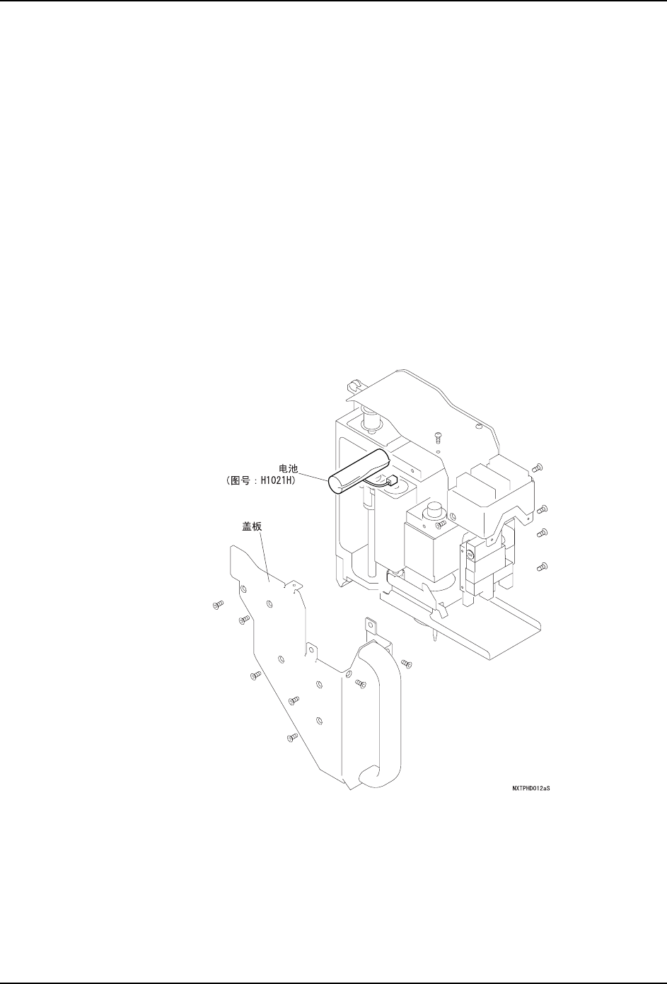
6. 在模组安装了贴装工作头的状态下,拆下旧的电池的导线接插头,取下电池。将新电池
安装到贴装工作头上,连接导线接插头 ( 参考下图 )。
7. 插入模组 ( 参考 「5.8 贴装工作头的拆除 / 安装」)。
8. 按下 CANCEL 按键、MANUAL 按键。模组变为 START 等候状态。
9. 请按 1. 项的要领取下贴装工作头,安装盖板。
〈H01 工作头〉

QD145-11 7. 消耗品的更换
NXT II 机械手册 333
〈H02 工作头〉
〈H04(S) 工作头〉
01MEC-0191S
⬉∴
㧔ো㧦**㧕

7. 消耗品的更换 QD145-11
334 NXT II 机械手册
〈H08 工作头〉
〈H12(S) 工作头〉