NXT part list(Vol.1-Vol.3).pdf - 第150页
3. BASE / ベース 150 PTS-NXT-06JE
3. BASE / ベース 149 PTS-NXT-06JE

3. BASE / ベース 150 PTS-NXT-06JE

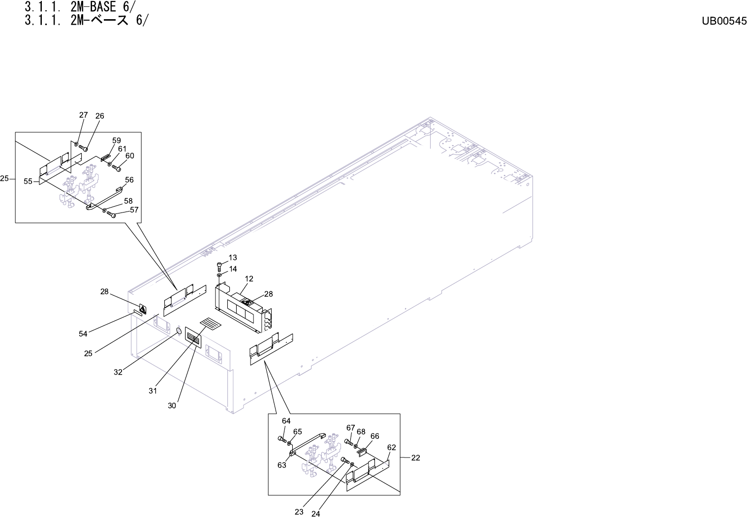
3.1.1. 2M-BASE 6/
3.1.1. 2M-ベース 6/
UB00545
No. Drg.No. & Code No. QTY Description Rating Materials Remark
番号 図番 & コード番号 個数 品名 規格 材質 備考
13 H5288A 2 BOLT, HEX SOCKET ボルト 六角穴 M04X010 FE
14 W1022A 2 WASHER, LOCK ワッシャ スプリング 4M/M FE
22 AA552** 1 VALVE バルブ OT
23 H5288A 2 BOLT, HEX SOCKET ボルト 六角穴 M04X010 FE
24 W1022A 2 WASHER, LOCK ワッシャ スプリング 4M/M FE
25 AA553** 1 VALVE バルブ OT
26 H5288A 2 BOLT, HEX SOCKET ボルト 六角穴 M04X010 FE
27 W1022A 2 WASHER, LOCK ワッシャ スプリング 4M/M FE
28 PZ25380 2 SEAL シール PL
30 PZ07832 1 SEAL シール PL
31 PZ08221 1 SEAL シール PL
32 RX00191 1 NAMEPLATE 銘板 OT
54 PX01450 1 SEAL, BAR CODE シール バーコード OT BA2MB
55 PB26632 1 BKT, VALVE BKT バルブ FE
56 PB31391 1 GUIDE ガイド FE
57 H5274A 4 BOLT, HEX SOCKET ボルト 六角穴 M03X006 FE
58 W1021A 4 WASHER, LOCK ワッシャ スプリング 3M/M FE
59 PB09393 1 BKT BKT FE
60 H5274A 2 BOLT, HEX SOCKET ボルト 六角穴 M03X006 FE
61 W1021A 2 WASHER, LOCK ワッシャ スプリング 3M/M FE
62 PB26693 1 BKT, VALVE BKT バルブ FE
63 PB31391 1 GUIDE ガイド FE
64 H5274A 4 BOLT, HEX SOCKET ボルト 六角穴 M03X006 FE
65 W1021A 4 WASHER, LOCK ワッシャ スプリング 3M/M FE
66 PB09393 1 BKT BKT FE
67 H5274A 2 BOLT, HEX SOCKET ボルト 六角穴 M03X006 FE
68 W1021A 2 WASHER, LOCK ワッシャ ス
プ
リン
グ
3M/M FE
3. BASE / ベース 151 PTS-NXT-06JE