NXT part list(Vol.1-Vol.3).pdf - 第81页
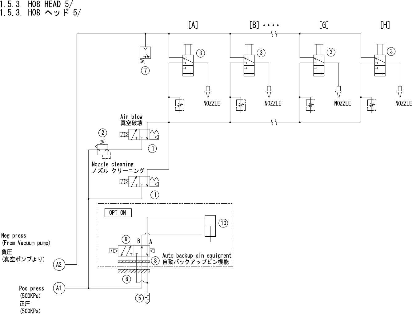
1.5.3. H08 HEAD 5/ 1.5.3. H08 ヘッド 5/ UH00462 No. Drg.No. & Code No. QTY Description Rating Materials Remark 番号 図番 & コード番号 個数 品名 規格 材質 備考 1 H1124S 2 VALVE, SOL バルブ SOL VQZ115R-5G-CP-X44 OT 2 XB00762 1 VALVE, PRES…

A
UH00462
1. PARTS PLACING / 部品装着 80 PTS-NXT-06JE

1.5.3. H08 HEAD 5/
1.5.3. H08 ヘッド 5/
UH00462
No. Drg.No. & Code No. QTY Description Rating Materials Remark
番号 図番 & コード番号 個数 品名 規格 材質 備考
1 H1124S 2 VALVE, SOL バルブ SOL VQZ115R-5G-CP-X44 OT
2 XB00762 1 VALVE, PRESSURE REDUCING バルブ 減圧 OT
3 XS01182 8 VALVE, MECHANICAL バルブ メカニカル OT
5 S1058B 1 SILENCER サイレンサ AN120-M3 OT
6 H3176D 1 PLATE プレート SYJ3000-21-2A OT
7 XS00841 1 SENSOR, PRESSURE センサ 圧力 OT
8 PJ06031 1 PLATE, ACRYLIC プレート アクリル FE
9 H1122D 1 VALVE, SOL バルブ SOL SYJ3140-5M0U OT
10 XS01841 1 CYLINDER シリン
ダ
FE
1. PARTS PLACING / 部品装着 81 PTS-NXT-06JE

A
QK30301
1. PARTS PLACING / 部品装着 82 PTS-NXT-06JE