NXT part list(Vol.1-Vol.3).pdf - 第233页
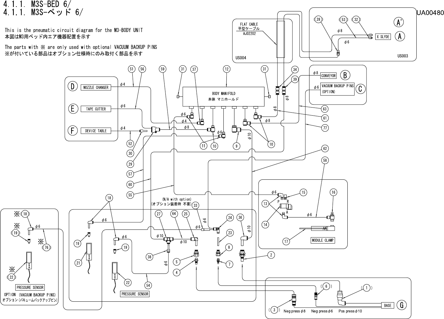
4.1.1. M3S-BED 6/ 4.1.1. M3S- ベッド 6/ UA00480 No. Drg.No. & Code No. QTY Description Rating Materials Remark 番号 図番 & コード番号 個数 品名 規格 材質 備考 1 S5026R 1 SOCKETSOCKET ソケット KK4S-10L OT Note.2 2 K11578 1 COUPLER カプラ KK4…

4. MODULE / モジュール 232 PTS-NXT-06JE

4.1.1. M3S-BED 6/
4.1.1. M3S-ベッド 6/
UA00480
No. Drg.No. & Code No. QTY Description Rating Materials Remark
番号 図番 & コード番号 個数 品名 規格 材質 備考
1 S5026R 1 SOCKETSOCKET ソケット KK4S-10L OT Note.2
2 K11578 1 COUPLER カプラ KK4P-10E OT
3 S5025X 1 SOCKET ソケット CPS15-8 OT Note.2
4 K1161Z 1 COUPLER カプラ CPP15-02 OT
5 Y3025B 1 UNION ユニオン PMF10-02 OT
6 S50251 1 SOCKET ソケット CPSE7-6 OT Note.2
7 K1161W 1 COUPLER カプラ CPPE7-01 OT
8 Y3024A 1 UNION ユニオン PMF6-01 OT
9 Y3122A 1 UNION, ELBOW ユニオン エルボ KQ2VS10-02S OT
10 Y3082E 3 UNION, ELBOW ユニオン エルボ KQ2VS08-02S OT
11 Y3082M 2 UNION, ELBOW ユニオン エルボ KQ2VS06-02S OT
12 PM00324 1 MANIFOLD マニホールド AL
13 Y3078A 2 UNION, ELBOW ユニオン エルボ KQ2L06-01S OT
14 H13360 1 VALVE, SOL バルブ SOL SYJ514-5LE-01 OT
15 S1056A 1 SILENCER サイレンサ AN101-01 OT
16 K5345D 1 CONTROLLER, SPEED コントローラ スピード AS2211F-01-06S(シロ)OT
17 S2098M 1 CYLINDER, AIR シリンダ エアー CDM2L20-25-DCI0922I OT
18 Y3079H 2(1) UNION, ELBOW ユニオン エルボ KQ2L06-99 OT Note.1
19 Y3086Y 2(1) UNION, HALF ユニオン ハーフ KQ2S06-M5 OT Note.1
21 XS00920 1 SENSOR, PRESSURE センサ 圧力 PS6-103G-PWM-019 OT
22 XS00930 1(1) SENSOR, PRESSURE センサ 圧力 PS6-102V-PWM-020 OT Note.1
23 N2029N 1 NIPPLE ニップル PIJ6 OT
24 Y3021W 1 UNION ユニオン PAU6 OT
25 A4047E 1 ELBOW エルボ PLJ-10 OT
27 Y3023T 1 UNION ユニオン PEG10-8 OT
28 XZ00010 1 JOINT, HOSE ジョイント ホース IN-233-1336 OT Note.3
29 K50766 1 CONNECTORCONNECTOR コネクタコネクタ KQ2U06-08 OT
30 Y30682 1 UNION ユニオン KQ2R04-06 OT
31 H3153T 2 PLUG, HEX SOCKET プラグ 六角穴 R1/4 OT
32 N2031A 1 NIPPLE ニップル M-5H-6 OT Note.3
33 H3145L 1 PLUG プラグ KQ2P-06 OT
34 Y3067K 1 UNION ユニオン
KQ2H08-00 OT
36 A4066H 1 ELBOW エルボ KQ2L10-99 OT
37 Y3121A 1 UNION, ELBOW ユニオン エルボ KQ2VS04-01S OT
38 S21571 1 JOINT ジョイント PGJ8-6 OT
39 Y3118K 1 UNION, HALF ユニオン ハーフ GWS810-0 OT
51 PZ26200 1 TUBE チューブ TU0425B L=1330 OT
52 PZ26210 1 TUBE チューブ TU0425B L=1080 OT
4. MODULE / モジュール 233 PTS-NXT-06JE

4.1.1. M3S-BED 6/
4.1.1. M3S-ベッド 6/
UA00480
No. Drg.No. & Code No. QTY Description Rating Materials Remark
番号 図番 & コード番号 個数 品名 規格 材質 備考
53 PZ07200 1 TUBE チューブ TU0604B L=95 OT Note.3
54 PZ26220 1 TUBE チューブ TU0604B L=240 OT
55 PZ10360 1 TUBE チューブ TU0604B L=160 OT
56 PZ06710 1 TUBE チューブ TU0604B L=700 OT
57 PZ06131 1 TUBE チューブ TU0604B L=1050 OT
58 PZ15810 1 TUBE チューブ TU0604B L=2250 OT
59 PZ15820 1 TUBE チューブ TU0805B L=320 OT
60 PZ26230 1 TUBE チューブ TU0805B L=1550 OT
61 PZ15840 1 TUBE チューブ TU0805B L=2500 OT
62 PZ15850 1 TUBE チューブ TU1065B L=1200 OT
63 PZ15840 1 TUBE チューブ TU0805B L=2500 OT
64 PZ21100 1 TUBE チューブ TU1065B L=230 OT
76 PZ06620 0(1) TUBE チューブ TU0604B L=225 OT Note.1
77 PZ10400 1 TUBE チュー
ブ
TU0604B L=1800 OT Note.1
Note1:The quantity in ( ) indicates the quantity for use with optional Vacuum backup pins.
:( )内の個数はオプション仕様のバキュームバックアップピンが取付く場合の個数を示す。
Note2:The parts for BASE unit.
:ベース構成部品
Note3:The parts for SLYDE X-AXIS unit (US003**).
:X軸構成部品
4. MODULE / モジュール 234 PTS-NXT-06JE