NXT part list(Vol.1-Vol.3).pdf - 第61页
1.5.1 H12S HEAD 3/ 1.5.1 H12S ヘッド 3/ UH01506 No. Drg.No. & Code No. QTY Description Rating Materials Remark 番号 図番 & コード番号 個数 品名 規格 材質 備考 1 H1124S 2 VALVE, SOL バルブ SOL VQZ115R-5G-CP-X44 OT 2 XB00762 1 VALVE, PRES…

A
UH01506
1. PARTS PLACING / 部品装着 60 PTS-NXT-06JE

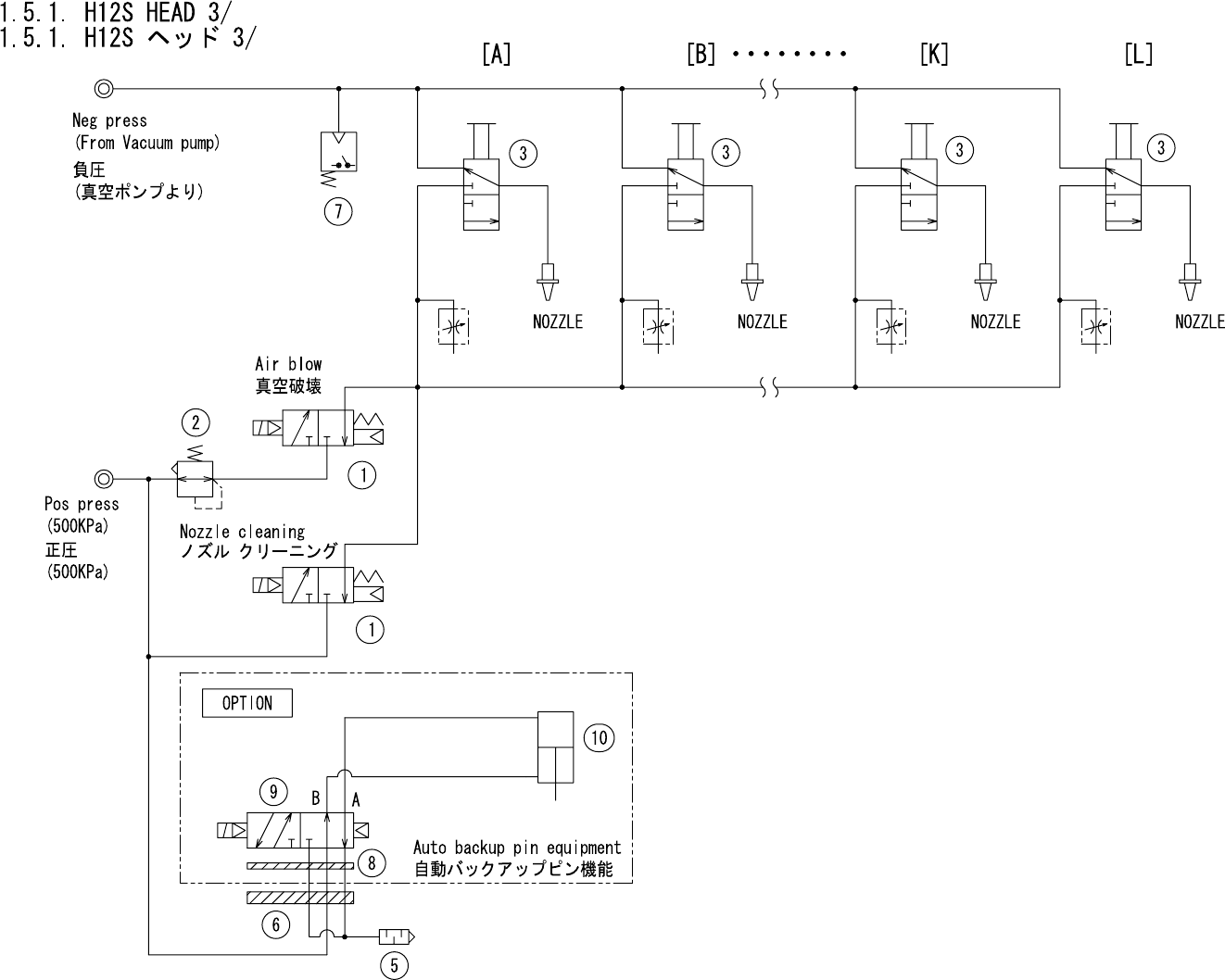
1.5.1 H12S HEAD 3/
1.5.1 H12S ヘッド 3/
UH01506
No. Drg.No. & Code No. QTY Description Rating Materials Remark
番号 図番 & コード番号 個数 品名 規格 材質 備考
1 H1124S 2 VALVE, SOL バルブ SOL VQZ115R-5G-CP-X44 OT
2 XB00762 1 VALVE, PRESSURE REDUCING バルブ 減圧 OT
3 XS01182 12 VALVE, MECHANICAL バルブ メカニカル OT
5 S1058B 1 SILENCER サイレンサ AN120-M3 OT
6 H3176D 1 PLATE プレート SYJ3000-21-2A OT
7 XS00841 1 SENSOR, PRESSURE センサ 圧力 OT
8 PJ06031 1 PLATE, ACRYLIC プレート アクリル OT
9 H1122D 1 VALVE, SOL バルブ SOL SYJ3140-5M0U OT
10 XS01841 1 CYLINDER シリン
ダ
OT
1. PARTS PLACING / 部品装着 61 PTS-NXT-06JE

A
QK30301
1. PARTS PLACING / 部品装着 62 PTS-NXT-06JE