NXT part list(Vol.1-Vol.3).pdf - 第96页
A UH00812 1. PARTS PLACING / 部品装着 96 PTS-NXT-06JE

1.5.5. H04 HEAD 3/
1.5.5. H04 ヘッド 3/
UH00812
No. Drg.No. & Code No. QTY Description Rating Materials Remark
番号 図番 & コード番号 個数 品名 規格 材質 備考
73 PH00310 4 HOLDER ホルダ PL
74 XH00400 4 FILTER フィルタ OT
75 A5188S 8 O RING Oリング ゚3.0X0.5(FKM70) OT
76 A51906 8 O RING Oリング ゚4.20X0.53(FKM70) OT
77 PZ14370 2 SPRING スプリング OT
78 H5065A 2 BALL, STEEL ボール スチール 3M/M FE
79 R5006A 2 ROLLER, NEEDLE ローラ ニードル ゚2.0X 6.8 OT
80 XS01181 4 SPOOL スプール OT
81 PM35010 4 GUIDE ガイド AL
82 H5267A 4 BOLT, HEX SOCKET ボルト 六角穴 M02X008 FE
83 A50545 3 O RINGO RING OリングOリング ゚17.9X1.1(NBR) OT
1. PARTS PLACING / 部品装着 95 PTS-NXT-06JE

A
UH00812
1. PARTS PLACING / 部品装着 96 PTS-NXT-06JE

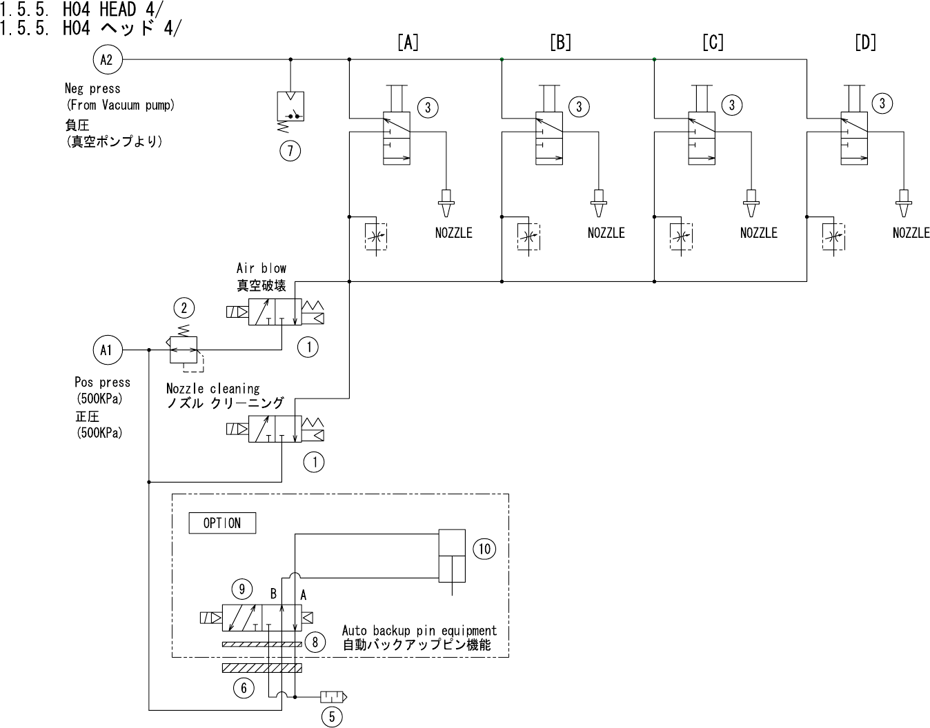
1.5.5. H04 HEAD 4/
1.5.5. H04 ヘッド 4/
UH00812
No. Drg.No. & Code No. QTY Description Rating Materials Remark
番号 図番 & コード番号 個数 品名 規格 材質 備考
1 H1124S 2 VALVE, SOL バルブ SOL VQZ115R-5G-CP-X44 OT
2 XB00762 1 VALVE, PRESSURE REDUCING バルブ 減圧 OT
3 XS01182 4 VALVE, MECHANICAL バルブ メカニカル OT
5 S1058B 1 SILENCER サイレンサ AN120-M3 OT
6 H3176D 1 PLATE プレート SYJ3000-21-2A OT
7 XS00841 1 SENSOR, PRESSURE センサ 圧力 OT
8 PJ06031 1 PLATE, ACRYLIC プレート アクリル FE
9 H1122D 1 VALVE, SOL バルブ SOL SYJ3140-5M0U FE
10 XS01841 1 CYLINDER シリン
ダ
FE
1. PARTS PLACING / 部品装着 97 PTS-NXT-06JE