NXT part list(Vol.1-Vol.3).pdf - 第168页
3. BASE / ベース 168 PTS-NXT-06JE

3.1.2. 2M-BASE CONTROL BOX 2/
3.1.2. 2M-ベースコントロールBOX 2/
UB00621
No. Drg.No. & Code No. QTY Description Rating Materials Remark
番号 図番 & コード番号 個数 品名 規格 材質 備考
1 PB34062 1 COVER カバー FE
2 PB34041 1 PLATE プレート FE
3 H5298A 2 BOLT, HEX SOCKET ボルト 六角穴 M05X010 FE
4 W1023A 2 WASHER, LOCK ワッシャ スプリング 5M/M FE
5 PB62370 3 BKT BKT FE
6 H5287A 6 BOLT, HEX SOCKET ボルト 六角穴 M04X008 ゼンネジ FE
7 W1022A 6 WASHER, LOCK ワッシャ スプリング 4M/M FE
11 PB34052 1 PLATE プレート FE
11.1 H5298A 2 BOLT, HEX SOCKET ボルト 六角穴 M05X010 FE
11.2 W1023A 2 WASHER, LOCK ワッシャ スプリング 5M/M FE
11.3 H5292A 1 BOLT, HEX SOCKET ボルト 六角穴 M04X020 FE
11.4 W1022A 1 WASHER, LOCK ワッシャ スプリング 4M/M FE
12 PB34131 1 BKT BKT FE
13 H5287A 2 BOLT, HEX SOCKET ボルト 六角穴 M04X008 ゼンネジ FE
14 W1022A 2 WASHER, LOCK ワッシャ スプリング 4M/M FE
15 PB34141 1 BKT BKT FE
16 H5287A 2 BOLT, HEX SOCKET ボルト 六角穴 M04X008 ゼンネジ FE
17 W1022A 2 WASHER, LOCK ワッシャ スプリング 4M/M FE
18 PZ17520 1 SEAL シール FE
3. BASE / ベース 167 PTS-NXT-06JE

3. BASE / ベース 168 PTS-NXT-06JE

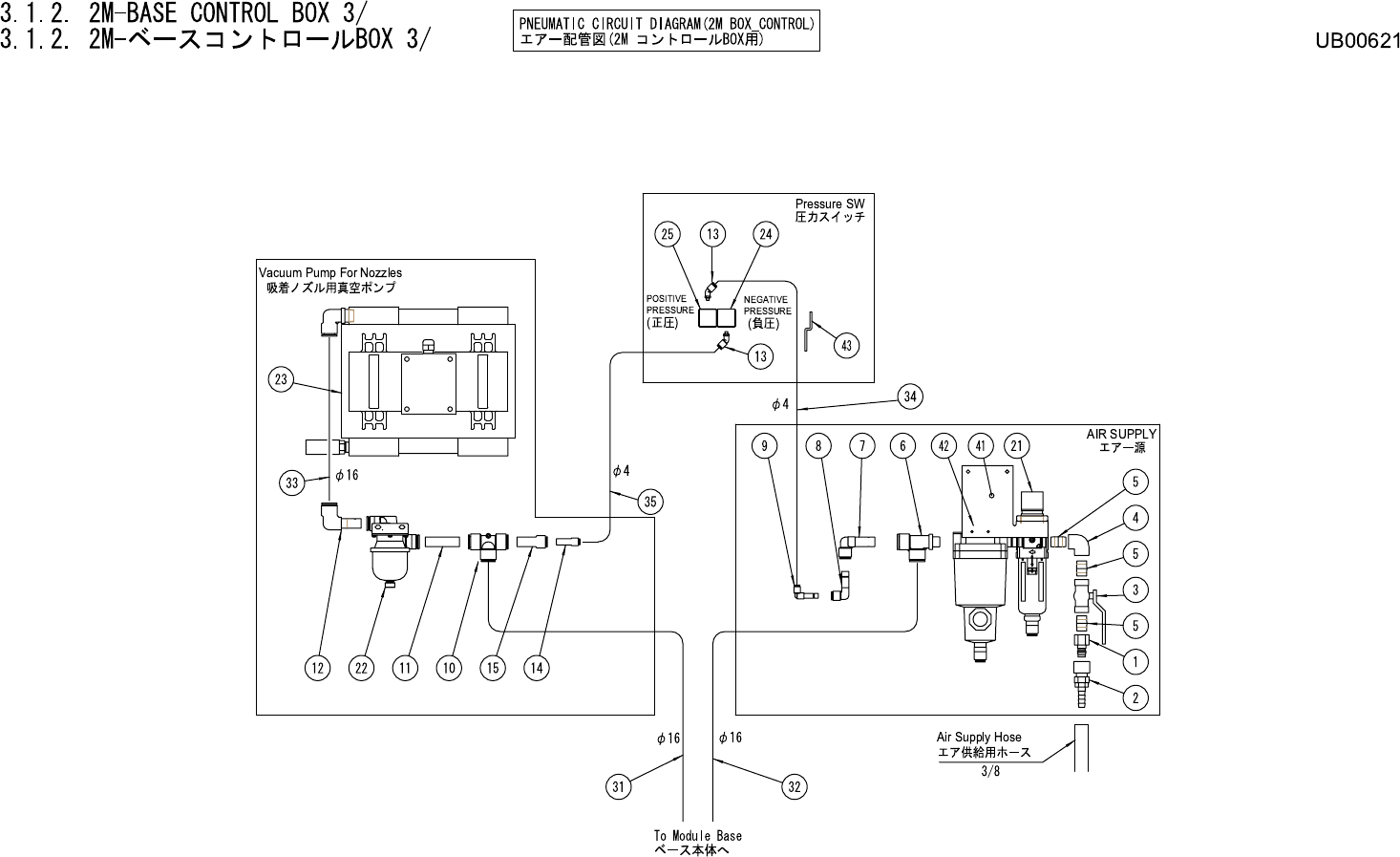
3.1.2. 2M-BASE CONTROL BOX 3/
3.1.2. 2M-ベースコントロールBOX 3/
UB00621
No. Drg.No. & Code No. QTY Description Rating Materials Remark
番号 図番 & コード番号 個数 品名 規格 材質 備考
1 H3149K 1 PLUG, COUPLER プラグ カプラ CAL23PF OT
2 S5220A 1 SOCKET, COUPLER ソケット カプラ CAL23SH OT
3 H1059T 1 VALVE, BALL バルブ ボール RP-LL 3/8 OT
4 A4061A 1 ELBOW エルボ 3/8 OT
5 H1282A 3 PIPE, DOUBLE ENDED パイプ 両口 3/8x25 OT
6 Y3043S 1 UNION ユニオン KQ2Y16-03S OT
7 A4151A 1 ELBOW エルボ KQ2L12-16 OT
8 A4151B 1 ELBOW エルボ KQ2L08-12 OT
9 A4066S 1 ELBOW エルボ KQ2L04-08 OT
10 Y3074Z 1 UNION ユニオン KQ2T16-00 OT
11 N2033Y 1 NIPPLE ニップル KQ2N16-99 OT
12 A40687 1 UNION, ELBOW ユニオン エルボ KQL16-99 OT
13 Y3077B 2 UNION, ELBOW ユニオン エルボ KQ2K04-M5 OT
14 Y30685 1 UNION ユニオン KQ2R04-10 OT
15 Y3069R 1 UNION ユニオン KQ2R10-16 OT
21 XH00120 1 FILTER REGULATOR フィルタ レギュレータ OT
22 H3022Z 1 FILTER フィルタ VFR20-16-16 OT
23 XP00530 1 PUMP, VACUUM ポンプ バキューム DOP-300SA OT
24 S31575 1 SW, PRESSURE SW プレッシャ ISE30-01-65-ML OT
25 S3158R 1 SW, PRESSURE SW プレッシャ ZSE30-01-65-ML OT
31 PZ23540 1 TUBE チューブ OT TU1611 L=3250
32 PZ23550 1 TUBE チューブ OT TU1611 L=3400
33 PZ13570 1 TUBE チューブ OT TU1611 L=650
34 PZ23560 1 TUBE チューブ OT TU0425 L=350
35 PZ23570 1 TUBE チューブ OT TU0425 L=470
41 PB20931 1 BKT BKT FE
42 PB23100 1 BKT BKT FE
43 PB20962 1 BKT BKT FE
3. BASE / ベース 169 PTS-NXT-06JE