CP8机械手册.pdf - 第109页
保养作业 >> 加 油 MEC-CP-842-1 .0S 5-45 5.2.21 旋转式吸嘴头定位销的加油处 插图内的箭头表示加油处。请在 定位销处于押下的状态下加油。 C746M3T22 C84PHD003

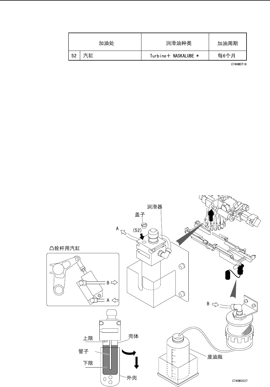
保养作业 >> 加 油
5-44 MEC-CP-842-1.0S
5.2.20 凸轮杆用气缸的加油处
备注 ) 使用的润滑油是富士特制的润滑油 (Turbine + NASKALUBE)。
必要的时候请向代理商或者向富士公司定货。
方 法
1 用一字形螺丝刀旋开润滑器的盖子。
2 下降润滑器外壳。
3 将润滑油慢慢地从润滑器的注入口内注入。请一边注入一边确认壳体内的油面,使
注入量不要超过油面上限。
备注 ) 能够注入润滑油的最大量约为 75CC。如果壳体里的管子前端没有接触到油面时不能
给油。
4 将润滑器外壳返回原处,并将润滑器的盖子拧紧。
5 确认废油瓶的状态,请将留在瓶中的废油取掉。
注意 ) 对于被排出的废油,请遵照当地有关废弃物处理的规定进行处理。

保养作业 >> 加 油
MEC-CP-842-1.0S 5-45
5.2.21 旋转式吸嘴头定位销的加油处
插图内的箭头表示加油处。请在定位销处于押下的状态下加油。
C746M3T22
C84PHD003

保养作业 >> 加 油
5-46 MEC-CP-842-1.0S
5.2.22 加油检查清单