CP8机械手册.pdf - 第178页
调 整 >> 站的各 部 7-40 MEC-CP-842-1.0S 7.1.12 机械阀的切换 (第 13 站) 要 点 通过 13 ST 的机械阀进行吸嘴内真空的 OFF/ON 的切换动 作。 将真空切换为 OFF 时, 吸嘴 内的负压消失, 元件失去吸着 力。 请确认被影像处理判断为 NG 的元件是否在 13ST 排出。 阀切换单元的位置调整 请在完成了贴装时吸嘴上下动作 的调整后,在 Low 气阀贴装工作头上进行此调整…

调 整 >> 站的各部
MEC-CP-842-1.0S 7-39
1 按下 [ 紧急停止 ] 按钮,切断 200V 电源,只使用 100V。
2 将设定开关设置为 [D ON]。
3 将模式切换开关设置为 [SET]。
此时数字显示:1
4 在离合器啮合检查传感器检测出挡片检测孔的状态下 (传感器 ON),按下
[TUNING] 按钮。
此时数字显示:2
5 在离合器啮合检查传感器不检测出挡片检测孔的状态下 (传感器 OFF), 按 下
[TUNING] 按钮。
此时数字显示:9
6 将模式切换开关设置为 [RUN]。
7 确认放大器在设定后的数字显示:传感器 ON 时为 0~1。此外为 8~9。
警 告
作业前必须要切断 200V 电源。
凸轮轴在初始位置 (0 度)以外的情况时,因为弹簧弹力的作用,会发生
回转。
在机器内部作业时有危险,请充分注意安全。

调 整 >> 站的各部
7-40 MEC-CP-842-1.0S
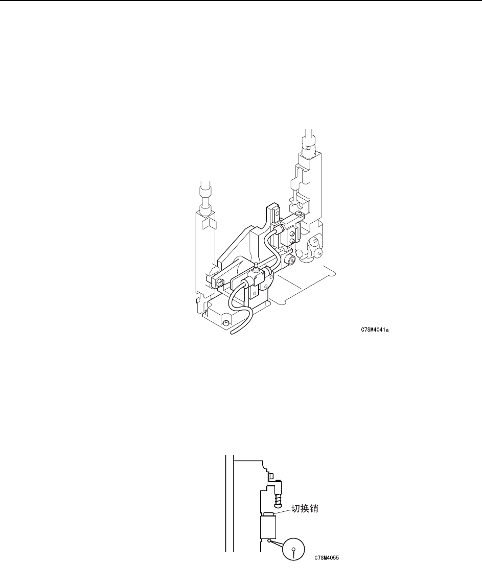
7.1.12 机械阀的切换 (第 13 站)
要 点
通过 13ST 的机械阀进行吸嘴内真空的 OFF/ON 的切换动作。将真空切换为 OFF 时,吸嘴
内的负压消失,元件失去吸着力。请确认被影像处理判断为 NG 的元件是否在 13ST 排出。
阀切换单元的位置调整
请在完成了贴装时吸嘴上下动作的调整后,在 Low 气阀贴装工作头上进行此调整。(参照
7.1.9 元件贴装时吸嘴的上下动作)。所谓 Low 气阀贴装工作头,是指切换销在如下图所示
的升起状态时,测定所有贴装工作头的切换销下面的高度,高度最低的那个贴装工作头。

调 整 >> 站的各部
MEC-CP-842-1.0S 7-41
1 按下 [ 紧急停止 ] 按钮,切断 200V 电源,只使用 100V。
2 使用微动操作,将 Low 气阀贴装工作头移动到 12ST。
3 拆下机械阀。
注意 ) 机械阀的安装面上装有 2 个 O 型密封圈。在拆下机械阀时,请注意不要使 O 型密封圈
落到机器内。另外,如果没有必要请不要分解机械阀。
4 将出芯治具 (Z9827DGPJ032*)的上面顶住轴侧安装槽的上面,然后将治具右端
靠压在支气管 (黑色树脂制)内。
5 用 0.8N·m(8Kgf·cm) 的转矩拧紧安装螺栓使其固定。
6 将 Low 气阀贴装工作头移动到 13ST。
警 告
作业前必须要切断 200V 电源。
凸轮轴在初始位置 (0 度)以外的情况时,因为弹簧弹力的作用,会发生
回转。
在机器内部作业时有危险,请充分注意安全。
C84PHD002
C84PHD005