CP8机械手册.pdf - 第152页
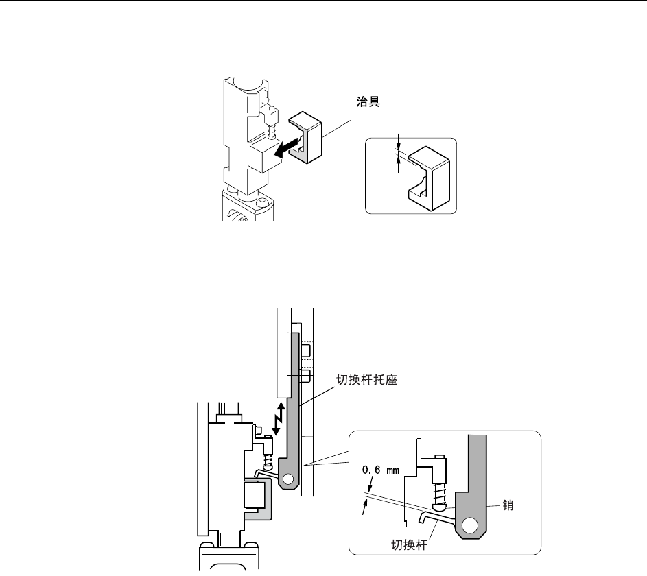
调 整 >> 站的各 部 7-14 MEC-CP-842-1.0S 4 按照图示方向,将专用治具 ( Z9827DGPJ029* )从旁边插入气阀部。 5 将销与切换杆之间的间隙调整到 0.6mm 。此调整通过上下移动切换 杆托座进行。 6 拆除专用治具 ( Z9827DGPJ029* )。 7 将凸轮角度回到 0 度。 将 1ST 吸嘴上下电磁阀设 置为 ON , 使凸轮杆开始动作。 使用 伺服计数器,确认固有值 PICK…

调 整 >> 站的各部
MEC-CP-842-1.0S 7-13
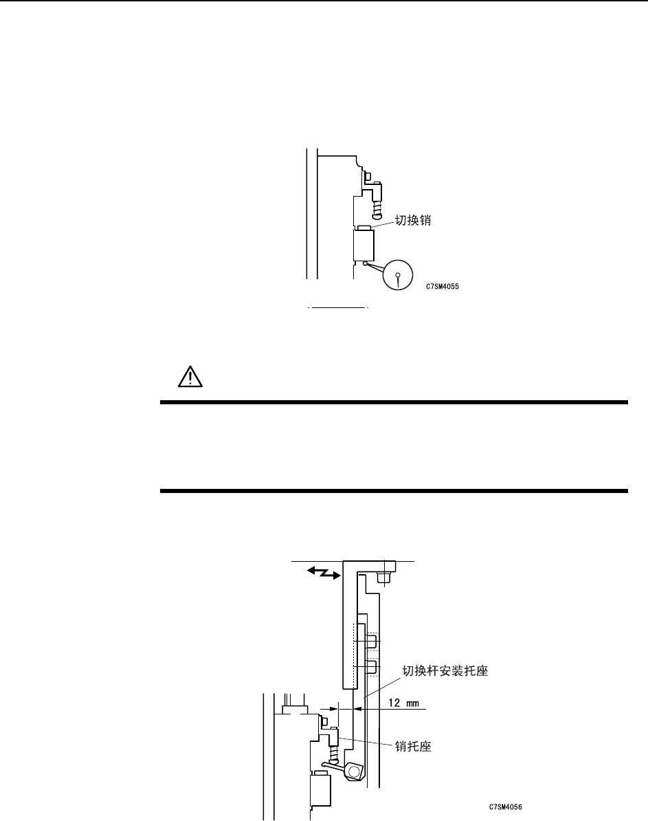
阀切换杆高度的调整
请在已经完成了吸件时吸嘴的上下动作的调整后,在 Low 气阀贴装工作头上进行此调整。
(参照 7.1.3 吸件时吸嘴的上下动作)。所谓 Low 气阀贴装工作头,是指切换销在如下图所
示的升起状态时,测定所有贴装工作头的切换销下面的高度,高度最低的那个贴装工作头。
1 按下 [ 紧急停止 ] 按钮,切断 200V 电源,只使用 100V。
2 调整切换杆安装托座的位置,使之与销托座的距离为 12mm。
3 在 1ST 吸嘴上下电磁阀为 OFF 状态时,边看凸轮刻度盘边旋转凸轮手柄,将凸轮角
度调整到 170 度。
警 告
作业前必须要切断 200V 电源。
凸轮轴在初始位置 (0 度)以外的情况时,因为弹簧弹力的作用,会发生
回转。
在机器内部作业时有危险,请充分注意安全。

调 整 >> 站的各部
7-14 MEC-CP-842-1.0S
4 按照图示方向,将专用治具 (Z9827DGPJ029*)从旁边插入气阀部。
5 将销与切换杆之间的间隙调整到 0.6mm。此调整通过上下移动切换杆托座进行。
6 拆除专用治具 (Z9827DGPJ029*)。
7 将凸轮角度回到 0 度。将 1ST 吸嘴上下电磁阀设置为 ON,使凸轮杆开始动作。使用
伺服计数器,确认固有值 PICK UP POS.NZ 的数值 (伺服计数器值在 4000pulses
左右)。
8 一边看着凸轮刻度盘,再次旋转凸轮手柄,将凸轮角度调整到 170 度。
C84PHD001
( Z9827DGPJ029*)
3.2 mm
C7SM4020b

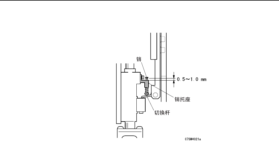
调 整 >> 站的各部
MEC-CP-842-1.0S 7-15
9 确认被切换杆顶起的销与销托座的间隙为 0.5~1.0mm。