JM-10_使用说明书.pdf - 第256页
第 1 部 基本篇 第 3 章 维护 3-8 1) 请目检确认贴片头单元正面部过滤器箱内的空气过 滤 器没有脏污。 ✎ 检查过滤器脏污的方法 ✎ 在主画面上选择 「维护」 → 「机器自动校准」 , 再执行 「设 置组」→「真空 校准」 。 (参见「 9-2-4 真空校准 」 )执行 结果若有问题, 会显示提 示,敦促更换。 2) 有脏污时,请 更换新过滤器 。 1) 把过滤器箱的「 固定螺丝 ②」拧松,取下 「过滤器 箱 U ① 」。 …

第 1 部 基本篇 第 3 章 维护
3-7
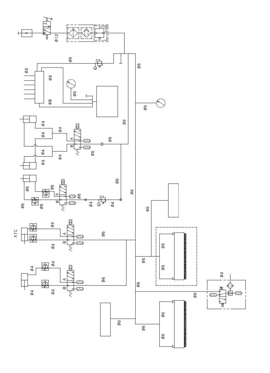
(3)管道系统图(真空泵选购项时) (M/C RevD 以前)
耦合器
手动阀
空气
组合箱
真空表
吸嘴
喷射泵单元
真空泵
Head 上升汽缸
检查阀
压力表
BU 台
GAL 块
止动器
顶推针(前)
顶推针(后)
连接器 BR(后)
连接器 BR(前)
选择式(选择
BW 供料器台架时时无)
送料针 (后)
送料针 (前)

第 1 部 基本篇 第 3 章 维护
3-8
1) 请目检确认贴片头单元正面部过滤器箱内的空气过滤
器没有脏污。
✎
检查过滤器脏污的方法
✎
在主画面上选择「维护」→「机器自动校准」,再执行「设
置组」→「真空校准」。(参见「9-2-4 真空校准」)执行
结果若有问题,会显示提示,敦促更换。
2) 有脏污时,请更换新过滤器。
1)
把过滤器箱的「固定螺丝②」拧松,取下「过滤器箱 U① 」。
2) 检查「过滤器③」有无脏污。
3) 若有脏污,请把「过滤器箱 L④」中的「过滤器③」更换下来。
4) 把「过滤器③」插入「过滤器箱 L④」,差到底,用「固定螺丝②」固定好。
(安装扭矩:0.7N、m)
此时,请确认「O 环 F2⑤」是否正好套进「过滤器箱 L④」的沟里。
检查项目
3-2-5 空气过滤器(LNC60)
实施频度 :每月
检查内容
检查空气过滤器脏污
更换 更换新的空气过滤器 使用工具 :螺丝刀
更换标准: 6 个月
过滤器③ 品目编号:40046646
③
④
②
⑤
①

第 1 部 基本篇 第 3 章 维护
3-9
1) 请检查传送带有无明显的磨损、破损、松弛。
2) 有磨损、破损等时,请更换新的传送带。
1)把安装在各传送带的 A 部位长孔的「传送滑轮(前后 2 处)
」松开,放松传送带的张力。
2) 请从传送滑轮上拆下传送带,进行更换。
3) 请调整传送带的张力。(各传送带均同样。)
① 传送带处于松弛状态时(在传送带上
没有张力的状态),
请在传送带上平坦部分“B” 间距200mm
处,用“油性笔”做2处标记。
② 按照与1)相反的步骤,转动「A部
」的
「传送滑轮
」,撑紧传送带张力,在2处
标记的间距达到201mm的位置上,拧紧
传送滑轮。
③ 安装完毕后,执行「手动控制」动作
数分钟,检查有无异常声音、脱落等问题。
④ 1周以后再检查1次张力。
传送带品目号
传送带品目名
40107791
CONVEYOR BELT C
40107792
CONVEYOR BELT L
40107793
CONVEYOR BELT R
检查项目
3-2-6 传送带
实施频度 :每周
检查内容 检查传送带的磨损、破损、松弛
更换 更换传送带
使用工具:
螺丝刀、扳钳
更换标准 : 1 年
传送带
A
A
A
CONVEYOR BELT L
CONVEYOR BELT C
下图表示的是后侧(远侧)的
图。前侧(近侧)的也同样。
前部的背侧
CONVEYOR BELT R