KE-3010A_20VA_20VRA_使用说明书.pdf - 第1242页
第 2 部 功能详解篇 第 14 章 程序补充 14-5 TSOP-1 引脚长 度 外型尺寸 纵 外型尺寸 横 引脚间 距 元件高 度 + TSOP-2 引脚长度 外型尺寸 纵 外型尺寸 横 引脚间距 元件高度 + BGA 、 FBGA( 仰视图 ) 一般配置型 交错配置型 球直径 球间距 外形尺寸 外 形 尺 寸 A1 或第 1 针 球直径 球间距 外形尺寸 外 形 尺 寸 A1 或第 1 针

第 2 部 功能详解篇 第 14 章 程序补充
14-4
QFJ(PLCC)
BQFP(PQFP)
外形尺寸 横
外形尺寸 纵
元件高度
引脚间距
外形尺寸 横
外形尺寸 纵
元件高度
引脚长度
引脚间距
引脚长度

第 2 部 功能详解篇 第 14 章 程序补充
14-5
TSOP-1
引脚长
度
外型尺寸
纵
外型尺寸 横
引脚间
距
元件高
度
+
TSOP-2
引脚长度
外型尺寸 纵
外型尺寸 横
引脚间距
元件高度
+
BGA、FBGA(仰视图)
一般配置型 交错配置型
球直径
球间距
外形尺寸
外
形
尺
寸
A1 或第
1 针
球直径
球间距
外形尺寸
外
形
尺
寸
A1 或第
1 针

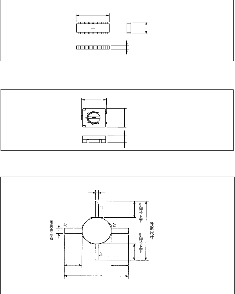
第 2 部 功能详解篇 第 14 章 程序补充
14-6
网络电阻
外形尺寸
横
元件高
度
外型尺寸
纵
微调电容器
外型尺寸
横
元件高
度
外型尺寸
纵
GaAsFET(仰视图)
外形尺寸
Source
Gate
Source
Drain
引脚长左右 引脚长左右
引脚宽上下