KE-3010A_20VA_20VRA_使用说明书.pdf - 第438页
第 1 部 基本篇 第 4 章 制作生产程序 4-42 4-3-4 贴片数据 输入与贴片元件的贴片坐标有关的信息。 多电路板时,输入相对于 “ 基准电路 ” 的信息。 贴片点数:与单板基板、多电路板无关,总点数最多可输入 10 , 000 点。 4-3-4-1 贴片数据画面的显示 制作基板数据后, 单击画面上方的 「贴片数据」 选项卡, 可显示贴片数据制作画面 ( 下图为制作完 成的示例 ) 。 设置为跳过 ( 包含元件数据的跳过设置)…

第 1 部 基本篇 第 4 章 制作生产程序
4-41
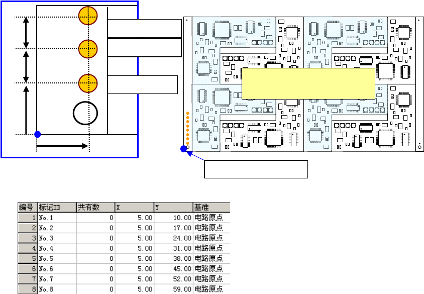
◆ 非矩阵电路板
按照电路配置中所设定的点论顺序。
顺序遵照电路配置的 No。
5mm
10mm
7mm
7mm
基板位置基准(基板原点)
对应电路 No.1
对应电路 No.2
对应电路 No.3

第 1 部 基本篇 第 4 章 制作生产程序
4-42
4-3-4 贴片数据
输入与贴片元件的贴片坐标有关的信息。
多电路板时,输入相对于“基准电路”的信息。
贴片点数:与单板基板、多电路板无关,总点数最多可输入 10,000 点。
4-3-4-1 贴片数据画面的显示
制作基板数据后,单击画面上方的「贴片数据」选项卡,可显示贴片数据制作画面(下图为制作完
成的示例)。
设置为跳过 (包含元件数据的跳过设置)时,显示会变为橙色,如下所示。

第 1 部 基本篇 第 4 章 制作生产程序
4-43
4-3-4-2 制作贴片数据
输入“贴片ID”、“贴片位置X”、“贴片位置Y”、“贴片角度”、“元件名”。
在其他项目(Head、标记、区域坏板标记、跳过、试打、层)将自动输入初始值。
请仅对必要的项目进行变更。
另外,坐标位置是指从「基板数据」中决定的“基板位置基准(原点)”(多电路板时为基准电路的
“电路原点”)为起点的尺寸。
(1) 供应
显示打开贴片列表画面时的吸取位置。
未决定吸取位置时,显示「*
」。
如果同一元件有多个供料器时,会根据优化决定吸取位置。
如果同一元件没有多个供料器时,则不进行优化也可决定吸取位置。
存在多个相同元件名的吸取数据时,显示第一个的吸取位置,并在其左侧附加‘+’。
不能在本字段进行输入。
(2) 贴片 ID
为浏览贴片位置而设置的记号。对于贴片动作没有直接影响。
。
输入本项后,会在输入默认值的项目里应用默认值,并进行显示
“贴片ID”最多可输入16个文字(仅限英文和数字)。
另外,也可单击其他项目(X坐标等)而省略输入。
此时将自动输入“#”。
(3) 贴片位置 X、Y
输入贴片位置(X、Y)。有从键盘输入数值和示教输入两种输入方法,以及由FlexlineCAD进行数
据变换的方法。
※ 示教时务必在完成BOC校准后进行。未实施BOC校准时,请设置操作选项-示教的「以BOC
排列贴片位置」
尺寸是指从「基板数据」中决定的“基板位置基准(原点)”(多电路板时为“电路原点”)到贴片位置
的(坐标中心)尺寸。
・输入绝对位置 直接输入的值为绝对值。
可在输入的数字前面加上 + 或 - 。
・输入相对位置 在输入数字前加上 ++,输入结果为光标所在字段的值加输入值。
在输入数字前加上 --,输入结果为光标所在字段的值减输入值。
在输入数字前加上 +=,输入结果为光标所在字段上一行字段的值加输入值。
在输入数字前加上 -=,输入结果为光标所在字段上一行字段的值减输入值。
(注)++、--、+=、-=之间不要加入空格。
(4)
贴片角度
以「元件数据」的“元件供应角度”为基准,输入贴片角度。(参见4-3-5-2-2的(3)章节)