KE-3010A_20VA_20VRA_使用说明书.pdf - 第56页
第 1 部 基本篇 第 1 章 装置概要 1-37 1-5 对象元件及元件包装 (1) 适用元件尺寸 单位: mm KE-3010A/3010 AC KE-3020V A /3020V RA MNVC ( KE-3010A 为选购项) 激光识别 LNC60 ※根据元件尺寸可吸取的 吸嘴,吸取元件数不同 (注 2 ) (注 4 ) (注 13 ) 0.4 × 0.2 ~□ 33.5 或 对角线长度 47mm - FMLA ( 仅 KE-3…

第 1 部 基本篇 第 1 章 装置概要
1-36
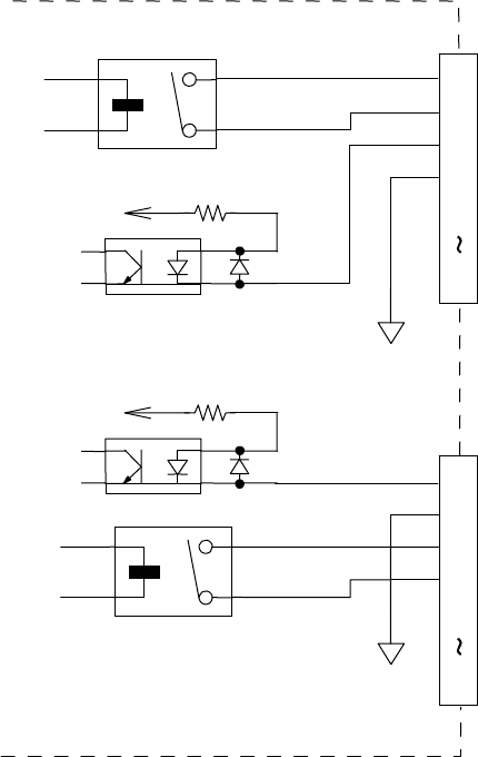
◇ READY OUT(IN) 及 BOARD AVAILABLE 信号的接口电路,参见下图。
依据 SMEMA 规格。
GND(24V)
+
+ 24V
3.3K 1/4W
READY OUT +
BOARD AVAILABLE IN +
READY OUT -
BOARD AVAILABLE IN -
N.C.
1
2
3
4
5
14
READY IN +
BOARD AVAILABLE OUT +
READY IN -
BOARD AVAILABLE OUT -
N.C.
1
2
3
4
5
14
+ 24V
3.3K 1/4W
+
GND(24V)

第 1 部 基本篇 第 1 章 装置概要
1-37
1-5 对象元件及元件包装
(1) 适用元件尺寸 单位:mm
KE-3010A/3010AC KE-3020VA /3020VRA
MNVC
(KE-3010A 为选购项)
激光识别
LNC60
※根据元件尺寸可吸取的
吸嘴,吸取元件数不同
(注 2)(注 4)(注 13)
0.4×0.2~□33.5 或 对角线长度 47mm -
FMLA
(仅 KE-3020VRA)
- 1.0×0.5~□33.5 -
图像统一识别
(注 2)(注 9)
标准摄像机
(视野 54mm)
反射 -
□3.0~□50.0
(注 1)
□3.0~□33.5
(注 1)(注 14)
透过 -
□3.0~□50.0
(注 1)
□3.0~□6.0
(注 1)
高分辨率摄像机
(视野 27mm)
反射
-
1.0×0.5~□24.0
(注 2)(注 12)
1.0×0.5~□20.0
(注 2)(注 12)(注 15)
透过 -
□3.0~□24
(注 2)
□3.0~□6.0
(注 2)
图像分割识别
(注 2)(注 6)
(注 9)
标准摄像机
(视野 54mm)
反射 -
最大:
50×150(1×3 分割时)
□74(2×2 分割时)
未对应
透过 -
最大:
50×120(1×3 分割时)
(注 1)(注 7)
未对应
高分辨率摄像机
(视野 27mm)
反射 -
24×72(1×3 分割时)
□48(2×2 分割时)
未对应
因机型规格不同
最大高度不同
SC(T=6mm)
NC(T=12mm)
HC(T=20mm)
EC(T=25mm)
LNC60 0.08(0402 时)~T
FMLA
(仅 KE-3020VRA)
- 0.3~T -
VCS 统一识别 -
CDS 0.4~T
(注 5)
0.08~T
FMLA 0.1~T
VCS 分割识别 -
CDS 0.4~T
(注 5)
未对应
FMLA 0.1~T
KE-3010A
/3010AC
KE-3020VA
/3020VRA
MNVC
(KE-3010A 为选购项)
引脚间距
激光识别
LNC60
0.65 以上 -
FMLA
(仅 KE-3020VRA)
- 0.65 以上 -
VCS 识别
标准摄像机 - 0.38~2.54
高分辨率摄像机 - 0.20~2.54
球间距
激光识别
LNC60
1.00~1.27 -
FMLA
- 1.00~1.27 -
VCS 识别
标准摄像机 - 1.00~3.00
高分辨率摄像机 - 0.25~2.00
球径 VCS 识别
标准摄像机 - φ0.4~φ1.0
高分辨率摄像机 - φ0.1~φ0.63
第 1 部 基本篇 第 1 章 装置概要
1-38
注 1:标准 VCS 的适用元件,最小尺寸为□3.0mm 模部尺寸为□1.7mm 以上。
最大尺寸,包括元件设置位置及用 Head 吸取时的示教误差在内,识别时的识别范围,使
用标准 VCS 时,应在□52mm 视野范围内。
MNVC 的适用元件最大尺寸,吸取时 XY 误差在±1mm 以下,角度误差±3°以下。
超过□10mm 的元件要适用 MNVC 时,对邻接的 Head 不能分配元件。
透射照明识别元件,在从元件边界起 1.3mm 以内位置吸取时,有时因为吸嘴的影子,识别
不稳定。
注 2:选购项 VCS 的适用元件,最小尺寸为 1.0×0.50mm。
最大尺寸,包括元件设置位置及 Head 吸取时的示教误差在内,为识别时的识别范围应在□
25mm 视野范围内。
MNVC 适用的最大元件尺寸,吸取时的 XY 误差为±1mm 以下,角度误差为±3°以下。
超过□10mm 的元件要适用 MNVC 时,对邻接的 Head 不能分配元件。
透射照明识别,在元件边界起 1.3mm 以内位置进行吸取时,因吸嘴的影子,有时不能稳定
地吸取。大型元件的透射照明,请使用标准 VCS。
注 3:元件外形尺寸对角为 88mm 以上时,为了避免与 LNC 接触,可贴片的元件高度要受到限制。
注 4:□10mm 的,在程序上作为对角 15mm(□10.6mm)处理。
注 5:通用图像元件型的引脚元件(多间距
插口等)的可识别间距,则有别于上表,标准为 VCS
为:0.50~22.0mm,选购项高分辨率 VCS 为:0.30~11.0mm。
注 6:通用图像元件型的球元件(复合阵列等)的可识别间距,与上表不同,
标准 VCS 为:1.0~22.0mm,选购项高分辨率 VCS 为:0.25~11.0mm。
注 7:采用透射识别进行分割识别时,最小宽度应为 17mm 以上。
在此以下时,会映入吸嘴上下用的孔,为识别精度保障之外。
注 8:使用透射照明进行引脚识别时,因不采用完全的平行光,引脚显示较细。
而且视野的一部分领域,因为把从下面照射的光线反射到 Head 的背景板作为透射光利用,
因此引脚位置在从下面的光照射领域时,在引脚面反射,使得引脚显得更细,有时甚至看
不见。因此透射照明的引脚识别,不列入精度保证范围内。
注 9:外形识别元件,不能进行 2×2 分割识别。
注 10:引脚长度,用标准 VCS 可识别到 0.4mm,用选购项高分辨率 VCS 可识别到 0.14mm。
但 0.4mm 以下时,引脚前端形状不是平面时,不在精度保証范围内。
注 11:激光识别,对引脚间距、球间距均不能识别。
注 12:对适用元件类型清单中列为不适用的元件类型(1.0×0.5~□3mm 尺寸的电阻芯片等)要
进行图像识别时,请作为通用图像元件进行识别。