KE-3010A_20VA_20VRA_使用说明书.pdf - 第542页
第 1 部 基本篇 第 4 章 制作生产程序 4-146 1) 供料器(不间断生产) a )否 不执行不间断运行,对前后台架进行不同的供料器配置。 b ) 速度优先 为了进行不间断运行,在前后台架上将供料器配置按线对称配置元件。 c ) 交换优先 为了进行不间断运行,在前后台架上将供料器配置按点对称配置元件。 ( 在 KE-3020VA/3020VRA 时不能选择 ) 2) 主从 对执行不间断生产时,以前面或是后面台架作为主要(主台架)…

第 1 部 基本篇 第 4 章 制作生产程序
4-145
(6)不间断运行选项(出厂选项。KE-3010AC 除外)
仅当配备有“不间断运行选项”时,此设置才有效。
※ 不间断运行:是指不停止机器、连续生产的功能。
例) 在机器采用“前面基准方式”运行时,在前面设置好生产中需要使用的全部供料器,
与此同时,在后面的供料器台上也配置与前面的供料器台完全相同的供料器,使
机器用完前面的供料器元件时,会自动从后面的供料器吸取元件。
此时,只要操作人员不按下主机开关( “不间断运行”用),机器绝对不会移向前面。
操作人员可在生产中补充前面的元件。
在完成元件补充,按下开关后,机器则改从前面的供料器台吸取元件,继续进行
生产。

第 1 部 基本篇 第 4 章 制作生产程序
4-146
1) 供料器(不间断生产)
a )否
不执行不间断运行,对前后台架进行不同的供料器配置。
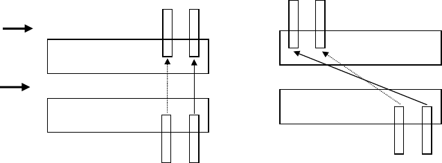
b ) 速度优先
为了进行不间断运行,在前后台架上将供料器配置按线对称配置元件。
c ) 交换优先
为了进行不间断运行,在前后台架上将供料器配置按点对称配置元件。
(在KE-3020VA/3020VRA时不能选择)
2) 主从
对执行不间断生产时,以前面或是后面台架作为主要(主台架)使用进行设置。
a )F → R
以前面为基准进行生产动作,更换元件时在后面进行生产动作。
b ) R → F
以后面为基准进行生产动作,更换元件时在前面进行生产动作。
3) MTC、MTS 的不间断生产设置
对于可对应不间断生产的 MTC(TR6DNV)及 MTS(TR5DNX/TR7DN),设置是否进行不间断
运行。
后
前
F-79
F-75
R-79
R-75
<速度优先> <交换优先>
F-79
F-75
R-5
R-1

第 1 部 基本篇 第 4 章 制作生产程序
4-147
4-4-2 执行优化
在优化条件设置画面中,按下[执行]按钮,开始优化处理。
执行优化时,会显示如下画面。
优化正常结束时,“正在进行优化”画面消失。
发生错误时,则显示错误信息。
在进行优化的过程中,可通过单击[停止]按钮来中断优化。
单击[停止]按钮后,将显示如下的确认信息。