CP7 Series Level3 Tutorial Manual.pdf - 第29页
1.1.2 Installing the X-Axis Motor Procedure: 1. Secure a new motor to the machine with the four (4) allen extension bolts. 2. Reconnect the two (2) electrical connectors to the motor. Note: Do not tighten the coupling at…

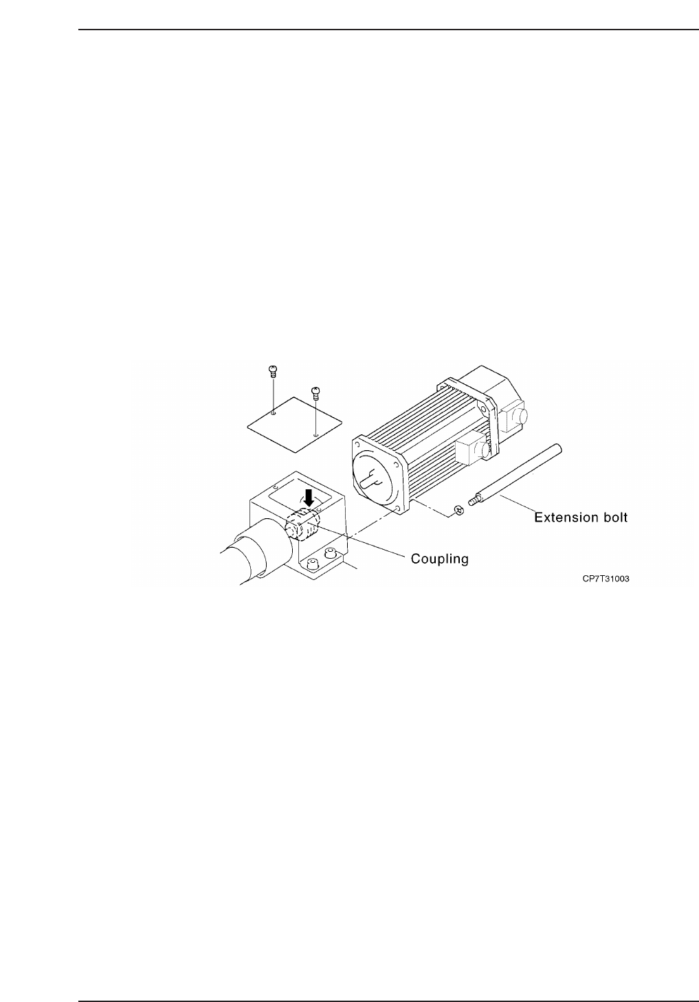
1.1.1 Removing the X-Axis Motor
Procedure:
1. Turn OFF the machine power.
2. Remove the front and left-hand side covers from the machine in order to
gain access to the motor.
3. Retract both the IN and OUT carriers, and widen the machine’s conveyor
rails to allow better access to the machine.
4. Remove the two (2) Phillips head screws securing the cover over the
coupling.
5. Loosen the coupling on the motor side to separate the motor from the
ball screw (refer to the figure below).
6. Disconnect the two (2) electrical connections from the motor.
7. Remove the four (4) allen extension bolts securing the motor to the
machine and then remove the motor.
Chapter 1 1.1 Replacing the X-Motor
Edition 2.0 1-3 CP-7-series Level 3 Tutorial

1.1.2 Installing the X-Axis Motor
Procedure:
1. Secure a new motor to the machine with the four (4) allen extension
bolts.
2. Reconnect the two (2) electrical connectors to the motor.
Note: Do not tighten the coupling at this stage.
Notice
Note that as the CP-7 utilizes absolute encoders on all axes, it is no
longer necessary to boot up the machine in Mechacheck mode when
performing motor adjustments.
N001
Chapter 1 1.1 Replacing the X-Motor
Edition 2.0 1-4 CP-7-series Level 3 Tutorial

1.2 X-Axis Adjustments
Procedure:
CP732E Only
1. Temporarily remove the -OT sensor dog prior to performing the X-axis
adjustments.
2. Either manually, or by means of the inching keys, move the motor until
the pulse count reads -75000 pulses.
3. Place the 155 mm spacer between the X-axis plus mechanical stopper and
the X-axis base (refer to the diagram below). At this point, tighten the
coupling bolts with 7 N.m torque.
4. Remove the spacer and push the X-axis against the plus side mechanical
stopper. Record the motor pulse count at this position.
XY-table
155 mm spacer
X-motor
CP7T31005
X-axis coupling
CP7T31004
- OT sensor
(SX00A X-AXIS -OT)
+ OT sensor
(SX009 X-AXIS +OT)
+ Mechanical stopper
- Mechanical stopper
Chapter 1 1.2 X-Axis Adjustments
Edition 2.0 1-5 CP-7-series Level 3 Tutorial