F1FeederPartsList.pdf - 第1142页
在线预览 F1FeederPartsList.pdf PDF 文档。

I・pulse F1 Series
F1-56 (E type)
P 1
No. Code No. Parts Name Q'ty Parts No.
LG4-M9A10-010 BODY ASSY 1 AS2-A56-8101-C
LG4-M9A10-020 BODY ASSY 1 AS3-A56-8101-C
LG4-M6A1M-000 MAIN LEVER ASSY 1 AS-A24-8145
1 LG4-M1A1L-000 THRUST WASHER 1 CTF- 53- 38-02
2 KW1-M4578-000 STUD 2 CTF- 54- 44
3 KW1-M221F-100 STOPPER PIN 1 CTF-M12- 313
4 K87-M211B-000 BACK STOPPER AXIS 1 CTF-M12- 315
5 LG4-M6A19-001 BACK STOPPER SPRING 1 FTA-A24-8114-98
6 KW1-M451H-000 BACK STOPPER 1 FTA-A24-1114
7 LG4-M9A11-002 BODY 1 FTA-A56-8101-C
LG4-M6A12-010 MAIN GUIDE PIN 1 FTA-A24-8102-B
LG4-M6A12-020 MAIN GUIDE PIN 1 FTA-A24-8102-C
LG4-M1A13-500 LOCATE PIN R 1 FTA-E08-8503
LG4-M1A13-510 LOCATE PIN R 1 FTA-E08-8503-B
LG4-M1A14-500 LOCATE PIN F 1 FTA-E08-8504
LG4-M1A14-510 LOCATE PIN F 1 FTA-E08-8504-B
11 LG4-M4A15-000 PLUG HOLDER GUIDE 1 FTA-A12-8105
12 LG4-M1A16-000 PLUG HOLDER 1 FTA-A08-8106
13 LG4-M1A1K-000 LEVER AXIS PIN 1 FTA-A08-8130-B
14 LG4-M6A1R-000 STUD 1 FTA-A24-8144
15 LG4-M6A1N-000 MAIN LEVER 1 FTA-A24-8145
16 LG4-M6A1P-000 ARM 1 FTA-A24-8147
17 K87-M56C1-000 BARB CONNECTOR 1 BF4BU
18 LG4-M1AB2-000 PLUG 1 MA-MC05PM
19 LG4-M6ABA-000 AIR HOSE 1 U4B-180
20 K87-M111Y-000 SCREW,SET 1 3MY-4-F
21 K87-M23B3-000 SCREW,SET 2 3MY-5
22 LG4-M1AD1-000 CIRCULAR RIVET 1 2-8
23 K87-M1115-000 CIRCULAR RIVET 1 2-10
24 LG4-M1AD2-000 CIRCLIP C 1 STW-7
25 K87-M11B9-000 CIRCLIP E 3 E.24
26
27
28
※1…F1-56-162E~
※1
※1 8
※1 9
※1 10


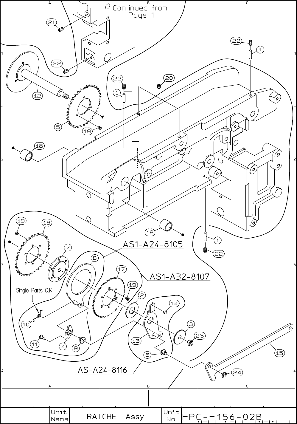
I・pulse F1 Series
F1-56 (E type)
P 2
No. Code No. Parts Name Q'ty Parts No.
LG4-M6A27-001 RACKING M.LEVER ASSY 1 AS1-A24-8105
LG4-M7A20-001 SPROCKET ASSY 1 AS1-A32-8107
LG4-M6A2A-000 RACKING SUB LEV.ASSY 1 AS-A24-8116
1 K87-M111G-100 PUSH PIN 3 CTF-M08- 325
2 LG4-M6A2F-000 THRUST WASHER 1 CTF-A32- 08
3 LG4-M7A2E-000 LEVER METAL 1 FTA-A32-8108
4 K87-M112G-100 RACKING POLE 1 FTA-A08-1111
5 KW1-M4523-000 SPROCKET 1 FTA-A24-1104
6 KW1-M452W-000 STUD 1 FTA-A24-1118
7 LG4-M7A21-000 METAL 1 FTA-A32-8103-B
8 LG4-M6A22-000 RACKING MAIN LEVER 1 FTA-A24-8105
9 LG4-M6A25-000 RACKING POLE AXIS 1 FTA-A24-8110
10 LG4-M6A2G-000 SCREW COIL SPRING 1 FTA-A24-8111-1
11 LG4-M6A26-000 SPRING HOOK PIN 1 FTA-A24-8111-2
12 LG4-M9A2N-000 RATCHET AXIS 1 FTA-A56-8112
13 LG4-M6A2B-000 RACKING SUB LEVER 1 FTA-A24-8116
14 LG4-M6A2C-000 SHUTTER DRIVE PIN 1 FTA-A24-8116-1
15 LG4-M6A2D-000 MAIN ARM 1 FTA-A24-8117
16 LG4-M7A23-000 SPROCKET 1 FTA-A32-8104
17 LG4-M7A24-000 RATCHET 1 FTA-A32-8107
18 KW1-M552F-000 BEARING 2 MB0808DU
19 K87-M111P-000 SCREW,FLAT HEAD+ 9 P2MK-3
20 K87-M111Y-000 SCREW,SET 2 3MY-4-F
21 K87-M23B3-000 SCREW,SET 1 3MY-5
22 K87-M111R-000 SCREW,SET 5 3MY-5-F
23 K87-M55BL-000 U NUT 1 4MH-U-P
24 K87-M11B9-000 CIRCLIP E 1 E.24
25
26
27
28
29
30
31