F1FeederPartsList.pdf - 第980页
8D-3

I・pulse F1 Series
F1-44 (D type)
P 1
No. Code No. Parts Name Q'ty Parts No.
LG4-M8A10-002 BODY ASSY
1
AS-A44-8101-C
LG4-M6A1M-000 MAIN LEVER ASSY
1
AS-A24-8145
1
LG4-M1A1L-000 THRUST WASHER
1
CTF- 53- 38-02
2 KW1-M4578-000 STUD 2 CTF- 54- 44
3
KW1-M221F-100 STOPPER PIN
1
CTF-M12- 313
4
K87-M211B-000 BACK STOPPER AXIS
1
CTF-M12- 315
LG4-M6A19-000 BACK STOPPER RE. SP.
1 CTF- 55- 561
LG4-M6A19-001 BACK STOPPER RE. SP.
1 FTA-A24-8114-98
6 KW1-M451H-000 BACK STOPPER 1 FTA-A24-1114
7
LG4-M8A11-002
BODY 1
FTA-A44-8101-C
8
LG4-M6A12-000
MAIN GUIDE PIN 1
FTA-A24-8102
9
LG4-M1A13-000 LOCATE PIN R
1
FTA-A08-8103-B
10
LG4-M1A14-001 LOCATE PIN F
1
FTA-A08-8104-C
11
LG4-M4A15-000
PLUG HOLDER GUIDE
1
FTA-A12-8105
12
LG4-M1A16-000 PLUG HOLDER
1
FTA-A08-8106
13
LG4-M1A1K-000 LEVER AXIS PIN
1
FTA-A08-8130-B
14
LG4-M6A1R-000
STUD 1 FTA-A24-8144
15
LG4-M6A1N-000 MAIN LEVER
1
FTA-A24-8145
16
LG4-M6A1P-000
ARM 1 FTA-A24-8147
17 K87-M56C1-000
BARB CONNECTOR
1
BF4BU
18
LG4-M1AB2-000 PLUG
1
MA-MC05PM
19
LG4-M6ABA-000 AIR HOSE
1
U4B-180
20 K87-M111Y-000 SCREW,SET 1 3MY-4-F
21 K87-M23B3-000 SCREW,SET 2
3MY-5
22 LG4-M1AD1-000
CIRCULAR RIVET
1
2-8
23
K87-M1115-000 CIRCULAR RIVET
1
2-10
24
LG4-M1AD2-000 CIRCLIP C
1
STW-7
25 K87-M11B9-000
CIRCLIP E
3 E.24
26
27
28
29
30
31
※1...F1-44-301C~
※1
5
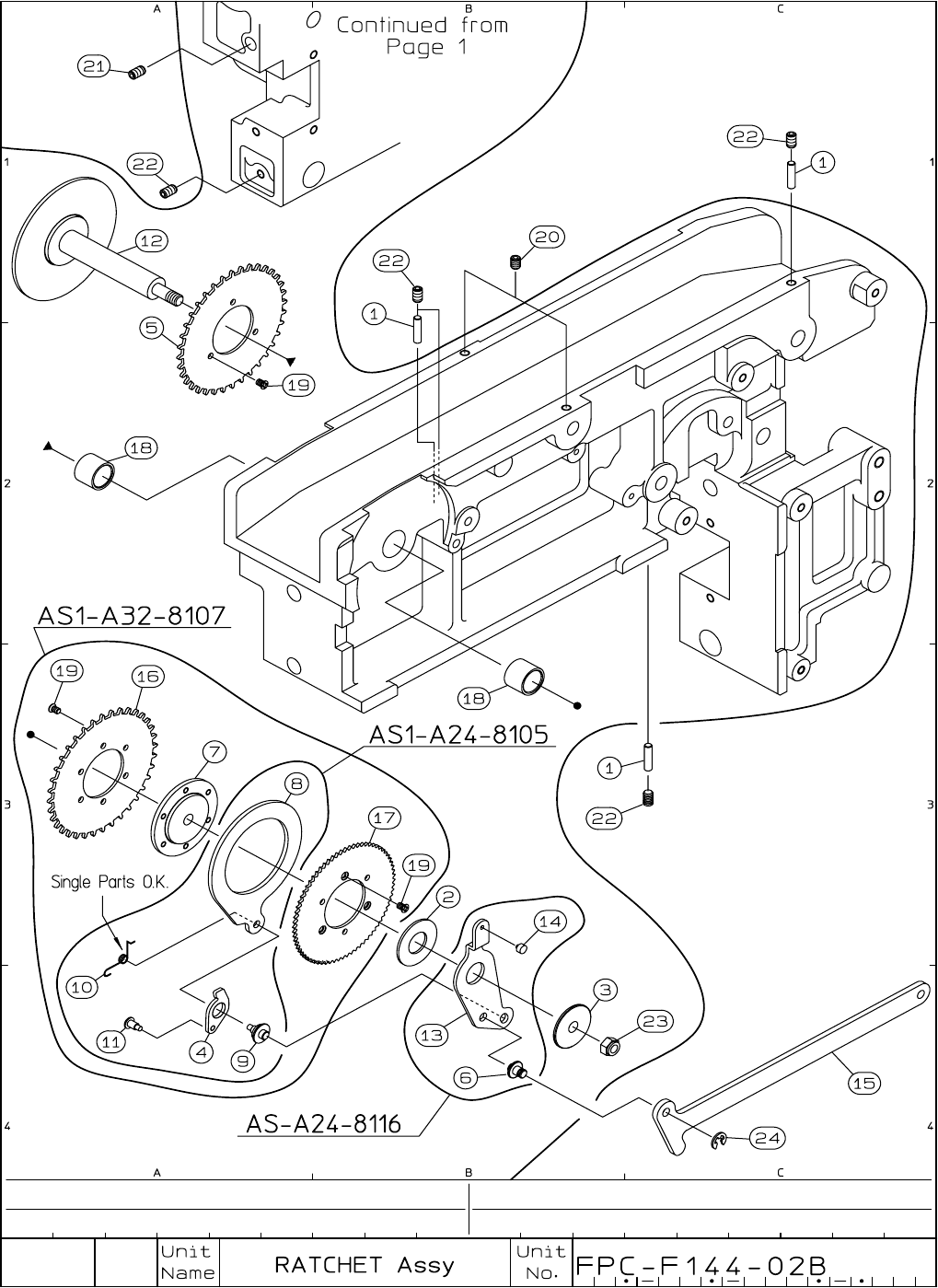
8D-2

8D-3

I・pulse F1 Series
F1-44 (D type)
P 2
No. Code No. Parts Name Q'ty Parts No.
LG4-M6A27-001
RACKING M.LEVER ASSY 1 AS1-A24-8105
LG4-M7A20-001
SPROCKET ASSY 1 AS1-A32-8107
LG4-M6A2A-000
RACKING SUB LEV.ASSY 1 AS-A24-8116
1 K87-M111G-100 PUSH PIN 3
CTF-M08- 325
2 LG4-M6A2F-000
THRUST WASHER
1
CTF-A32- 08
3
LG4-M7A2E-000
LEVER METAL 1 FTA-A32-8108
4 K87-M112G-100 RACKING POLE 1
FTA-A08-1111
5 KW1-M4523-000 SPROCKET 1
FTA-A24-1104
6 KW1-M452W-000 STUD 1 FTA-A24-1118
7 LG4-M7A21-000 METAL 1
FTA-A32-8103-B
8 LG4-M6A22-000 RACKING MAIN LEVER 1
FTA-A24-8105
9 LG4-M6A25-000
RACKING POLE AXIS
1
FTA-A24-8110
10 LG4-M6A2G-000 SCREW COIL SPRING 1
FTA-A24-8111-1
11 LG4-M6A26-000 SPRING HOOK PIN 1 FTA-A24-8111-2
12
LG4-M8A2N-000 RATCHET AXIS
1
FTA-A44-8112
13
LG4-M6A2B-000
RACKING SUB LEVER 1 FTA-A24-8116
14
LG4-M6A2C-000 SHUTTER DRIVE PIN
1
FTA-A24-8116-1
15
LG4-M6A2D-000 MAIN ARM
1
FTA-A24-8117
16 LG4-M7A23-000 SPROCKET 1 FTA-A32-8104
17 LG4-M7A24-000 RATCHET 1
FTA-A32-8107
18 KW1-M552F-000 BEARING 2 MB0808DU
19 K87-M111P-000 SCREW,FLAT HEAD+ 9 P2MK-3
20 K87-M111Y-000 SCREW,SET 2 3MY-4-F
21 K87-M23B3-000 SCREW,SET 1 3MY-5
22 K87-M111R-000 SCREW,SET 5 3MY-5-F
23 K87-M55BL-000 U NUT 1 4MH-U-P
24 K87-M11B9-000
CIRCLIP E
1 E.24
25
26
27
28
29
30
31
8D-4