F1FeederPartsList.pdf - 第89页
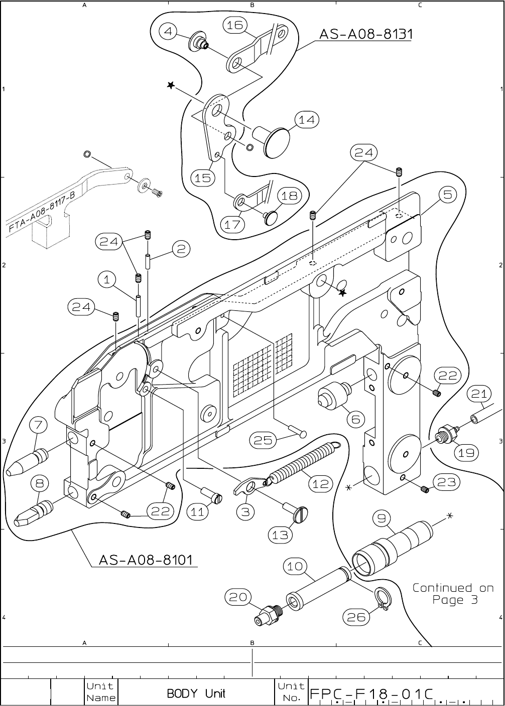
I・pulse F1 Series F1-82-1005(C type) No. Code No. Parts Name Q'ty Parts No. LG4-M1A10-011 BODY ASSY 1 AS -A08-8101 LG4-M1A1M-000 MAIN LEVER ASSY 1 AS -A08-8131 1 K87-M111D-000 PUSH PIN 1 CTF-M08- 25 2 K87-M111G-100 …

2-1

I・pulse F1 Series
F1-82-1005(C type)
No. Code No. Parts Name Q'ty Parts No.
LG4-M1A10-011 BODY ASSY 1 AS -A08-8101
LG4-M1A1M-000 MAIN LEVER ASSY 1 AS -A08-8131
1
K87-M111D-000 PUSH PIN 1 CTF-M08- 25
2
K87-M111G-100 PUSH PIN 1 CTF-M08- 325
3
K87-M111H-200 BACK STOPPER 1 FTA-A08-1114
4
KW1-M114E-000 ARM AXIS PIN 1 FTA-A08-1134
5
LG4-M1A11-011 BODY 1 FTA-A08-8101
6
LG4-M1A12-000 MAIN GUIDE PIN 1 FTA-A08-8102
7 LG4-M1A13-000 LOCATE PIN R 1 FTA-A08-8103-B
8
LG4-M1A14-000 LOCATE PIN F 1 FTA-A08-8104-B
9
LG4-M1A15-000
PLUG HOLDER GUIDE RING
1 FTA-A08-8105
10
LG4-M1A16-000 PLUG HOLDER 1 FTA-A08-8106
11
LG4-M1A17-000 STOPPER PIN 1 FTA-A08-8113
12
LG4-M1A19-000
BACK STOPPER RETURN SPRING
1 FTA-A08-8114-300
13
LG4-M1A18-000 BACK STOPPER AXIS 1 FTA-A08-8115
14
LG4-M1A1K-000 LEVER AXIS PIN 1 FTA-A08-8130-B
15
LG4-M1A1N-000 MAIN LEVER 1 FTA-A08-8131
16
LG4-M1A1P-000 ARM 1 FTA-A08-8135
17
LG4-M1A1R-000 SUB ARM 1 FTA-A08-8138
18
LG4-M1A1S-000 SUB ARM GUIDE PIN 1 FTA-A08-8139
19
K87-M1186-000 BARB CONNECTOR 1 BF3BU
20
LG4-M1AB2-000 PLUG 1 MA-MC05PM
21
LG4-M1ABA-010 AIR HOSE 1 U3B-157
22
K87-M23B3-000 SCREW , SET 3 3MY-5
23
K87-M111X-000 SCREW , SET 1 3MY-4-F
24
K87-M111R-000 SCREW , SET 5 3MY-5-F
25
LG4-M1AD1-000 CIRCULAR RIVET 1 φ2-8
26
LG4-M1AD2-000 CIRCLIP C 1 STW-7
27
28
29
30
31
32
2-2

2-3