FX-3_Instruction_Manual_Rev00_C.pdf - 第502页
第1部 基本编 第4章 制作生产程序 4-172 (3) 余宽 设置基板与传送轨道之间的余宽。 余宽适用于生产条件。 (4) 动作状态 显示移动时、宽度回原点时、传送道路上的动作状态。 (5) 说明 显示功能的概要说明。 (6) “基板传送”按钮 调出基板传送画面。 (7) “宽度回原点”按钮 基板宽度自动调整返回原点。

第1部 基本编 第4章 制作生产程序
4-171
4-5-4-1-2 自动调整基板宽度
可调整基板传送宽度。
选择菜单后,显示如下的画面。
图 4-5-4-1-2-1 基板宽度的自动调整
(1) 移动基板幅度(调整基板宽度)
将传送宽度向基板外形尺寸+余宽的位置移动。运行时传送宽度值适用以下项目设定值。
(2) 基板外形尺寸
设定基板外形尺寸。初始值设定为基板数据中的基板外形尺寸(Y)。
<步骤>
① 输入基板外形尺寸。
② 需要变更余宽时,请设
置余宽。
③ 单击“移动”。
(未进行“宽度回原点”
时,应先进行宽度回原
点)。

第1部 基本编 第4章 制作生产程序
4-172
(3) 余宽
设置基板与传送轨道之间的余宽。
余宽适用于生产条件。
(4) 动作状态
显示移动时、宽度回原点时、传送道路上的动作状态。
(5) 说明
显示功能的概要说明。
(6) “基板传送”按钮
调出基板传送画面。
(7) “宽度回原点”按钮
基板宽度自动调整返回原点。

第1部 基本编 第4章 制作生产程序
4-173
4-5-4-2 测量
在贴片头上安装实际元件,用激光执行测量(检测)后,把其数据反映到生产程序的功能。
注意
为了避免人身伤害,在机器运行过程中,切勿将手和头伸入装置内部。
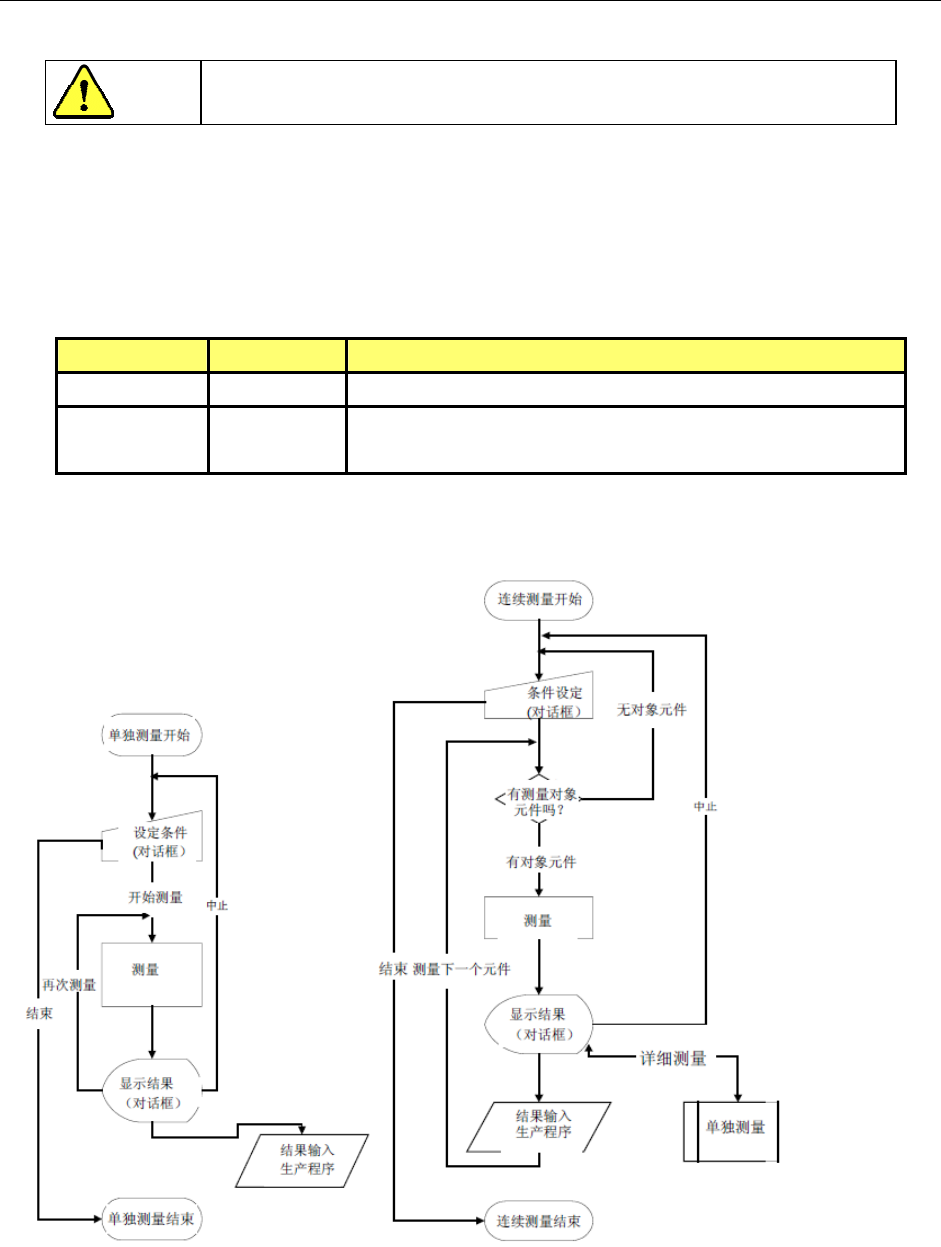
4-5-4-2-1 测量模式
有“连续测量”和“单独测量”2种测量模式。
可选择菜单切换运行模式。
以下为各模式的功能。
表 4-5-4-2-1-1 测量模式的内容与菜单
测量子菜单 运行模式 运行内容
单独 单独测量 测量元件画面表格中显示的元件。
连续 连续测量
测量生产程序数据内所有元件/条件一致的元件。测量中因
某种原因测量失败的元件可进行单独测量。
以下为各测量模式的处理运行概要流程图。
图 4-5-4-2-1-1 单独测量流程图 图 4-5-4-2-1-2 连续测量流程图