00196043-05 - SG X und X4I FSE_de.pdf - 第169页
Energie- und Druckluftversorgung Stromversorgung Sicherheits- und Meldekre is 169 Student Guide SIPLACE X-Serie und X4I FSE Der Meldekreis Hauben besteh t a us 6 Kontakten (2 Haupthauben mi t jeweils 2 Ko ntakten und 2 A…

Energie- und Druckluftversorgung
Sicherheits- und Meldekreis Stromversorgung
Student Guide SIPLACE X-Serie und X4I FSE 168
Meldekreise
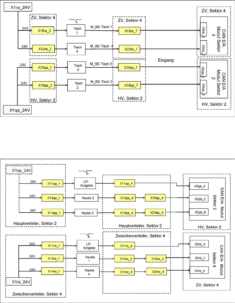
5.2.8.2 Meldekreise
Meldekreis Bauelementetisch
Meldekreis Bauelementetisch
Meldekreis BE-Tisch
Die 4 BE-Tische sind parallel geschaltet. Sind ein oder mehrere Tische nicht angeschlossen, so ist der
Kontakt geschlossen und 24 V liegen am Eingang des CAN-E/A-Moduls in Sektor 2 bzw. Sektor 4 an.
Meldekrei s Hauben
Meldekreis Hauben
Meldekreis Hauben

Energie- und Druckluftversorgung
Stromversorgung Sicherheits- und Meldekreis
169 Student Guide SIPLACE X-Serie und X4I FSE
Der Meldekreis Hauben besteht aus 6 Kontakten (2 Haupthauben mit jeweils 2 Kontakten und 2
Abdeckungen der Transporte (Eingabe & Ausgabe)), die parallel geschaltet sind. Falls 1 oder mehrere
Hauben/Abdeckungen offen sind, ist der Kontakt geschlossen und 24 V liegen am Eingang des CAN-E/
A-Modul in Sektor 4 an. Dasselbe gilt auch für den Sektor 2. Dadurch wird angezeigt, dass irgendeine
Abdeckung offen ist.
Meldekrei s Stopp-Taste
Meldekreis Stopp-Taste
Meldekreis Stopp-Taste
Der Meldekreis der Stopp-Taste besteht aus 6 Kontakten, die parallel geschaltet sind. Wird eine oder
mehrere der Stopp-Tasten betätigt, schließt der Kontakt, und 24 V liegen am Eingang des CAN-E/A-
Moduls in Sektor 4 an und zeigen, dass irgendeine Stopp-Taste betätigt wurde.

Energie- und Druckluftversorgung
Sicherheits- und Meldekreis Stromversorgung
Student Guide SIPLACE X-Serie und X4I FSE 170
Meldekreis Start-Taste
Meldekreis Start-Taste
Meldekreis Start-Taste
Der Meldekreis Start-Taste besteht aus 6 Kontakten und diese sind parallel geschaltet. Wird eine oder
mehrere der Start-Tasten betätigt, schließt der Kontakt und 24 V liegen am Eingang des CAN-E/A-
Modul in Sektor 4 an und zeigen, dass irgendeine Start-Taste betätigt wurde.
Wie funktioniert der NOT-HALT-Kreis?
5.2.8.3 Wie funktioniert der NOT-HALT-Kreis?
Der SIPLACE Bestückautomat kann nicht zum Bestücken eingesetzt werden, solange nicht alle
Versorgungsspannungen von der Sicherheitsschutzkombination freigegeben wurden.
Die folgenden Bedingungen müssen ebenfalls erfüllt sein:
▪ Alle vier BE-Tische müssen angedockt sein.
▪ Alle Abdeckungen müssen geschlossen sein.
▪ Beide NOT-HALT-Taster müssen gelöst sein.
▪ Der Mindest-Luftdruck muss vorhanden sein.
▪ Das Software-Freigabesignal muss anliegen.
▪ Die Meldung Sicherheitskreis OK muss erfolgen (für GND an X6 SSK, CAN-E/A-Ausgang)
▪ 24 V müssen an der Start-Taste anliegen.
Nach Betätigen der Start-Taste schaltet die SSK-Kombination folgende Spannungen durch:
▪ Sekundärkreis 250 VDC für Servo X-/Y-Achse (über K2, K3, K4).
▪ Sekundärkreis 150 VDC für Sternachse.
▪ Servoeinheit erhält Servo-Freigabe-Signal für Servoverstärker (K4.5)
▪ Die Meldung Ctrl_On muss an CAN-E/A erfolgen (24 V von der Axis Unit nach Erhalt von Servo-
Freigabe)
▪ 34 V Betriebsspannung für den Transport.
▪ 24 V Betriebsspannung für den Gurtschneider.
▪ M_X/Y: +24 V für K3 und K4
▪ M_Gurtschneider: +24 V für K2