00196608-01_AI_Stationaere_Kamera_Typ33_36_de_en.pdf - 第160页
Appendix Circuit Diagrams for X Series/D3 Up To Machine Series No. B325 160 Stationary Camera Type 33/36 Stationäre Kamera Typ 33/ 36 4.4.1.2 Camera From FS03 X series to B325 – camera from FS03 ► Connect the "camer…

Appendix
Up To Machine Series No. B325 Circuit Diagrams for X Series/D3
Stationary Camera Type 33/36 Stationäre Kamera Typ 33/36 159
4.4 Circuit Diagrams for X Series/D3
4.4.1 Up To Machine Series No. B325
4.4.1.1 Camera Up To FS02
X series to serial no. B325 - camera to FS02
1 IC camera 2 FC camera
3 PA1: Cable camera bus IC camera 1
[03009755-xx]
To hotlink card 1 CAM2 (X2) (computer
unit)
4 PA1: Cable camera bus FC camera 1
[03009756-xx]
To hotlink card 1 CAM3 (X3) (computer
unit)
PA2: Cable camera bus IC camera 2
[03009757-xx]
To hotlink card 2 CAM2 (X2) (computer
unit)
PA2: Cable camera bus FC camera 2
[03009758-xx]
To hotlink card 2 CAM3 (X3) (computer
unit)
5 PA1: Cable vision control IC camera 1
[03003449-xx]
To subdistributor (X4qd)
6 PA1: Cable vision control FC camera 1
[03003450-xx]
To subdistributor (X5qd)
PA2: Cable vision control IC camera 2
[03003439-xx]
To main distributor (X4qd)
PA2: Cable vision control FC camera 2
[03003440-xx]
To main distributor (X5qd)

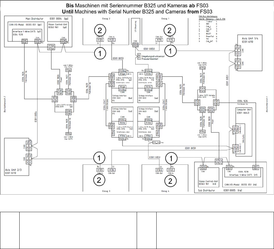
Appendix
Circuit Diagrams for X Series/D3 Up To Machine Series No. B325
160 Stationary Camera Type 33/36 Stationäre Kamera Typ 33/36
4.4.1.2 Camera From FS03
X series to B325 – camera from FS03
► Connect the "camera power adapter cable" [03059912-xx] in the main/subdistributor between the
VCU and the "Vision control cable".
1 IC camera 2 FC camera
3 PA1: Cable camera bus IC camera 1
[03009755-xx]
To hotlink card 1 CAM2 (X2) (computer unit)
4 PA1: Cable camera bus FC camera 1
[03009756-xx]
To hotlink card 1 CAM3 (X3) (computer unit)
PA2: Cable camera bus IC camera 2
[03009757-xx]
To hotlink card 2 CAM2 (X2) (computer unit)
PA2: Cable camera bus FC camera 2
[03009758-xx]
To hotlink card 2 CAM3 (X3) (computer unit)
5 PA1: Cable vision control IC camera 1
[03003449-xx]
To subdistributor (X4qd)
6 PA1: Cable vision control FC camera 1
[03003450-xx]
To subdistributor (X5qd)
PA2: Cable vision control IC camera 2
[03003439-xx]
To main distributor (X4qd)
PA2: Cable vision control FC camera 2
[03003440-xx]
To main distributor (X5qd)
6 Adapter cable for power to camera
[03059912-xx]
6 VCU (subdistributor/main distributor)

Appendix
Up To Machine Series No. B325 Circuit Diagrams for X Series/D3
Stationary Camera Type 33/36 Stationäre Kamera Typ 33/36 161
X series to serial no. B325 – camera from FS03 CAN bus
► Connect the "cable CAN bus IC camera" [03050239-xx] between the "machine CAN bus cable", the
COT insert and the camera.
1 Machine CAN bus cable →
Cable CAN bus: IC camera [03050239-xx]
Cable CAN bus: IC and FC camera
[03050550-xx]
2 CAN bus COT insert