00196608-01_AI_Stationaere_Kamera_Typ33_36_de_en.pdf - 第165页
Appendix From Machine Series No. B326 Circuit Diagrams SX1/SX2 Stationary Camera Typ e 33/36 Stationäre Kamera Typ 33/36 165 Camera CAN bus (SX1/SX2) 1 CA N bus IC camera X10 location 1 2 CAN bus IC camera X10 locatio n …

Appendix
Circuit Diagrams SX1/SX2 From Machine Series No. B326
164 Stationary Camera Type 33/36 Stationäre Kamera Typ 33/36
4.5 Circuit Diagrams SX1/SX2
Camera bus and power (SX1/SX2)
1 IC camera type 33 at location 1 2 IC camera type 33 at location 2
3 Cable camera bus IC/FC camera
[03055214-xx] location 1 to hotlink card
Cam 2 (X2) control computer
4 Cable camera bus IC/FC camera
[03055211-xx] location 2 to hotlink card
Cam 3 (X3) control computer
5 Cable IC/FC camera voltages X4am
[0305210-xx] location 1 from subdistributor
X5qa
6 Cable IC/FC camera voltages X4bm
[0305210-xx] location 2 from subdistributor
X5qa

Appendix
From Machine Series No. B326 Circuit Diagrams SX1/SX2
Stationary Camera Type 33/36 Stationäre Kamera Typ 33/36 165
Camera CAN bus (SX1/SX2)
1 CAN bus IC camera X10 location 1 2 CAN bus IC camera X10 location 2

Appendix
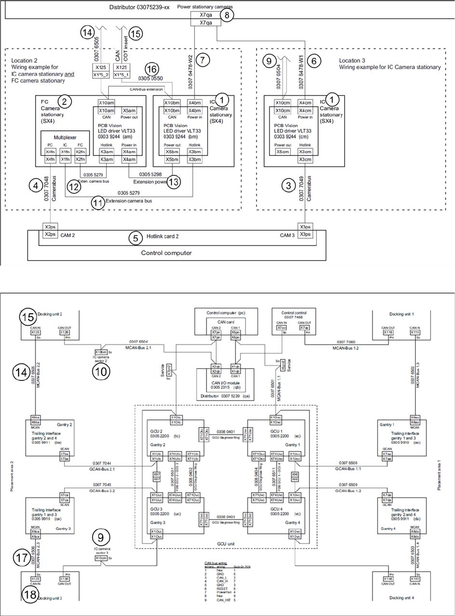
Circuit Diagrams SX4 From Machine Series No. B326
166 Stationary Camera Type 33/36 Stationäre Kamera Typ 33/36
4.6 Circuit Diagrams SX4
Camera bus and power (SX4)
Camera CAN bus (SX4)