00196608-01_AI_Stationaere_Kamera_Typ33_36_de_en.pdf - 第81页
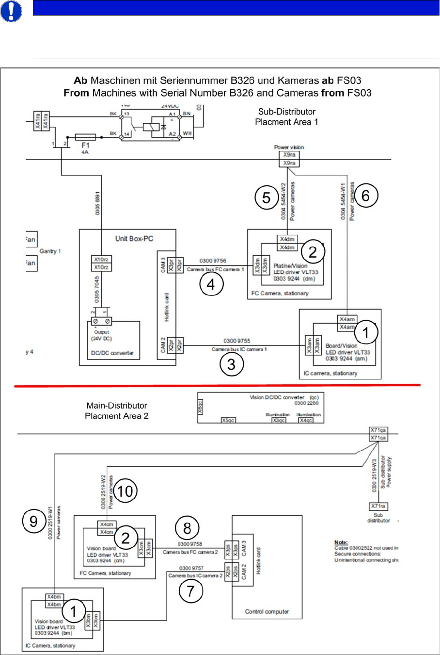
Anhang Ab Maschinen Serien-Nr. B326 Stromlaufpläne X-Serie/D3 Stationary Camera Typ e 33/36 Stationäre Kamera Typ 33/36 81 X-Serie ab Serien-Nr. B326 – Kamera FS03 CAN-Bus ► Stecken Sie das "Kabel CAN-Bus IC-Kamera&…

Anhang
Stromlaufpläne X-Serie/D3 Ab Maschinen Serien-Nr. B326
80 Stationary Camera Type 33/36 Stationäre Kamera Typ 33/36
4.4.2 Ab Maschinen Serien-Nr. B326
X-Serie ab Serien-Nr. B326 – Kamera FS03
HINWEIS
Kameras bis FS02
Ab Serien-Nr. B326 können nur noch Kameras ab FS03 verwendet werden. Die Kabel für die
Kameras bis FS02 sind im Kabelbaum nicht mehr enthalten.

Anhang
Ab Maschinen Serien-Nr. B326 Stromlaufpläne X-Serie/D3
Stationary Camera Type 33/36 Stationäre Kamera Typ 33/36 81
X-Serie ab Serien-Nr. B326 – Kamera FS03 CAN-Bus
► Stecken Sie das "Kabel CAN-Bus IC-Kamera" [03050239-xx] zwischen das "Maschinen-CAN-Bus-
Kabel", den BE-Einzug und die Kamera.
1 IC-Kamera 2 FC-Kamera
3 BB1: Kabel Kamerabus IC-Kamera 1
[03009756-xx]
zur Hotlinkkarte 1 CAM2 (X2) (Steuerrech-
ner)
4 BB1: Kabel Kamerabus FC-Kamera 1
[03009756-xx]
zur Hotlinkkarte 1 CAM3 (X3) (Steuerrech-
ner)
5 BB1: Kabel Spannungen Kameras
[03045454-W1]
zum Sub-Distributor X9ra
6 BB1: Kabel Spannungen Kameras
[03045454-W2]
zum Sub-Distributor X9ra
7 BB2: Kabel Kamerabus IC-Kamera 2
[03009757-xx]
zur Hotlinkkarte 2 CAM2 (X2) (Steuerrech-
ner)
8 BB2: Kabel Kamerabus FC-Kamera 2
[03009758-xx]
zur Hotlinkkarte 2 CAM2 (X3) (Steuerrech-
ner)
9 BB2: Kabel Spannungen Kameras
[03002519-W1]
zum Main-Distributor X71qa
10 BB2: Kabel Spannungen Kameras
[03002519-W2]
zum Main-Distributor X71qa
1 Maschinen CAN-Buskabel →
Kabel CAN-Bus: IC-Kamera [03050239-xx]
Kabel CAN-Bus: IC- und FC-Kamera
[03050550-xx]
2 CAN-Bus BE-Einzug

Anhang
Stromlaufpläne SX1/SX2 Ab Maschinen Serien-Nr. B326
82 Stationary Camera Type 33/36 Stationäre Kamera Typ 33/36
4.5 Stromlaufpläne SX1/SX2
Kamerabus und Power (SX1/SX2)
1 IC-Kamera Typ 33 an Stellplatz 1 2 IC-Kamera Typ 33 an Stellplatz 2
3 Kabel Kamerabus IC/FC-Kamera
[03055214-xx] Stellplatz 1 zur Hotlinkkarte
Cam 2 (X2) Steuerrechner
4 Kabel Kamerabus IC/FC-Kamera
[03055211-xx] Stellplatz 2 zur Hotlinkkarte
Cam 3 (X3) Steuerrechner
5 Kabel Spannungen IC/FC-Kamera X4am
[0305210-xx] Stellplatz 1 vom Untervertei-
ler X5qa
6 Kabel Spannungen IC/FC-Kamera
X4bm[0305210-xx] Stellplatz 2 vom Unter-
verteiler X5qa