00196608-01_AI_Stationaere_Kamera_Typ33_36_de_en.pdf - 第77页
Anhang Bis Maschinen-Serien-Nr. B325 Stromlaufpläne X-Serie/D3 Stationary Camera Typ e 33/36 Stationäre Kamera Typ 33/36 77 4.4 Stromlaufpläne X-Serie/D3 4.4.1 Bis Maschi nen-Serien-Nr. B325 4.4.1.1 Kamera bis FS02 X-Ser…

Anhang
Konfiguration der stationären Kamera mit SIPLACE PRO Kameras Typ 33 ab Version 03 bis 07, Kameras Typ 36 ab Version 01
76 Stationary Camera Type 33/36 Stationäre Kamera Typ 33/36
4.3 Konfiguration der stationären Kamera mit SIPLACE PRO
Konfiguration der stationären Kamera (am Beispiel D1)
► Wählen Sie Rüstung → Stellplatz → Registerkarte
Kopf und tragen Sie den P&P-Kopf ein.
► Optimieren Sie die Rüstung im SIPLACE Pro neu.
SIPLACE Pro Rüstung (am Beispiel X3)
SIPLACE Pro Rüstung (am Beispiel SX2)

Anhang
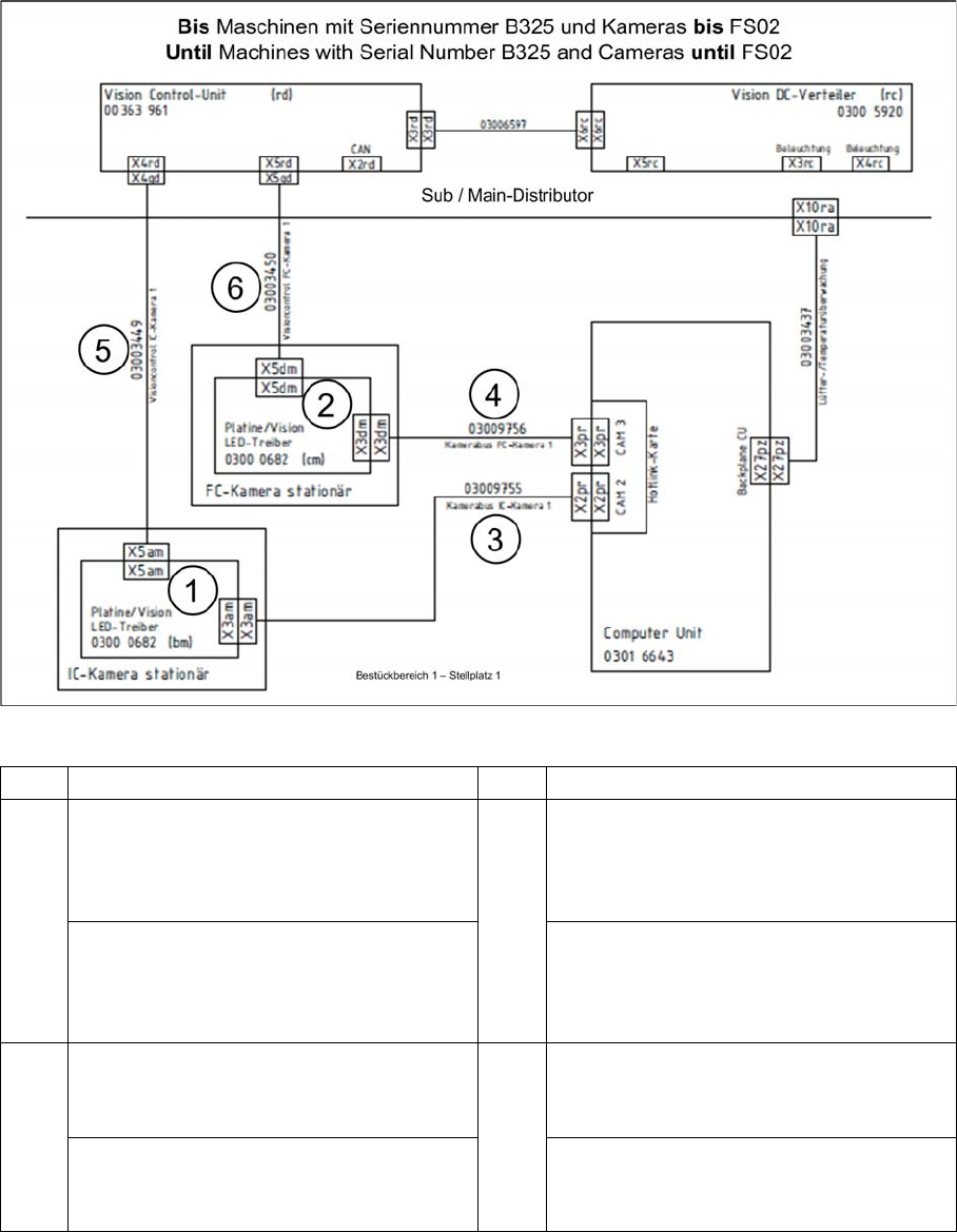
Bis Maschinen-Serien-Nr. B325 Stromlaufpläne X-Serie/D3
Stationary Camera Type 33/36 Stationäre Kamera Typ 33/36 77
4.4 Stromlaufpläne X-Serie/D3
4.4.1 Bis Maschinen-Serien-Nr. B325
4.4.1.1 Kamera bis FS02
X-Serie bis Serien-Nr. B325 - Kamera bis FS02
1 IC-Kamera 2 FC-Kamera
3 BB1: Kabel Kamerabus IC-Kamera 1
[03009755-xx]
zur Hotlinkkarte 1 CAM2 (X2) (Computer-
Unit)
4 BB1: Kabel Kamerabus FC-Kamera 1
[03009756-xx]
zur Hotlinkkarte 1 CAM3 (X3) (Computer-
Unit)
BB2: Kabel Kamerabus IC-Kamera 2
[03009757-xx]
zur Hotlinkkarte 2 CAM2 (X2) (Computer-
Unit)
BB2: Kabel Kamerabus FC-Kamera 2
[03009758-xx]
zur Hotlinkkarte 2 CAM3 (X3) (Computer-
Unit)
5 BB1: Kabel Vision-Control IC-Kamera 1
[03003449-xx]
zum Sub-Distributor (X4qd)
6 BB1: Kabel Vision-Control FC-Kamera 1
[03003450-xx]
zum Sub-Distributor (X5qd)
BB2: Kabel Vision-Control IC-Kamera 2
[03003439-xx]
zum Main-Distributor (X4qd)
BB2: Kabel Vision-Control FC-Kamera 2
[03003440-xx]
zum Main-Distributor (X5qd)

Anhang
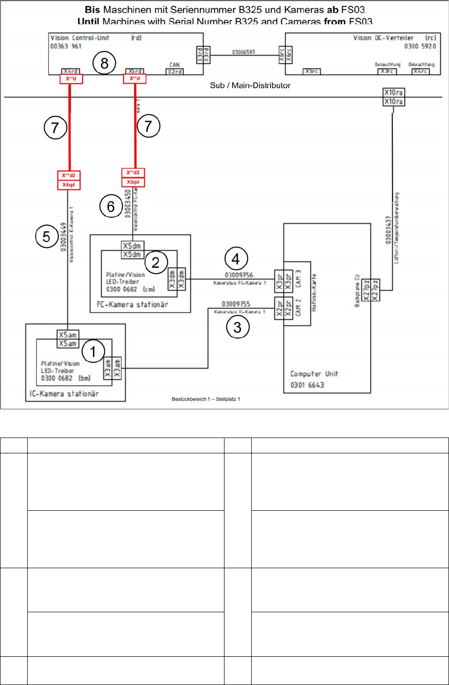
Stromlaufpläne X-Serie/D3 Bis Maschinen-Serien-Nr. B325
78 Stationary Camera Type 33/36 Stationäre Kamera Typ 33/36
4.4.1.2 Kamera ab FS03
X-Serie bis B325 – Kamera ab FS03
1 IC-Kamera 2 FC-.Kamera
3 BB1: Kabel Kamerabus IC-Kamera 1
[03009755-xx]
zur Hotlinkkarte 1 CAM2 (X2) (Computer-
Unit)
4 BB1: Kabel Kamerabus FC-Kamera 1
[03009756-xx]
zur Hotlinkkarte 1 CAM3 (X3) (Computer-
Unit)
BB2: Kabel Kamerabus IC-Kamera 2
[03009757-xx]
zur Hotlinkkarte 2 CAM2 (X2) (Computer-
Unit)
BB2: Kabel Kamerabus FC-Kamera 2
[03009758-xx]
zur Hotlinkkarte 2 CAM3 (X3) (Computer-
Unit)
5 BB1: Kabel Vision-Control IC-Kamera 1
[03003449-xx]
zum Sub-Distributor (X4qd)
6 BB1: Kabel Vision-Control FC-Kamera 1
[03003450-xx]
zum Sub-Distributor (X5qd)
BB2: Kabel Vision-Control IC-Kamera 2
[03003439-xx]
zum Main-Distributor (X4qd)
BB2: Kabel Vision-Control FC-Kamera 2
[03003440-xx]
zum Main-Distributor (X5qd)
6 Adapterkabel Power Kameras
[03059912-xx]
6 VCU (Sub-/Main-Distributor)