00196608-01_AI_Stationaere_Kamera_Typ33_36_de_en.pdf - 第78页
Anhang Stromlaufpläne X-Serie/D3 Bis Maschinen-Serien-Nr. B325 78 Stationary Camera Type 33/36 Stationäre Kamera Typ 33/36 4.4.1.2 Kamera ab FS03 X-Serie bis B325 – Kame ra ab FS03 1 IC-Kamera 2 FC-.Kamera 3 BB1: Kabel K…

Anhang
Bis Maschinen-Serien-Nr. B325 Stromlaufpläne X-Serie/D3
Stationary Camera Type 33/36 Stationäre Kamera Typ 33/36 77
4.4 Stromlaufpläne X-Serie/D3
4.4.1 Bis Maschinen-Serien-Nr. B325
4.4.1.1 Kamera bis FS02
X-Serie bis Serien-Nr. B325 - Kamera bis FS02
1 IC-Kamera 2 FC-Kamera
3 BB1: Kabel Kamerabus IC-Kamera 1
[03009755-xx]
zur Hotlinkkarte 1 CAM2 (X2) (Computer-
Unit)
4 BB1: Kabel Kamerabus FC-Kamera 1
[03009756-xx]
zur Hotlinkkarte 1 CAM3 (X3) (Computer-
Unit)
BB2: Kabel Kamerabus IC-Kamera 2
[03009757-xx]
zur Hotlinkkarte 2 CAM2 (X2) (Computer-
Unit)
BB2: Kabel Kamerabus FC-Kamera 2
[03009758-xx]
zur Hotlinkkarte 2 CAM3 (X3) (Computer-
Unit)
5 BB1: Kabel Vision-Control IC-Kamera 1
[03003449-xx]
zum Sub-Distributor (X4qd)
6 BB1: Kabel Vision-Control FC-Kamera 1
[03003450-xx]
zum Sub-Distributor (X5qd)
BB2: Kabel Vision-Control IC-Kamera 2
[03003439-xx]
zum Main-Distributor (X4qd)
BB2: Kabel Vision-Control FC-Kamera 2
[03003440-xx]
zum Main-Distributor (X5qd)

Anhang
Stromlaufpläne X-Serie/D3 Bis Maschinen-Serien-Nr. B325
78 Stationary Camera Type 33/36 Stationäre Kamera Typ 33/36
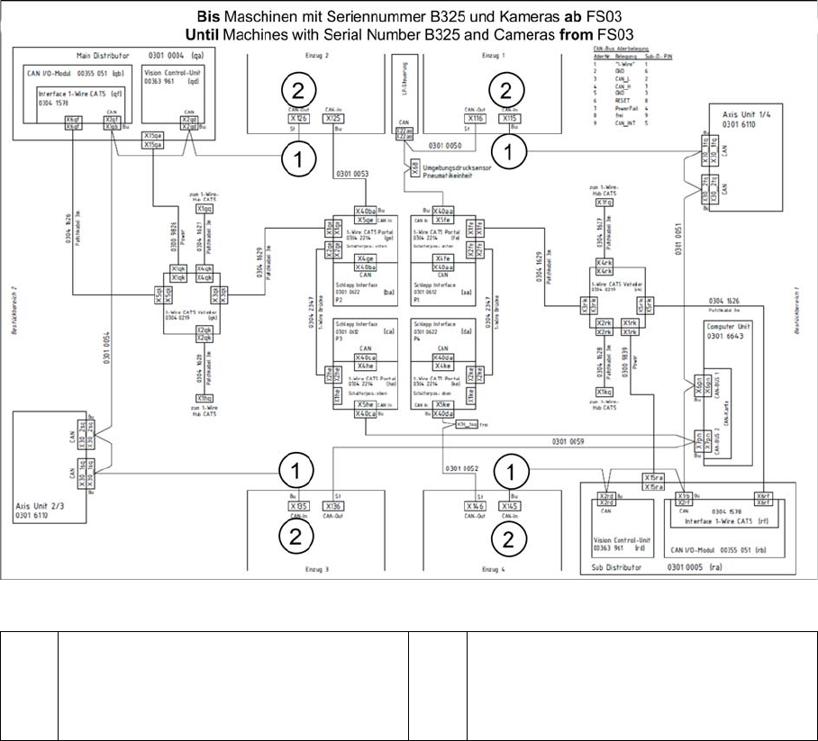
4.4.1.2 Kamera ab FS03
X-Serie bis B325 – Kamera ab FS03
1 IC-Kamera 2 FC-.Kamera
3 BB1: Kabel Kamerabus IC-Kamera 1
[03009755-xx]
zur Hotlinkkarte 1 CAM2 (X2) (Computer-
Unit)
4 BB1: Kabel Kamerabus FC-Kamera 1
[03009756-xx]
zur Hotlinkkarte 1 CAM3 (X3) (Computer-
Unit)
BB2: Kabel Kamerabus IC-Kamera 2
[03009757-xx]
zur Hotlinkkarte 2 CAM2 (X2) (Computer-
Unit)
BB2: Kabel Kamerabus FC-Kamera 2
[03009758-xx]
zur Hotlinkkarte 2 CAM3 (X3) (Computer-
Unit)
5 BB1: Kabel Vision-Control IC-Kamera 1
[03003449-xx]
zum Sub-Distributor (X4qd)
6 BB1: Kabel Vision-Control FC-Kamera 1
[03003450-xx]
zum Sub-Distributor (X5qd)
BB2: Kabel Vision-Control IC-Kamera 2
[03003439-xx]
zum Main-Distributor (X4qd)
BB2: Kabel Vision-Control FC-Kamera 2
[03003440-xx]
zum Main-Distributor (X5qd)
6 Adapterkabel Power Kameras
[03059912-xx]
6 VCU (Sub-/Main-Distributor)

Anhang
Bis Maschinen-Serien-Nr. B325 Stromlaufpläne X-Serie/D3
Stationary Camera Type 33/36 Stationäre Kamera Typ 33/36 79
► Stecken Sie das "Adapterkabel Power Kameras" [03059912-xx] im Sub-/Main-Distributor zwischen
die VCU und das "Kabel Vision-Control".
X-Serie bis Serien-Nr. B325 – Kamera ab FS03 CAN-Bus
► Stecken Sie das "Kabel CAN-Bus IC-Kamera" [03050239-xx] zwischen das "Maschinen CAN-Bus-
Kabel", den BE-Einzug und die Kamera.
1 Maschinen CAN-Bus-Kabel →
Kabel CAN-Bus: IC-Kamera [03050239-xx]
Kabel CAN-Bus: IC- und FC-Kamera
[03050550-xx]
2 CAN-Bus BE-Einzug