00196608-01_AI_Stationaere_Kamera_Typ33_36_de_en.pdf - 第164页
Appendix Circuit Diagrams SX1/SX2 From Machine Series No. B326 164 Stationary Camera Type 33/36 Stationäre Kamera Typ 33/ 36 4.5 Circuit Diagrams SX1/SX2 Camera bus and power (SX1/SX2) 1 I C camera type 33 at location 1 …

Appendix
From Machine Series No. B326 Circuit Diagrams for X Series/D3
Stationary Camera Type 33/36 Stationäre Kamera Typ 33/36 163
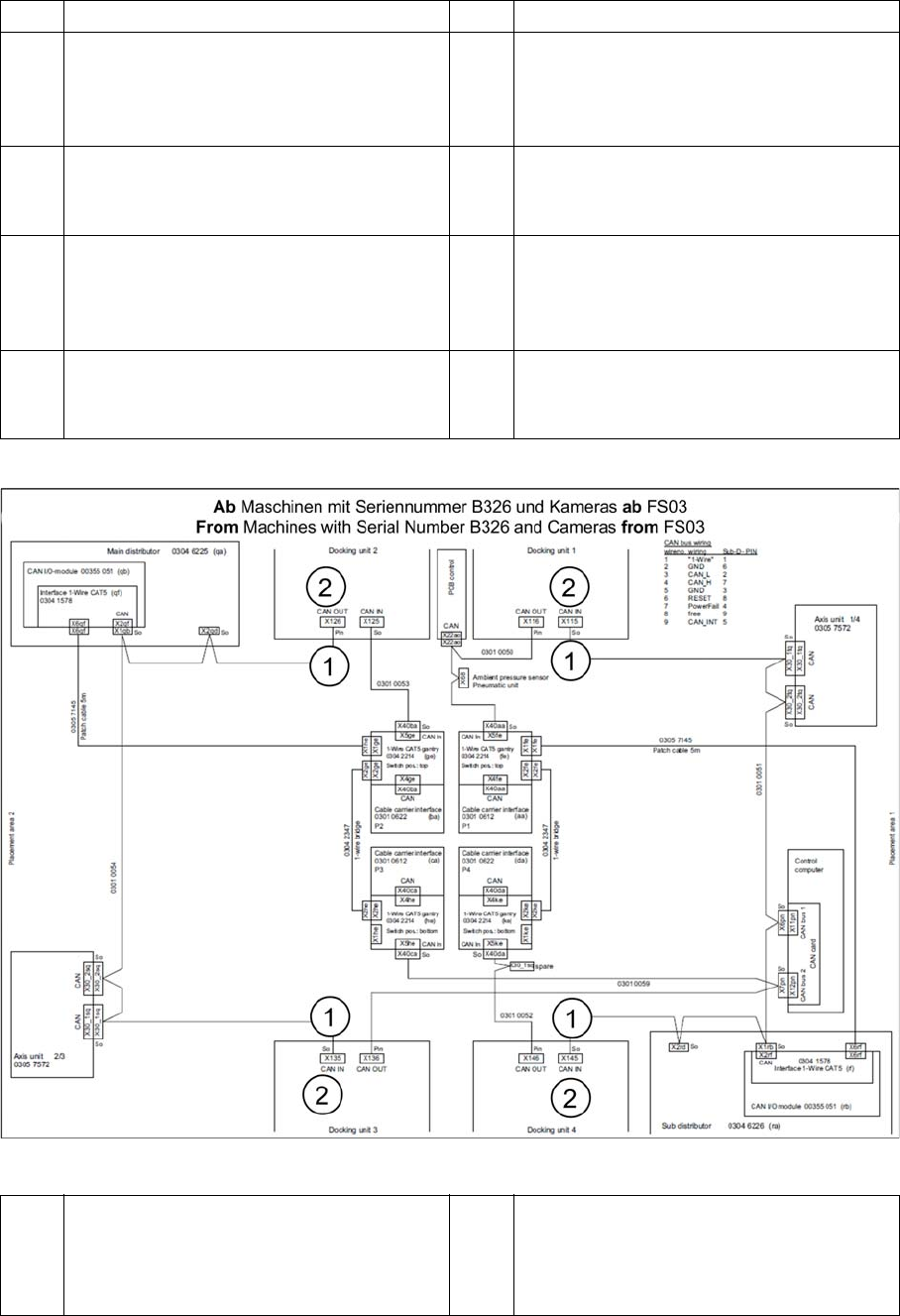
X series from serial no. B326 – camera FS03 CAN bus
► Connect the "cable CAN bus IC camera" [03050239-xx] between the "machine CAN bus cable", the
COT insert and the camera.
1 IC camera 2 FC camera
3 PA1: Cable camera bus IC camera 1
[03009756-xx]
To hotlink card 1 CAM2 (X2) (control com-
puter)
4 PA1: Cable camera bus FC camera 1
[03009756-xx]
To hotlink card 1 CAM3 (X3) (control com-
puter)
5 PA1: Cable camera voltages [03045454-
W1]
To subdistributor X9ra
6 PA1: Cable camera voltages [03045454-
W2]
To subdistributor X9ra
7 PA2: Cable camera bus IC camera 2
[03009757-xx]
To hotlink card 2 CAM2 (X2) (control com-
puter)
8 PA2: Cable camera bus FC camera 2
[03009758-xx]
To hotlink card 2 CAM2 (X3) (control com-
puter)
9 PA2: Cable camera voltages
[03002519-W1]
To main distributor X71qa
10 PA2: Cable camera voltages [03002519-
W2]
To main distributor X71qa
1 Machine CAN bus cable →
Cable CAN bus: IC camera [03050239-xx]
Cable CAN bus: IC and FC camera
[03050550-xx]
2 CAN bus COT insert

Appendix
Circuit Diagrams SX1/SX2 From Machine Series No. B326
164 Stationary Camera Type 33/36 Stationäre Kamera Typ 33/36
4.5 Circuit Diagrams SX1/SX2
Camera bus and power (SX1/SX2)
1 IC camera type 33 at location 1 2 IC camera type 33 at location 2
3 Cable camera bus IC/FC camera
[03055214-xx] location 1 to hotlink card
Cam 2 (X2) control computer
4 Cable camera bus IC/FC camera
[03055211-xx] location 2 to hotlink card
Cam 3 (X3) control computer
5 Cable IC/FC camera voltages X4am
[0305210-xx] location 1 from subdistributor
X5qa
6 Cable IC/FC camera voltages X4bm
[0305210-xx] location 2 from subdistributor
X5qa

Appendix
From Machine Series No. B326 Circuit Diagrams SX1/SX2
Stationary Camera Type 33/36 Stationäre Kamera Typ 33/36 165
Camera CAN bus (SX1/SX2)
1 CAN bus IC camera X10 location 1 2 CAN bus IC camera X10 location 2