00196608-01_AI_Stationaere_Kamera_Typ33_36_de_en.pdf - 第161页
Appendix Up To Machine Series No. B325 Circuit Diagrams for X Series/D3 Stationary Camera Typ e 33/36 Stationäre Kamera Typ 33/36 161 X series to serial no. B325 – camera from FS03 CAN bus ► Connect the "cable C AN …

Appendix
Circuit Diagrams for X Series/D3 Up To Machine Series No. B325
160 Stationary Camera Type 33/36 Stationäre Kamera Typ 33/36
4.4.1.2 Camera From FS03
X series to B325 – camera from FS03
► Connect the "camera power adapter cable" [03059912-xx] in the main/subdistributor between the
VCU and the "Vision control cable".
1 IC camera 2 FC camera
3 PA1: Cable camera bus IC camera 1
[03009755-xx]
To hotlink card 1 CAM2 (X2) (computer unit)
4 PA1: Cable camera bus FC camera 1
[03009756-xx]
To hotlink card 1 CAM3 (X3) (computer unit)
PA2: Cable camera bus IC camera 2
[03009757-xx]
To hotlink card 2 CAM2 (X2) (computer unit)
PA2: Cable camera bus FC camera 2
[03009758-xx]
To hotlink card 2 CAM3 (X3) (computer unit)
5 PA1: Cable vision control IC camera 1
[03003449-xx]
To subdistributor (X4qd)
6 PA1: Cable vision control FC camera 1
[03003450-xx]
To subdistributor (X5qd)
PA2: Cable vision control IC camera 2
[03003439-xx]
To main distributor (X4qd)
PA2: Cable vision control FC camera 2
[03003440-xx]
To main distributor (X5qd)
6 Adapter cable for power to camera
[03059912-xx]
6 VCU (subdistributor/main distributor)

Appendix
Up To Machine Series No. B325 Circuit Diagrams for X Series/D3
Stationary Camera Type 33/36 Stationäre Kamera Typ 33/36 161
X series to serial no. B325 – camera from FS03 CAN bus
► Connect the "cable CAN bus IC camera" [03050239-xx] between the "machine CAN bus cable", the
COT insert and the camera.
1 Machine CAN bus cable →
Cable CAN bus: IC camera [03050239-xx]
Cable CAN bus: IC and FC camera
[03050550-xx]
2 CAN bus COT insert

Appendix
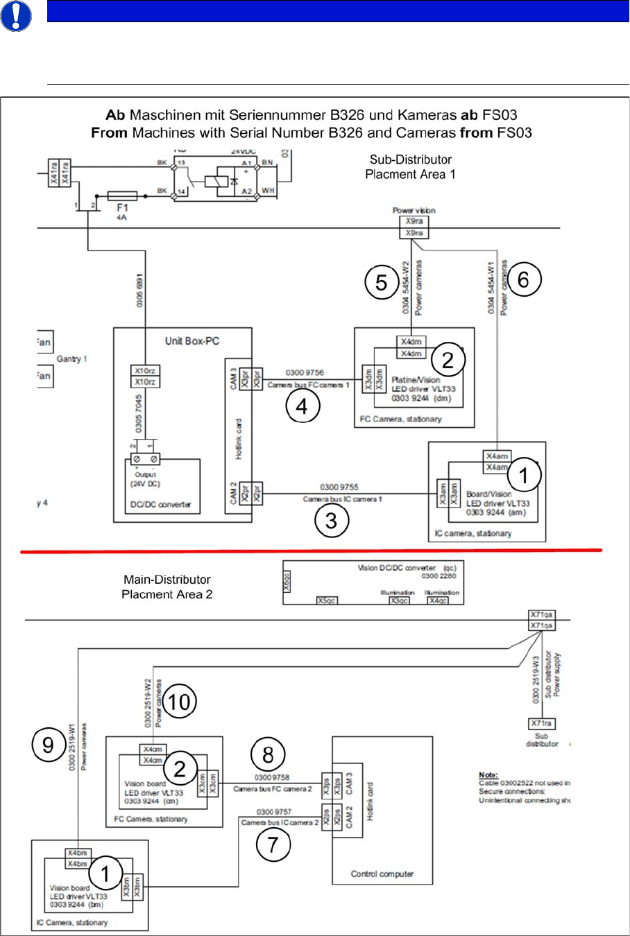
Circuit Diagrams for X Series/D3 From Machine Series No. B326
162 Stationary Camera Type 33/36 Stationäre Kamera Typ 33/36
4.4.2 From Machine Series No. B326
X series from serial no. B326 – camera FS03
NOTICE
Cameras up to FS02
From serial number B326, you need to use cameras with FS03 or higher. The cables for cam-
eras up to FS02 will no longer be in the cable tree.