00196608-01_AI_Stationaere_Kamera_Typ33_36_de_en.pdf - 第83页
Anhang Ab Maschinen Serien-Nr. B326 Stromlaufpläne SX1/SX2 Stationary Camera Typ e 33/36 Stationäre Kamera Typ 33/36 83 Kamera-CAN-Bus (SX1/SX2) 1 CAN-Bus IC-Kamera X10 Stellplatz 1 2 CAN-Bus IC-Kamera X10 Stell platz 2

Anhang
Stromlaufpläne SX1/SX2 Ab Maschinen Serien-Nr. B326
82 Stationary Camera Type 33/36 Stationäre Kamera Typ 33/36
4.5 Stromlaufpläne SX1/SX2
Kamerabus und Power (SX1/SX2)
1 IC-Kamera Typ 33 an Stellplatz 1 2 IC-Kamera Typ 33 an Stellplatz 2
3 Kabel Kamerabus IC/FC-Kamera
[03055214-xx] Stellplatz 1 zur Hotlinkkarte
Cam 2 (X2) Steuerrechner
4 Kabel Kamerabus IC/FC-Kamera
[03055211-xx] Stellplatz 2 zur Hotlinkkarte
Cam 3 (X3) Steuerrechner
5 Kabel Spannungen IC/FC-Kamera X4am
[0305210-xx] Stellplatz 1 vom Untervertei-
ler X5qa
6 Kabel Spannungen IC/FC-Kamera
X4bm[0305210-xx] Stellplatz 2 vom Unter-
verteiler X5qa

Anhang
Ab Maschinen Serien-Nr. B326 Stromlaufpläne SX1/SX2
Stationary Camera Type 33/36 Stationäre Kamera Typ 33/36 83
Kamera-CAN-Bus (SX1/SX2)
1 CAN-Bus IC-Kamera X10 Stellplatz 1 2 CAN-Bus IC-Kamera X10 Stellplatz 2

Anhang
Stromlaufpläne SX4 Ab Maschinen Serien-Nr. B326
84 Stationary Camera Type 33/36 Stationäre Kamera Typ 33/36
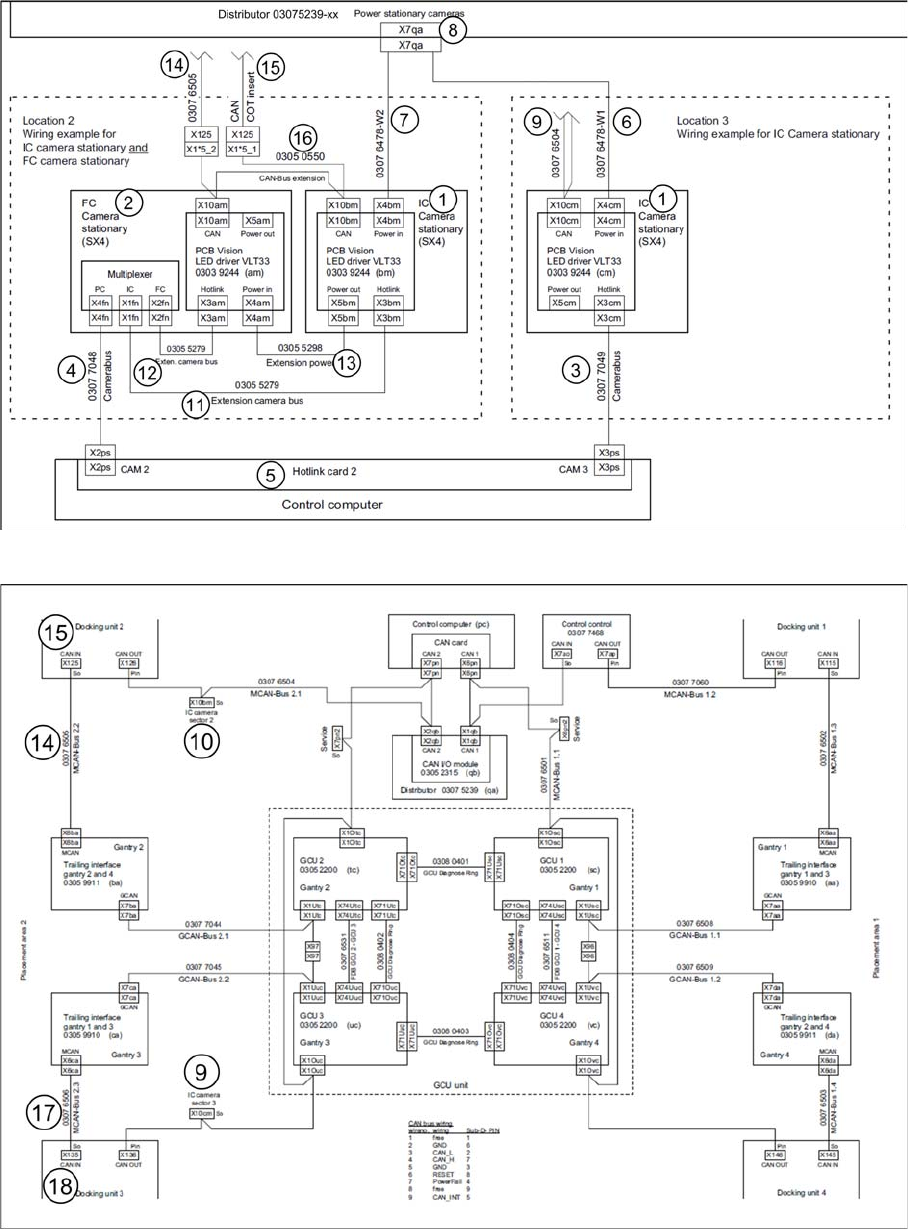
4.6 Stromlaufpläne SX4
Kamerabus und Power (SX4)
Kamera-CAN-Bus (SX4)