00198599-02_AI_Vacuumpump_X-Series-S-from-Hxxxx_DE_EN.pdf - 第175页
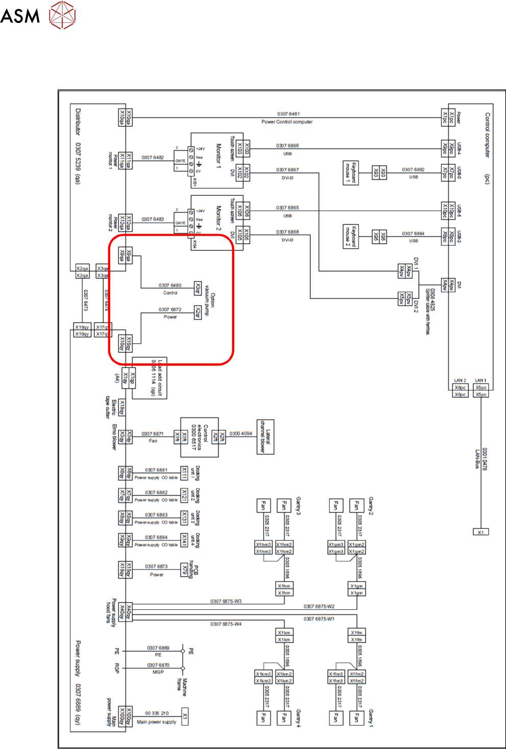
7 Appendix 7.2 Circuit Diagrams Assembly Instructions / Montageanleitung SIPLACE X-Series S (from/ab Hxxxx) Option Vacuum Pump 02/2021 175 7.2.2 Vacuum pump at distributor Fig.79: Vacuum pump at distributor

7 Appendix
7.2 Circuit Diagrams
174 Assembly Instructions / Montageanleitung SIPLACE X-Series S (from/ab Hxxxx) Option Vacuum Pump 02/2021
7.2.1 Tubes for gantry with vacuum pump
Fig.78: Tubing on gantries 1 to 4 with vacuum pump

7 Appendix
7.2 Circuit Diagrams
Assembly Instructions / Montageanleitung SIPLACE X-Series S (from/ab Hxxxx) Option Vacuum Pump 02/2021 175
7.2.2 Vacuum pump at distributor
Fig.79: Vacuum pump at distributor

7 Appendix
7.2 Circuit Diagrams
176 Assembly Instructions / Montageanleitung SIPLACE X-Series S (from/ab Hxxxx) Option Vacuum Pump 02/2021
7.2.3 Old vacuum pump
7.2.3.1 Vacuum pump machine connection (old)
Fig.80: Vacuum pump machine connection