00198599-02_AI_Vacuumpump_X-Series-S-from-Hxxxx_DE_EN.pdf - 第75页
7 Anhang 7.2 Stromlaufpläne Assembly Instructions / Montageanleitung SIPLACE X-Series S (from/ab Hxxxx) Option Vacuum Pump 02/2021 75 7.2.2 Vakuumpumpe am Verteiler Abb.79: Vakuumpumpe am Verteiler

7 Anhang
7.2 Stromlaufpläne
74 Assembly Instructions / Montageanleitung SIPLACE X-Series S (from/ab Hxxxx) Option Vacuum Pump 02/2021
7.2.1 Verschlauchung der Portale mit Vakuumpumpe
Abb.78: Verschlauchung Portal 1 bis 4 mit Vakuumpumpe

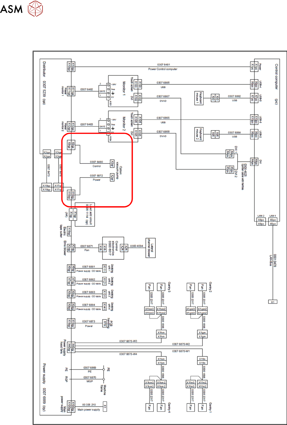
7 Anhang
7.2 Stromlaufpläne
Assembly Instructions / Montageanleitung SIPLACE X-Series S (from/ab Hxxxx) Option Vacuum Pump 02/2021 75
7.2.2 Vakuumpumpe am Verteiler
Abb.79: Vakuumpumpe am Verteiler

7 Anhang
7.2 Stromlaufpläne
76 Assembly Instructions / Montageanleitung SIPLACE X-Series S (from/ab Hxxxx) Option Vacuum Pump 02/2021
7.2.3 Alte Vakuumpumpe
7.2.3.1 Vakuumpumpe Maschinenanschluss (alt)
Abb.80: Vakuumpumpe Maschinenanschluss