00198599-02_AI_Vacuumpump_X-Series-S-from-Hxxxx_DE_EN.pdf - 第52页
3 Einbau 3.5 Vakuumpumpe einbauen 52 Assembly Instructions / Montageanleitung SIPLACE X-Series S (from/ab Hxxxx) Option Vacuum Pump 02/2021 3.5.5 Vakuumverteiler vorbereiten Abb.45: Vakuumverteiler ohne Pumpe ► Ziehen S…

3 Einbau
3.5 Vakuumpumpe einbauen
Assembly Instructions / Montageanleitung SIPLACE X-Series S (from/ab Hxxxx) Option Vacuum Pump 02/2021 51
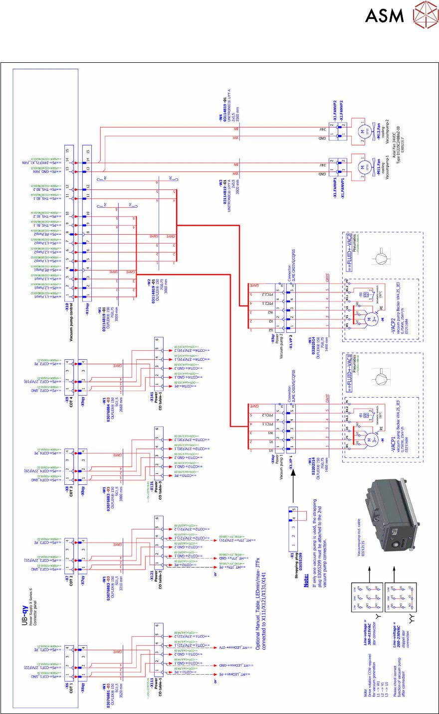
Wirkschaltplan Vakuumpumpe (neu)
Abb.44: Wirkschaltplan Vakuumpumpe (neu)

3 Einbau
3.5 Vakuumpumpe einbauen
52 Assembly Instructions / Montageanleitung SIPLACE X-Series S (from/ab Hxxxx) Option Vacuum Pump 02/2021
3.5.5 Vakuumverteiler vorbereiten
Abb.45: Vakuumverteiler ohne Pumpe
► Ziehen Sie den am Proportionalregler
abgesteckten Schlauch bis zum Ein-
bauort der Vakuumpumpe zurück und
schließen Sie diesen an den Vakuum-
verteiler(4)
an.
► Ziehen Sie die zum umzurüstenden
Portal gehörenden transparenten
Vakuumschläuche (je zwei pro Portal)
aus dem Maschinenständer.
Die Vakuumschläuche liegen in Maxi-
mallänge in der Maschine.
► Kürzen Sie die beiden Vakuum-
schläuche auf die Länge, die erforder-
lich ist, um die Schläuche am Vakuum-
verteiler anzuschließen, der an Posi-
tion(1)
von innen im Maschinenständer
verlegt wird.
► Kennzeichnen Sie die Vakuum-
schläuche mit der entsprechenden Por-
talnummer.
► Schließen Sie den 12er-PUN-
Schlauch(2)
und die Vakuum-
schläuche(3)
am Vakuumverteiler an.
► Führen Sie die genannten Arbeiten für alle umzurüstenden Portale durch.
► Binden Sie die Vakuumschläuche der nicht umgerüsteten Portale gegebenenfalls mit einem
Kabelbinder zusammen und schieben Sie die Schläuche im Maschinenständer nach oben,
um Raum für den Einbau der Pumpe zu schaffen.

3 Einbau
3.5 Vakuumpumpe einbauen
Assembly Instructions / Montageanleitung SIPLACE X-Series S (from/ab Hxxxx) Option Vacuum Pump 02/2021 53
3.5.5.1 Vakuumventil oder Bypass-Umsteller montieren
An Maschinen mit nur einem Kopf an einer Vakuumpumpe muss ein Vakuumventil oder ein By-
pass-Umsteller zur Fehllufteinleitung eingebaut werden.
●
Bypass-Umsteller [03222472‑xx]
●
Vakuumventil Becker ST 613-0-2 [03109300‑xx]
Einbau Vakuumventil
Abb.46: Vakuumventil montieren
► Demontieren Sie eine Festo-Verschraubung(1).
► Montieren Sie die "Reduziermuffe IG = 1 Rp AG = 1/2 R"(2) [03123422‑xx].
► Montieren Sie das "Vakuumventil Becker ST 613-0-2"(3) [03109300‑xx]
Einbau Bypass-Umsteller
Abb.47: Bypass-Umsteller montieren
► Demontieren Sie eine Festo-Verschraubung(1).
► Montieren Sie die "Steckverschraubung QS-1/2-10"(2) [03038816‑xx].
► Montieren Sie den Bypass-Umsteller(3) [03222472‑xx].
Einstellung
► Stellen Sie das Vakuumventil / den Bypass-Umsteller wie folgt ein:
– Bestücken Sie den SIPLACE C&P20x mit 4004/6004 Pipetten.
Der Vakuumabstand offen zu geschlossen soll 95mbar, der geschlossene Wert mindes-
tens -750mbar sein.
Der andere Kopf sollte dabei ohne Pipetten sein.