KE-3010A_20VA_20VRA使用说明书.pdf - 第395页
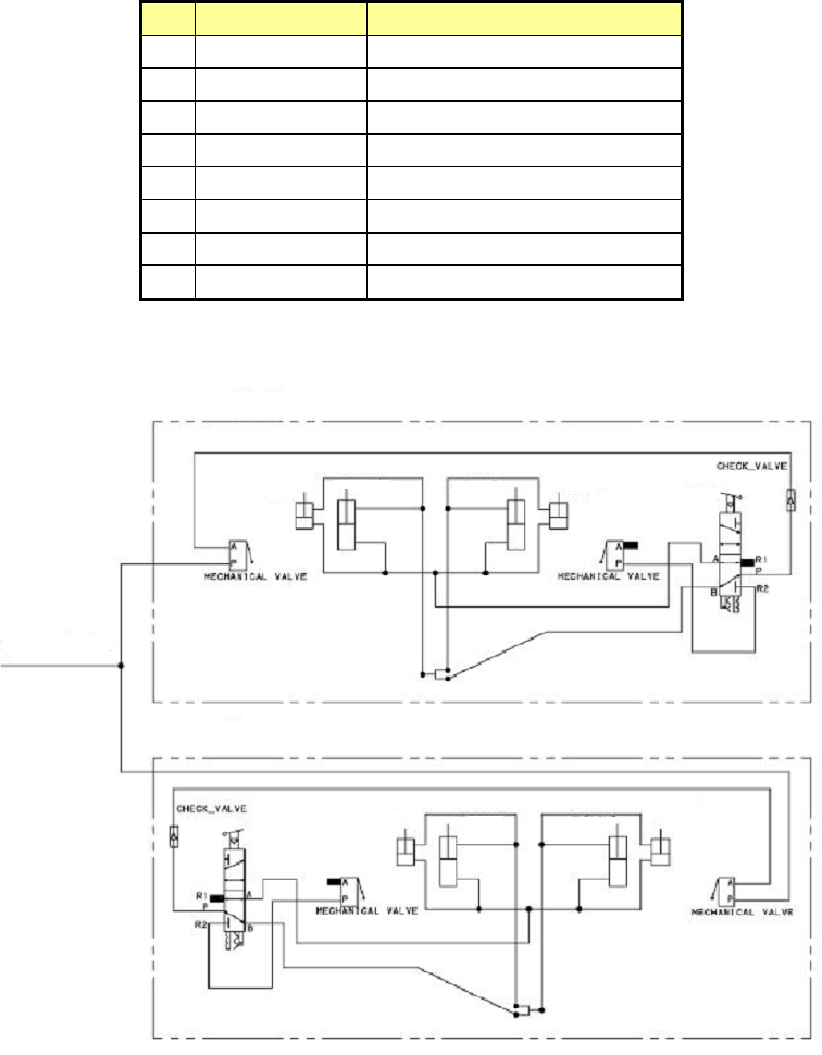
第 1 部 基 本篇 第 3 章 维护 3-54 (3) 管道系统图(统一更换台) No. 货号 品名 ① P A630750300 AIR CYLINDER ② PC015203000 SPEED CONTROLLER ③ PV0151 170A0 SELECTOR ④ PX055104000 SILENCER ⑤ PV010505000 MECHANICAL V AL VE ⑥ PX050501000 SILENCER ⑦ 4009…

第 1 部 基本篇 第 3 章 维护
3-53
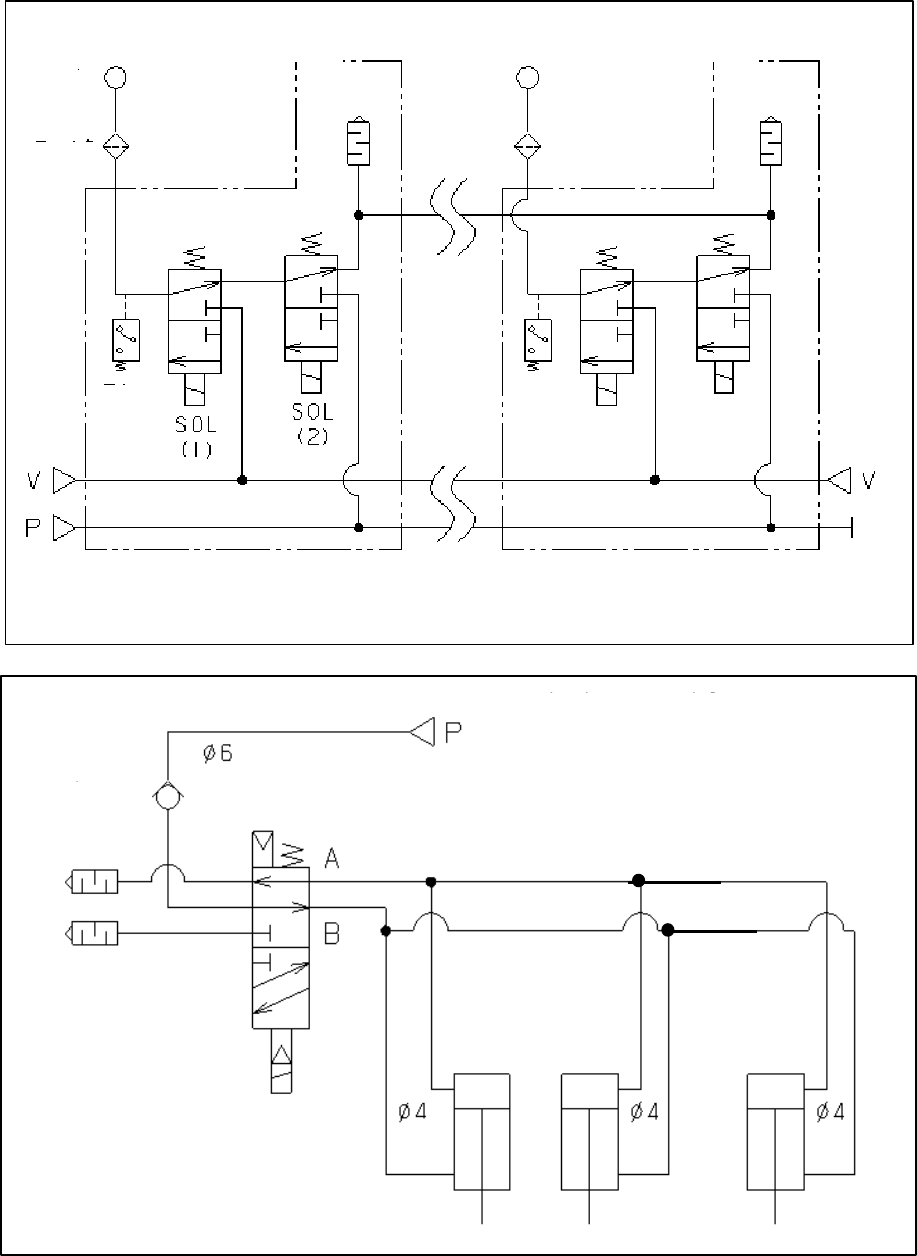
(2) 管道系统图(Head)
第
7
排
第
1
排
过滤器
吸嘴
压力
传感器
V:从负压(φ8)真空泵 V:从负压(φ8)真空泵
P:从正压(φ8)真空泵
大气开放
气缸 气缸
气缸
检查阀
P:从正压(φ6)空气单元

第 1 部 基本篇 第 3 章 维护
3-54
(3) 管道系统图(统一更换台)
No.
货号 品名
①
PA630750300 AIR CYLINDER
②
PC015203000 SPEED CONTROLLER
③
PV0151170A0 SELECTOR
④
PX055104000 SILENCER
⑤
PV010505000 MECHANICAL VALVE
⑥
PX050501000 SILENCER
⑦
40094346 CHECK_VALVE
⑧
40094347 CYLINDER CM2B40-75
<电动更换台专用规格>
前侧
后侧
通向歧管
台架支撑气缸
台架支撑气缸
台架气缸
台架气缸
台架
SW
台架支撑气缸 台架支撑气缸
台架气缸
台架气缸
台架
SW

第 1 部 基本篇 第 3 章 维护
3-55
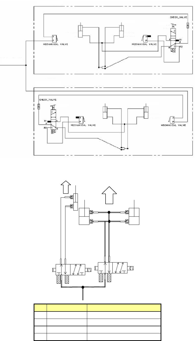
<机械更换台专用规格>
(4) 管道系统图(切带器,2 处通用)
No.
货 号 品 名
① 40093969 AIR_CYLINDER
② 40093976 SPEED_CONTROLLER
③ 40093977 5PORT_SOLENOID_VALVE
④ PX055104000 SILENCER
后侧
通向歧管
台架气缸 台架气缸
台架 SW
台架 SW
台架气缸
台架气缸
切断方向
皮带动作方向
4φ
4φ
6φ
6φ
前侧