NXT-II 机械手册.pdf - 第563页
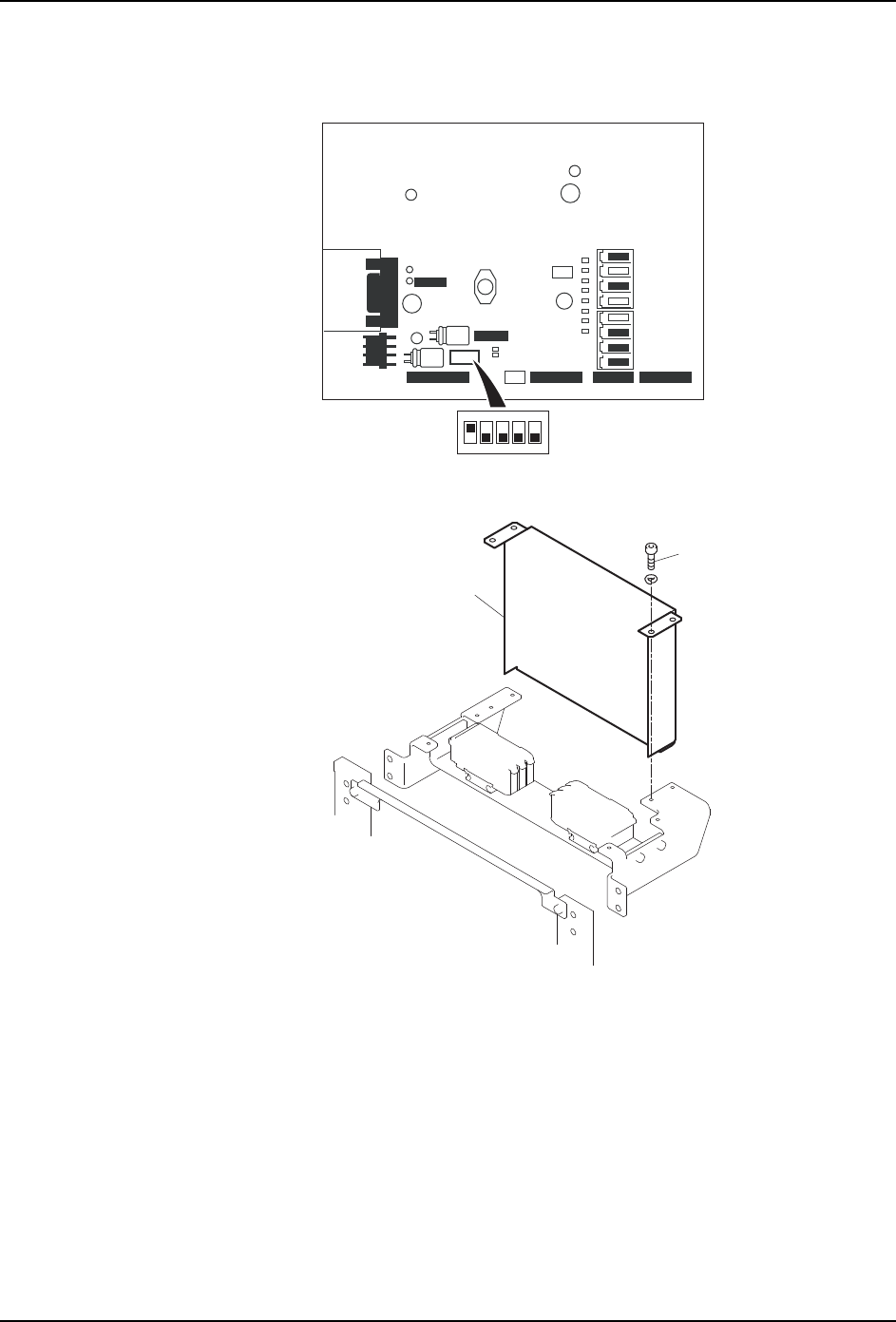
8. 部件的更换 QD145-21 536 NXT II 机械手册 通道 3 用控制器的更换 8. 从搬运轨道控制器上,拆除■显示 部分的接插头。 9. 拆除固定筋板和轨道 3 用的控制器上的螺栓 (C),取下控制器。 10.在确认电路板上的双列直插开关上只有 No.1 处 于 ON,其他全部处于 OFF 后,装载新的 控制器。 11.如果仅仅更换通道 3 用的控制 器时,按从步骤 10 到步骤 1 的顺序进行复原操作。如果 更换通道 …

QD145-21 8. 部件的更换
NXT II 机械手册 535
8.14.3 三搬运轨道控制器的更换方法
更换准备
1. 拉出要更换控制器的模组的相邻模组。
2. 把主开关 OFF。
3. 从机器背面确认控制器位置。
4. 拆除 4 个螺栓,拆除顶盖板。
5. 拆除固定筋板的 4 个螺栓 (B)。
6. 一边注意不要强烈地拉电缆,一边向机器前方倾斜筋板。
7. 慢慢地拉出通道 3 用的搬运轨道控制器。
注意 )即使取下通道 1·2 的控制器,为了确保取出空间,有必要临时拆除通道 3 用的控制器。
A
乊Ⲫ
01NST-0501S
B
01NST-0502S
ᴎ఼ࠡջؒ᭰

8. 部件的更换 QD145-21
536 NXT II 机械手册
通道 3 用控制器的更换
8. 从搬运轨道控制器上,拆除■显示部分的接插头。
9. 拆除固定筋板和轨道 3 用的控制器上的螺栓 (C),取下控制器。
10.在确认电路板上的双列直插开关上只有 No.1 处于 ON,其他全部处于 OFF 后,装载新的
控制器。
11.如果仅仅更换通道 3 用的控制器时,按从步骤 10 到步骤 1 的顺序进行复原操作。如果
更换通道 1·2 用的控制器时请进行下列的步骤 12 以后进行。
CN2
CN1
C13
CN3
CNB-1
CN4
CN9-2
CN10-1
a-1
b-1
a-2
b-2
a-3
b-3
a-4
b-4
CN5-3CN5-1CN9-1 CN5-2
01MEC-0650
ON
12345
C
01NST-0503S
䗮䘧⫼ࠊ఼

QD145-21 8. 部件的更换
NXT II 机械手册 537
通道 1·2 用控制器的更换
12.拆除固定控制器的螺栓 (D)。
13.从搬运轨道控制器上取下■显示部分的接插头。
14.在确认电路板上的双列直插开关上只有 No.1 处于 ON,其他全部处于 OFF 后,装载新的
控制器。
15.从步骤 14 到步骤 12 复原了通道 1·2 用控制器之后,按照从步骤 10 到步骤 1 复原通道
3 用的控制器。
16.控制箱更换作业完成后,请进行控制箱的调整。详细请参考 「8.14.4 更换控制器后的
调整」。
D
01NST-0504S
䗮䘧ˈ⫼ࠊ఼
CN2
CN1
CN6-3
CN6-3 CN9-3
C13
C21
C20
CN6-2
CN3
CNB-1
CN4
CN6-1
CN9-2
CN8-2
CN10-1
a-1
b-1
a-2
b-2
a-3
b-3
a-4
b-4
c-1
d-1
c-2
d-2
c-3
d-3
c-4
d-4
CN10-2
CN5-3CN5-1CN9-1 CN5-2
01MEC-0661
ON
12345