SI-F130 Manual(EN)_jpg_ Rev1.pdf - 第207页
Servomotor Block CDF-10203-01 Servomotor Block SHEET 2/2 PC UNIT I/O UNIT (Refer:CDF-10202) SY -MC BOARD CN5 CN4 CN3 (DEBUG PORT) (DEBUG PORT) PC-SYMC EMG I/L BOARD CN8 CONVEYOR ADJ. LS CW CONVEYOR ADJ. LS CCW CONVEYOR A…

Servomotor Block
CDF-10203-01
Servomotor Block
SHEET
1/2
X FLAT
RBT
CABLE
Y CABLE
CONDUIT
3rd
CONNECTION
PANEL
DE3 DE2
DE1
DE
DRIVER UNIT
(Refer:CDF-10204)
DV-ACOUT1
IF2 LS BOARD
(Refer:CDF-10502)
DRV-X
SGDS-15A12A (CDF-10503)
SV-XP
X
DRV-Y
SGDS-08A12A (CDF-10504)
SV-YP
Y
DRV-H
SGDS-02A12A (CDF-10507)
SV-HP
DRV-FF
SGDS-04A12A (CDF-10505)
SV-FFP
H
FF
DRV-FR
SGDS-04A12A (CDF-10506)
SV-FRP
FR
DRV-RT
SGDS-04A12A (CDF-10508)
SV-RTP
CN1
CN4
CN6B
CN6A
UVW
RT
DRV-RN
SGDS-02A12A (CDF-10509)
SV-RNP
L1,L2,L1C,L2C
UVW
CN1
CN2
RN
DEA
JZDP-A003-000
CN2
CN1
X
Y
H
FF
FR
RT
RN
CN10
CN12
CN13
CN14
CN15
CN16
CN11
SERVO UNIT
SV-ACIN
XM
XE
M1
(1/3)
E1
(1/3)
M2
(1/3)
E2
(1/3)
M1
(2/3)
E1
(2/3)
M1
(3/3)
E1
(3/3)
M2
(2/3)
E2
(2/3)
M2
(3/3)
E2
(3/3)
YM2
FFM2
FRM2
YM
YE2 YE
FFM
FFE2 FFE
FRE2
M4
(1/3)
E3
(1/3)
M4
(2/3)
E3
(2/3)
M4
(3/3)
E3
(3/3)
RTM
RTE
RNE
RNM
M
E
X-AXIS
M
E
Y-AXIS
M
E
H-AXIS
M
E
FF-AXIS
M
E
FR-AXIS
M
E
RT-AXIS
M
E
RN-AXIS
RT NOZZLE
DIRECT ENCODER
HM
HE
TB1
500 - 505
CN2
L1,L2,L1C,L2C
CN1
UVW
CN2
L1,L2,L1C,L2C
CN1
UVW
CN2
L1,L2,L1C,L2C
CN1
UVW
CN2
L1,L2,L1C,L2C
CN1
UVW
CN2
L1,L2,L1C,L2C
CN1
UVW
CN2
L1,L2,L1C,L2C
B1
B2
XB1
XB2
CN6A
CN6B
CN6A
CN6B
CN6A
CN6B
CN6A
CN6B
2nd CONNECTION
PANEL
1st CONNECTION
PANEL
SERVO I/F UNIT
SY-IF2 BOARD
(Refer:CDF-10502)
CN7
CN8
A 1-829-460-11
REF CABLE PARTS NO.
B 1-829-458
C 1-829-470
D 1-829-471
E
F
1-829-472
G
1-829-473
H
1-829-475
J
1-829-548
K
1-829-456
L
1-829-457
M
1-829-459
Q
1-829-493
R
1-829-461
S
1-829-465
T
1-829-466
U
1-829-463
V
X
Y
W
1-829-494
1-829-469
1-829-474
1-829-495
1-829-462
1-829-467
1-829-476
P
N
A
B
C
D
E
F
G
H
J
J
K
L
MN
N
N
N
N
N
N
N
N
N
N
N
N
N
N
P
Q
M
Q
M
Q
R
UV
W
X
S
U
S
U
S
T
V
T
V
V
T
Y
CN6A
CN6A
X-R1
X-R2

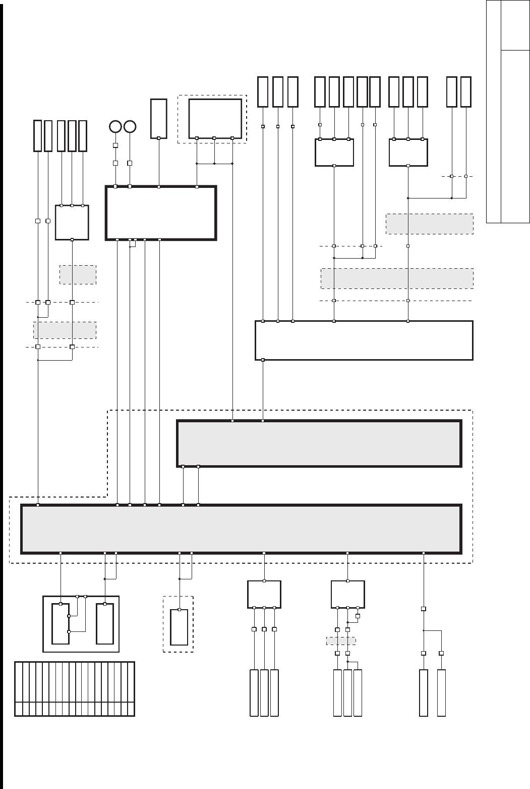
Servomotor Block
CDF-10203-01
Servomotor Block
SHEET
2/2
PC UNIT
I/O UNIT (Refer:CDF-10202)
SY-MC BOARD
CN5 CN4
CN3
(DEBUG PORT)
(DEBUG PORT)
PC-SYMC
EMG I/L BOARD
CN8
CONVEYOR ADJ. LS CW
CONVEYOR ADJ. LS CCW
CONVEYOR ADJ. LS ORG
AD-CW
AD-CCW
AD-ORG
CN2
CN3
CN4
CN1
AD-LSB
LS30 / F-DOOR SW
LS31 / R-DOOR SW
30EX
31EX
DOOR
SERVO I/F UNIT
SY-EX BOARD
(Refer:CDF-10501)
CN13
CN11
CN1
CN10
CN9
CN2
CN17
CN15
CN18
CN22
SY-IF2 BOARD
(Refer:CDF-10502)
CN1
CN6
CN2
PDLS SEN1
RS
FBLS
FBLS-1
FBLS-2
1st CONNECTION
PANEL
2nd CONNECTION
PANEL
X FRAT
RBT
CABLE
Y CABLE
CONDUIT
PH-FFB
PH-FRB
PD-LSB
CN1
CN2
CN3
CN4
PDLS-2
PDLS-3PDLS-1
PDLS-4
BS-NZL
PH-PDU
PH-PDL
PH-FFB
PH-FRB
NOZZLE
BACKWARD DETECT
PUSHER UPPER
BACKWARD DETECT
PUSHER LOWER
BACKWARD DETECT
FEEDER FF
BACKWARD DETECT
FEEDER FR
BACKWARD DETECT
DRIVER UNIT
(Refer:CDF-10204)
DV-12
DV-16
DV-14
DV-ACIN
POWER UNIT
(Refer:CDF-10301)
PW-2
COGNEX BOARD
I/O
PC-I/O
CN12
CN14
A
F
E
J
CONVEYOR EJECTOR LS CW
CONVEYOR EJECTOR LS CCW
CONVEYOR EJECTOR LS ORG
CECW1
EJS3
CES
CN2
CN3
CN4
CN1
CE-LSB
CN20
K
CECW2
EJS4
CABLE CONDUIT
L
D
CN8 DV-5
CN19 DV-15
B
C
G
H
DV-EMG1
I/O UNIT
CN37
CN13
CN9
M
EMG I/L BOARD
(Refer:CDF-10401)
CN4 CN1
IF2 LS BOARD
(Refer:CDF-10502)
N
CN2
X-CW
X AXIS CW
CN3
X-CCW
X AXIS CCW
CN4
X-ORG
X AXIS ORG
CN6
HLS3
1st CONNECTION
PANEL
2nd CONNECTION
PANEL
X FRAT
RBT
CABLE
YS
R
FFS
FRS
FF AXIS ORG
F
R AXIS ORG
FF-ORG
FR-ORG
CN1
CN2
CN3
CN4
Y-LS B
Y AXIS ORG
Y AXIS CCW
Y AXIS CW
Y-CW
3rd CONNECTION
PANEL
Y CABLE
CONDUIT
CN7
HLS4
SEN2
CN1
CN2
CN3
CN4
H-LSB
H AXIS CW
H AXIS CCW
H AXIS ORG
RT AXIS ORG
RN AXIS ORG
RTS
RNS
A 1-791-347
REF
CABLE PARTS NO.
B
1-829-445
C
1-829-546
D
1-791-352
E
1-791-312
F
1-829-502
G
1-829-452
H
1-829-547
J
1-791-359
K
1-829-482
L
1-792-013
M
1-829-455
Q
1-829-484
P
N
AD
CONVEYOR
EJECTOR
MOTOR
EJM1 EJM
P
Q
CONVEYOR
ADJUST
MOTOR
DV-17
DV-18
1-829-451
1-829-454
R
S
1-829-493
1-829-494
M
M
S

Driver Unit Block
CDF-10204-01
Driver Unit Block
SHEET
1/2
Y CABLE
CONDUIT
X FLAT
RBT
CABLE
CABLE
CONDUIT
1st
CONNECTION
PANEL
3rd
CONNECTION
PANEL
2nd
CONNECTION
PANEL
A 1-829-546
REF CABLE PARTS NO.
B 1-829-452
C 1-829-547
D 1-829-445
E
F
1-829-455
G
1-791-301
H
1-791-233
J
1-829-448
K
1-829-493
L
1-829-494
M
1-791-295
Q
1-829-450
R
1-791-298
S
1-829-451
T
1-829-497
U
1-829-454
V
W
1-829-447
1-829-479
1-829-442
1-829-510
1-829-508
P
N
X
Y
Z
1-829-443
AA
1-829-444
AB
1-829-446
- -
- -
A
B
C
D
F
Z
G
H
J
N
Q
S
AA
AB
V
X
T
Y
W
R
P
M
K
K
L
POWER UNIT
(Refer:CDF-10301)
PW-2
SERVO I/F UNIT
SY-EX BOARD
(Refer:CDF-10501)
CN15
CN17
DRIVER UNIT
DV-12
DV-ACIN
DV-14
DV-16
I/O UNIT
EMG I/L BOARD
(Refer:CDF-10401)
SY-IF2 BOARD
(Refer:CDF-10502)
CN10
CN2
DV-EMG2
TB1
DV-7
DV-20
DV-11
DV-6
DV-13
DV-18
DV-19
PD1 SEN2 PD
PUSHER
UPPER
PUSHER
LOWER
BLK-1 BLK-2 BLK-F
BLK-R
BULK FRONT SV
(OPTION)
BULK REAR SV
(OPTION)
AD
M
CONVEYOR
ADJUST MOTOR
DV-17
EJM
EJM1
M
CONVEYOR
EJECTOR MOTOR
FCPOW FCIF1
CASSETTE I/F BOARD (FRONT)
(Refer:CDF-11001)
CASSETTE I/F BOARD (REAR)
(Refer:CDF-11002)
RCIF1
CN8
DV-5
E
CN9
DV-EMG1
CN13
CN37
CN19
DV-15
TPL5V
TOUCH PANEL
CONTROL BOARD
EX02
TB1
TB2
DV-8
DW3
TB1
DV-4
DV-3
RESERVED
FDD
DV-ACOUT2
DV-ACOUT3
DV-2
HANDY CONSOLE
CONTROL BOARD
(Refer:CDF-10702)
U
SERVO UNIT
(Refer:CDF-10203)
SV-ACIN
DV-ACOUT1
PC UNIT
24VIN
DV-10
CONVEYOR
CONTROL BOARD
(Refer:CDF-10402)
TB1
TB2
DV-1