SI-F130 Manual(EN)_jpg_ Rev1.pdf - 第215页
EMG I/L Board Peripher al Circuit CDF-10401-01 EMG I/L Board Peripheral Circuit SHEET 2/2 CC-1 CN1 IN+ IN - I/O UNIT EMG I/L BOARD (2/2) DRIVER UNIT (Refer:CDF-10204) DV-7 2 1 2 FR O M EM G I /L BO ARD ( 1 / 2 ) A FROM E…

EMG I/L Board Peripheral Circuit
CDF-10401-01
EMG I/L Board Peripheral Circuit
SHEET
1/2
I/O UNIT
EM
G
I
/
L B
O
ARD
(
1
/
2
)
EMG SW10
(FRONT RIGHT)
EMG SW13
(REAR LEFT)
EMG SW11
(FRONT LEFT)
POWER UNIT
(Refer:CDF-10301)
10
11
13
MR1
EL-1
EL-2
EL-3
EL-4
EL-5
1
2
3
4
1
2
3
4
1
2
3
4
1
2
3
4
1
2
3
4
CN
1
CN
2
CN3
CN4
CN5
C
R
1
CR2
CR3
CR4
CR5
+
2
4V +
2
4V+
2
4
V
(S
ERIAL DI
O
IN
)
1
2
1
2
1
2
3
4
3
4
1
2
3
4
1
2
3
4
1
2
3
4
1
2
3
4
1
2
1
2
3
1
2
1
2
3
1
2
CN12(1/2)
CN13(1/2)
CN14(1/2)
CN15(1/2)
CR12
CR13
CR14
CR15
CR16
RIGHT MACHINE
I/F EMG
LEFT MACHINE
I/F EMG
EXTERNAL EMG
FRONT DOOR SW
REAR DOOR SW
EXTERNAL
INTER LOCK
EMG-R
EMG-L
EXT-EMG
30
31
EXT-IL
CN16
CN17
EL-16
EL-17
EL-18
EL-19
CR17
CR18
CR19
CR20
CR21
CR22
CR23
CR24
CR25
1
2
3
1
2
3
1
2
3
1
2
3
1
2
3
1
2
3
1
2
CN18
CN19
CN20
CN21
CN22
CN23
CN24
CN28
G24V G24V
1
2
3
1
2
FRONT INTERLOCK SW
41F
EL-28
(D1 to 25,D38,D39
CR1 to 25,CR38,CR39)
WITH SURGE DIO DO
1
2
41
REAR INTERLOCK SW
41R
1
2
T
O
EM
G
I
/L
B
O
ARD
(
2
/
2
)
A
TO EMG I/L
BOARD (2/2) F
TO EMG I/L
BOARD (2/2) E
TO EMG I/L
BOARD (2/2) D
TO EMG I/L
BOARD (2/2) C
TO EMG I/L
BOARD (2/2) B
TO EMG I/L
BOARD (2/2) I
TO EMG I/L
BOARD (2/2) H
TO EMG I/L
BOARD (2/2) G
FR
O
M EM
G
I
/L
BO
ARD
(
2
/
2
)
J
G
24
V
G
24
V
+
2
4V
HANDY CONSOLE
CONTROL BOARD
(Refer:CDF-10702)
1
2
1
2
1
2
1
2
J1 CR3 CR2CR5CR6J2
HCC-2
HCC-9
CN5
CN12
CN6 EL-6
CN7 EL-7
CN8 EL-8
(1/2)
CN9 EL-9
(1/2)
CN10 EL-10
(1/2)
CN11 EL-11
(1/2)
1
2
1
2
1
2
1
2
1
2
1
2
CR6
CR7
CR8
CR9
CR10
CR11
SERVO I/F UNIT (1/2)
EX-13
SI-2
DV-EMG2
CC-3
1
2
3
1
2
3
1
2
1
2
SY-EX BOARD(Refer:CDF-10501)
SY-IF2 BOARD (Refer:CDF-10502)
WATCH DOG
SERVO
ALARM
DRIVER UNIT (1/2)(Refer:CDF-10204)
CONVEYOR CONTROL BOARD
(Refer:CDF-10402)
C
R3
8
LED
1
EL-
8
C
N8
(
2
/
2
)
CN9 EL-9
(2/2)
CN10 EL-10
(2/2)
CN11 EL-11
(2/2)
3
4
3
4
3
4
3
4
3
4
3
4
3
4
3
4
3
4
C
N1
2
(
2
/
2
)
CN15
(2/2)
CN14
(2/2)
(
2
/
2
)
C
R3
9
LED
2
S
ERV
O
I
/
F UNIT
(
2
/
2
)
S
Y-EX B
O
ARD
(
Re
f
er:
C
DF-10501
)
DRIVER UNIT (2/2)(Refer:CDF-10204)
()(
CO
NVEY
O
R
CO
NTR
O
L B
O
AR
D
(
Re
f
er:
C
DF-10402
)
1
2
3
1
2
3
4
1
2
3
4
EX-
11
DV-EM
G1
DV-EM
G2
CC
-
3
+
2
4
V
+
2
4
V
+2
4
V
+
2
4V
+
2
4
V
G
24
V
G
24
V
MC
1
C
R
1
EMER
G
EN
CY
S
T
OP
FRONT DOOR SW
30
1
2
3
DS-F
1
2
3
4
30DS
1
2
3
30A
1
2
3
FRONT CART CHANGE
DOOR SW
REAR DOOR SW
31
1
2
3
DS-R
1
2
3
4
31DS
1
2
3
31A
1
2
3
REAR CART CHANGE
DOOR SW
(For CE)
G24V
DV-EMG1 EL-13
DRIVER UNIT
(Refer:CDF-10204)
1
2
PC-ALM
ALM
EL-21
PC UNIT
1
2
3
CN37EL-37
A 1-791-304
REF CABLE PARTS NO.
B 1-791-303
C 1-791-306
D 1-791-305
E 1-792-031
F 1-791-310
G 1-791-309
H 1-793-518
J 1-829-455
K 1-792-154
L 1-792-156
M 1-792-155
Q
1-791-313
R
1-791-314
S
1-791-315
T
1-791-316
U
1-792-744
V
1-792-743
W
1-792-745
X
1-791-317
Y
1-791-318
Z
1-792-747
AA
1-792-746
AB
1-792-748
P
AD
1-791-320
AE
1-793-519
AF
1-829-491
AG
1-791-321
1-824-726
1-791-322
1-791-430
1-791-311
1-791-312
1-791-301
- -
AC
AH
AK
AL
AM
AJ
1-791-319
N
B
D
E
G
A
C
H
F
RS T
W
U
Z
XY
J
H
K
M
N
L
L
P
QR
VW
AA
AD
AB
AC
AC
AC
AC
AEAFAG
AG
AH
AJ
AK
J
AL
AM
AK
J
AL
AM
C
R
8
C
R
9
C
R1
3
D
82
D
83
D
84
G
24
V
LED4

EMG I/L Board Peripheral Circuit
CDF-10401-01
EMG I/L Board Peripheral Circuit
SHEET
2/2
CC-1CN1
IN+
IN
-
I/O UNIT
EMG I/L BOARD (2/2)
DRIVER UNIT
(Refer:CDF-10204)
DV-7
2
1
2
FR
O
M EM
G
I
/L
BO
ARD
(
1
/
2
)
A
FROM EMG I/L
BOARD (1/2) C
FR
O
M EM
G
I
/L
BO
ARD
(
1
/
2
)
B
FROM EMG I/L
BOARD (1/2) D
FROM EMG I/L
BOARD (1/2) E
FROM EMG I/L
BOARD (1/2) F
FR
O
M EM
G
I
/L
B
O
ARD
(
1
/
2
)
G
()
FR
O
M EM
G
I
/L
B
O
ARD
(
1
/
2
)
H
(S
ERIAL DI
O
IN
)
+
2
4
V
+
2
4V
G
24
V
C
R1
7
C
R1
8
C
R1
9
C
R2
0
C
R2
1
C
R2
2
C
R2
3
C
R2
4
PC-UNIT
SD IOM-ISA BOARD
1
2
1
2
CONVEYOR CONTROL
BOARD (Refer:CDF-10402)
1
2
1
2
EL-33 CN33
EL-34 CN34
1
2
3
2
3
1
2
C
N2
5
C
N2
6
C
N2
7
+
2
4
V
G
24
V
FR
O
M EM
G
I
/L
B
O
ARD
(
1
/
2
)
I
+
2
4
V
G
24
V
+
2
4
V
R
1
R
2
R
3
R4
PH5
PH
6
PH7
PH
8
G
24
V
G
24V
3
7
8
6
EL-
29
EL-30
0
C
N29
(
1
/
2
)
C
N30
(
1
/
2
)
RIGHT
MACHINE
INTERNAL
CIRCUIT
LEFT
MACHINE
INTERNAL
CIRCUIT
R-I/F
(1/2)
L-I/F
(1/2)
R-I/FN
(1/2)
L-I/FN
(1/2)
3
4
3
4
1
2
1
2
3
4
1
2
1
2
1
2
3
4
3
4
PWB FLOW DIRECTION
LEFT TO RIGHT
T
O
EM
G
I
/L
BO
ARD
(
1
/
2
)
J
C
R2
6
C
R2
7
C
R3
0
C
R2
9
C
R2
8
R5
R
6
R7
R
8
G
24
V
G24V
C
R3
1
C
R3
2
C
R3
5
C
R3
4
C
R3
3
C
R3
7
C
R3
6
+24V
G24V
+24V
G24V
+24V
G24V
+24V
G24V
+24V
G24V
CR31
CR34
CR35
CR36
CR37
CN35
CN36
CN37
CN38
CN39
(NC)
(NC)
(NC)
(NC)
1
2
3
4
1
2
3
4
1
2
3
4
1
2
3
4
1
2
3
4
+
2
4
V
C
R2
7
C
R2
8
C
R2
7
C
R3
0
CR3
0
C
R2
9
C
R2
8
C
R2
9
PH
1
PH
2
PH3
PH4
1
5
6
7
8
1
2
3
4
C
N3
1
C
N3
2
C
N2
9
(
2
/
2
)
CN30
(2/2)
EL-29
EL-30
PAT
O
+
2
4
V
S
I
G
NAL T
O
WE
R
BUZZER
(O
PTI
O
N
)
+
-
BZ
1
2
5
6
3
4
7
8
RI
G
H
T
MA
C
HIN
E
INTERNAL
C
IR
C
UI
T
LEFT
MACHINE
INTERNAL
CIRCUIT
R-I
/F
(
2
/
2
)
1
2
3
4
PWB FLOW DIRECTION
LEFT TO RIGHT
RI
G
H
T
MA
C
HINE
INTERNAL
C
IR
C
UI
T
LEFT
MA
C
HIN
E
INTERNAL
C
IR
C
UI
T
1
2
3
4
1
2
1
2
1
2
3
4
3
4
3
4
L-I
/F
(
2
/
2
)
R-I
/F
(
2
/
2
)
L-I/FN
(2/2)
R-I/FN
(2/2)
L-I/FN
(1/2)
L-I/F
(1/2)
R-I/F
(1/2)
R-I/FN
(1/2)
RIGHT
MACHINE
INTERNAL
CIRCUIT
LEFT
MACHINE
INTERNAL
CIRCUIT
1
2
3
STA-IL
(OPTION)
EL-
25
TB
1
TX
(NC)
A 1-829-447
REF CABLE PARTS NO.
B 1-791-397
C 1- -
D 1-792-653
E 1-792-654
F 1-794-423
G 1-791-323
H 1-791-324
J 1-791-325
K 1-791-326
L 1-791-327
M 1-791-328
1-791-329
N
A
B
C
D
F
F
G
K
H
L
E
JH
ML
N
G
K
H
L
J
H
M
L

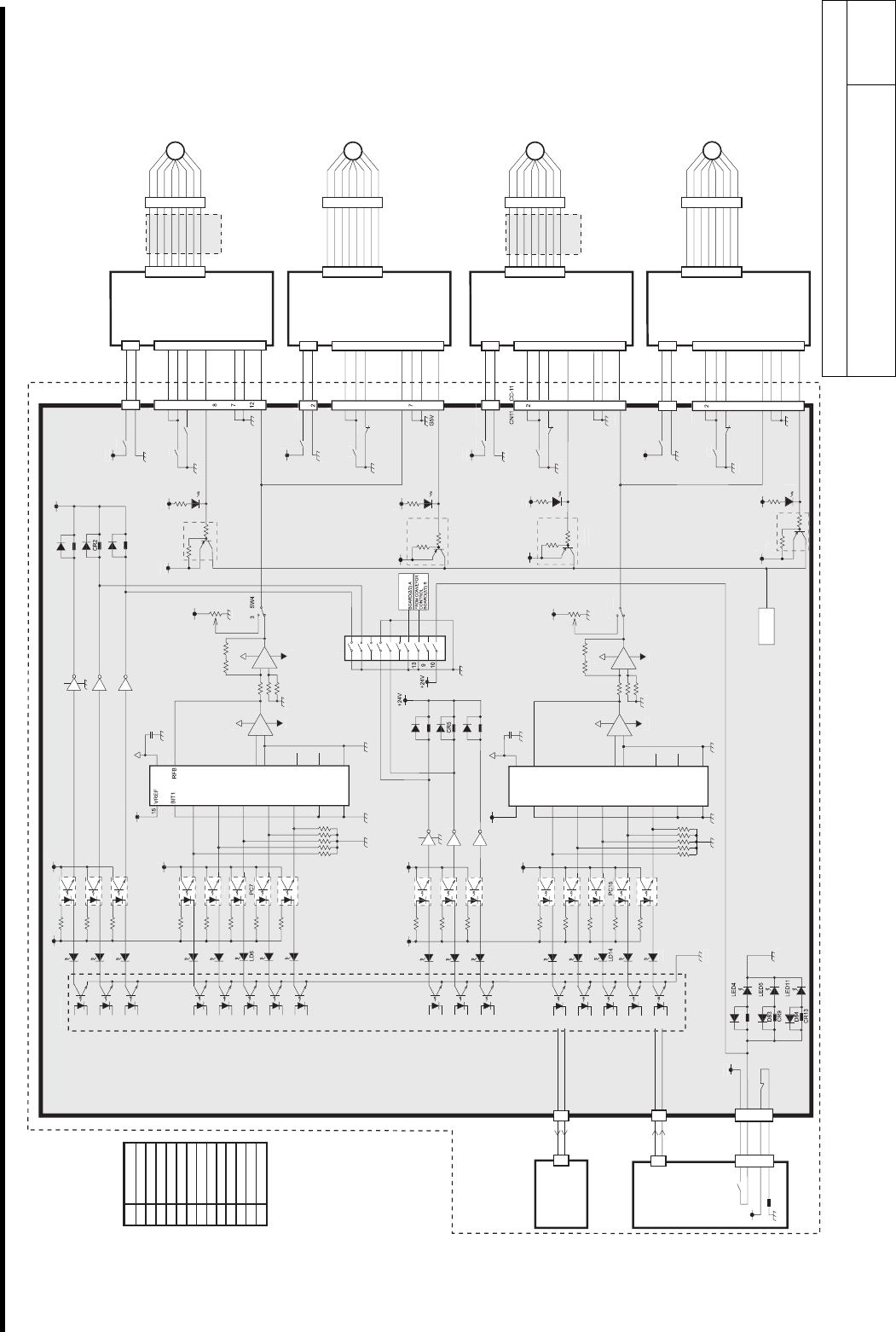
Conveyor Control Board Peripheral Circuit
CDF-10402-01
Conveyor Control Board Peripheral
Circuit
SHEET
1/2
LD
3
LD2
LD1
LD4
LD
5
CONVEYOR CONTROL BOARD
(
1/2
)
I/O UNIT
7
11
10
9
2
1
12
6
3
4
8
5
1
2
1
2
G5
V
G5V
Q1
DTA12
4
+24V +
5V
+24V +
5V
Q4
DTA
12
4
LED
9
LED
8
LED7
G
12
V
G5V
G5V
EMG I/L BOARD
(Refer:CDF-10401)
CN11 EL-11
CR38
+24V
G24V
CR11
1
2
1
2
CN34 EL-34
CC-3 CN3
CR7
1
2
CC-1 CN1
LED CONTROL BOARD
(Refer:CDF-10403)
1
2
CN1 LC-1 CC-2 CN2
P
C4
P
C5
P
C6
+
5V
+12
V
+
5V
+
24V
+
5V
P
C3
P
C2
P
C1
LD
7
LD
8
P
C8
G
24V
2
0
1
9
3
4
5
6
1
4
1
2
1
8
1
7
1
6
1
5
7
8
1
2
11
FR
O
M
CO
NVEY
OR
CONTROL
Q3
DTA
12
4
Q2
DTA124
T
O
CO
NVEY
OR
CO
NTR
O
L
B
OARD
(
2/2
)
C
1
2
3
4
5
6
9
1
0
11
CONVEYOR
CONTROL
MOTOR 1
GRY(U)
RED(V)
ORE(W)
PW
GND
U
V
W
1
2
3
4
5
6
7
8
CN3 CV1-3 CV1
CABLE
CONDUIT
CONVEYOR MOTOR
DRIVER 1
1
2
3
4
5
6
7
8
+24V
G24V
ALARM RESET
START/STOP
RUN/BREAKE
CW/CCW
S-OUT
ALARM
NC
VRH
GND
VRL
EXT/INT
VRM
CV1-1 CN1
CV1-2 CN2
1
2
CONVEYOR
CONTROL
MOTOR 2
GRY(U)
RED(V)
ORE(W)
PW
GND
U
V
W
1
2
3
4
5
6
7
8
CN3 CV2-3 CV2
CONVEYOR MOTOR
DRIVER 2
1
2
3
4
5
6
7
8
+24V
G24V
ALARM RESET
START/STOP
RUN/BREAKE
CW/CCW
S-OUT
NC
VRH
VRM
GND
VRL
EXT/INT
ALARM
CV2-1 CN1
CV2-2 CN2
7
11
10
9
2
1
12
6
3
4
8
5
1
2
CONVEYOR
CONTROL
MOTOR 3
GRY(U)
RED(V)
ORE(W)
PW
GND
U
V
W
1
2
3
4
5
6
7
8
CN3 CV3-3 CV3
CABLE
CONDUIT
CONVEYOR MOTOR
DRIVER 3
1
2
3
4
5
6
7
8
+24V
G24V
ALARM RESET
START/STOP
RUN/BREAKE
CW/CCW
S-OUT
ALARM
NC
VRH
GND
VRL
EXT/INT
VRM
CV3-1 CN1
CV3-2 CN2
7
11
10
9
2
6
12
5
3
4
8
1
1
2
CONVEYOR
CONTROL
MOTOR 4
GRY(U)
RED(V)
ORE(W)
PW
GND
U
V
W
1
2
3
4
5
6
7
8
CN3 CV4-3 CV4
CONVEYOR MOTOR
DRIVER 4
1
2
3
4
5
6
7
8
+24V
G24V
ALARM RESET
START/STOP
RUN/BREAKE
CW/CCW
S-OUT
VRH
NC
VRM
GND
VRL
EXT/INT
ALARM
CV4-1 CN1
CV4-2 CN2
CN6 CC-6
CC
-
7
C
N7
+
24V
G
24
V
C
R
8
C
R
1
C
R
2
G5V
CC
-
8
C
N
8
CC
-
9
C
N
9
+
24V
G
24
V
C
R
8
C
R
1
C
R
2
1
1
2
3
4
5
8
9
1
1
1
0
6
7
11
10
9
2
12
6
5
3
4
8
1
1
2
1
3
4
5
6
8
9
7
1
0
12
11
G5V
G5V
CC
-1
0
C
N1
0
+2
4V
G
24V
C
R
9
C
R
4
C
R
5
1
3
4
5
8
9
11
7
1
0
12
6
1
2
+2
4V
G5V
G5V
CN12 CC-12
CC
-1
3
C
N1
3
+24V
G
24
V
CR9
C
R
4
C
R
5
+
5V
1
+5V
G5V
+12V
-
12V
-
+
+12
V
-
12V
-
+
G
12
V
V
S
OU
T
1
OU
T
2
N
C
N
C
G
N
D
BIT2
B
IT
3
BIT4
B
IT
5
B
IT
6
BIT7
B
IT
8
U1
AD7
5
2
3
14
1
2
1
6
12
1
3
3
4
5
6
7
8
9
1
0
1
1
S
ERIAL DI
O
U
1
0
+2
4V
+2
4V
C
R
1
C
R
3
D
87
D
85
D
86
+2
4V
+24V
G
24
V
U5C
U5B
U5A
S
W
3
LD
9
LD1
0
LD
1
1
LD1
2
LD
13
G12VG5V
G5V
P
C
1
2
P
C
1
3
P
C
1
4
+5V +
12V
+
5V
+2
4V
+
5
V
P
C9
P
C
1
0
P
C
1
1
LD1
5
LD1
6
P
C
1
6
S
W
5
3
1
+
5V
G5V
+12
V
-
12V
-
+
+12
V
-
12V
-
+
G
12
V
V
S
RFB
OU
T
1
OU
T
2
N
C
N
C
GND
VREF
BIT1
BIT2
BIT3
BIT4
BIT5
BIT6
BIT7
BIT8
U6
AD7523
14
1
2
1
6
12
13
3
15
4
5
6
7
8
9
10
11
+
24V
G
24V
U5D
U5E
U5
F
C
R
4
CR
6
D90
D88
D89
C
R
8
D
8
2
G
24
V
G
24
V
+
5V
LED
6
M
M
M
M
3
4
1
2
3
4
1
2
A
B
C
A 1- -
REF CABLE PARTS NO.
B 1- -
C 1- -
D 1-824-711-1
E 1-829-556-1
F 1-829-497-1
G 1-824-711-2
H 1-829-557-1
J 1-824-715-1
K 1-824-715-2
L 1-829-556-2
M 1-829-498-1
1-824-716-1
N
G
L
M
N
H
K
G
E
J
D
E
F