NXT2系统手册.pdf - 第162页
4. 生产 QD142-14 142 NXT II 系统手册 使用电路板停止位置补正功能时的异常 说明在使用电路板停止位置补正 功能时所发生的异常及其对策。 电路板轮廓的测出失败时 操作画面上显示异常向导。 a. 请按下 OK 按钮,拉出模组。 b. 请擦去附着在对象通道的低反射板上的污 垢,然后插入模组。 另外,当按下 MON ITOR 按钮后,就 能够确认影像的状态。 比较电路板与背景 (低反射板) , 如果有对比度小的部分时,请按…

QD142-14 4. 生产
NXT II 系统手册 141
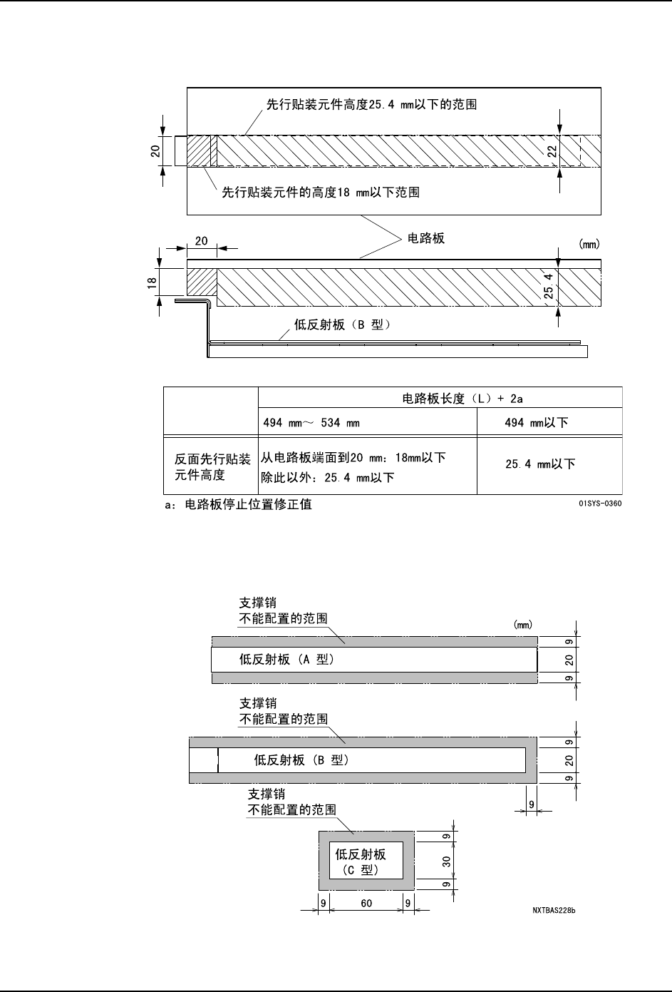
先行贴装的元件的高度限制 (仅限于 B 型)
在设置了 A 型的低反射板的位置后,先行贴装的元件的高度受到限制。请参考下图。
使用低反射板时不能配置支撑销的范围
安装了低反射板后,在低反射板的周围不能够配置支撑销。能够安装低反射板的范围如下。

4. 生产 QD142-14
142 NXT II 系统手册
使用电路板停止位置补正功能时的异常
说明在使用电路板停止位置补正功能时所发生的异常及其对策。
电路板轮廓的测出失败时
操作画面上显示异常向导。
a. 请按下 OK 按钮,拉出模组。
b. 请擦去附着在对象通道的低反射板上的污垢,然后插入模组。
另外,当按下 MONITOR 按钮后,就能够确认影像的状态。比较电路板与背景 (低反射板),
如果有对比度小的部分时,请按照以下变更 Job 的设定。
a. 取入对比度大的部分。
b. 将取入范围变小。

QD142-14 4. 生产
NXT II 系统手册 143
停止位置的补正不完善时
即使进行了 2 次补正动作,但是停止后的电路板的轮廓超出设定值的 ±0.5mm 时,显示错误
画面和 Seek Number 8E56。请进行以下的对策。
Yes
Yes
Yes
Yes
No
No
No
No