AIM機械手冊.pdf - 第180页
7. 消耗品的更换 QD053-07 164 AIM 机械手册 6. 结 束校正后,按下 CY CLE 按键,返回到模 组处于等待 STAR T 状态 (贴装工作头 处于通电 状态) 。 7. 使用手动模式的贴装工作头退让指令,将贴装工作头 移动到机器前方的中央 (为了安全 请 参 考[ A I M系 统 手 册]的[手 动 模 式 的 指 令 ]章 后 进 行 操 作 ) 。 a. 按 下 MANUAL 按键,显示出 手动指令。 b.…

QD053-07 7. 消耗品的更换
AIM 机械手册 163
7.4 贴装工作头电池的更换
7.4.1 电池的种类
7.4.2 更换时期
电池报警时(操作画面上显示 SeeK Number:3A21( 电力降低 ) 或者 3A1F(备份数据消失))
7.4.3 更换方法
更换电池的操作,需要在贴装工作头通上电流的状态下进行。
更换电池的操作在贴装工作头的左侧进行。在 AIM 上并列搭载了 2 台工作头,可以仅仅对 H1
位置 ( 左侧 ) 搭载的工作头进行操作。H2 位置 ( 右侧 ) 有的要进行更换工作头的电池的时
候,请将左右的工作头互换安装,平时始终在 H1 位置 ( 左侧 ) 进行操作。以下表示在 H1 位
置 ( 左侧 ) 的工作头的电池的更换方法。
以下表示在 H1 位置 ( 左侧 ) 的工作头的电池的更换方法。
1. 使用手动模式的更换贴装工作头指令,将贴装工作头从模组上拆下来,(请参考 " 5.3 贴
装工作头的拆除 / 安装 ")
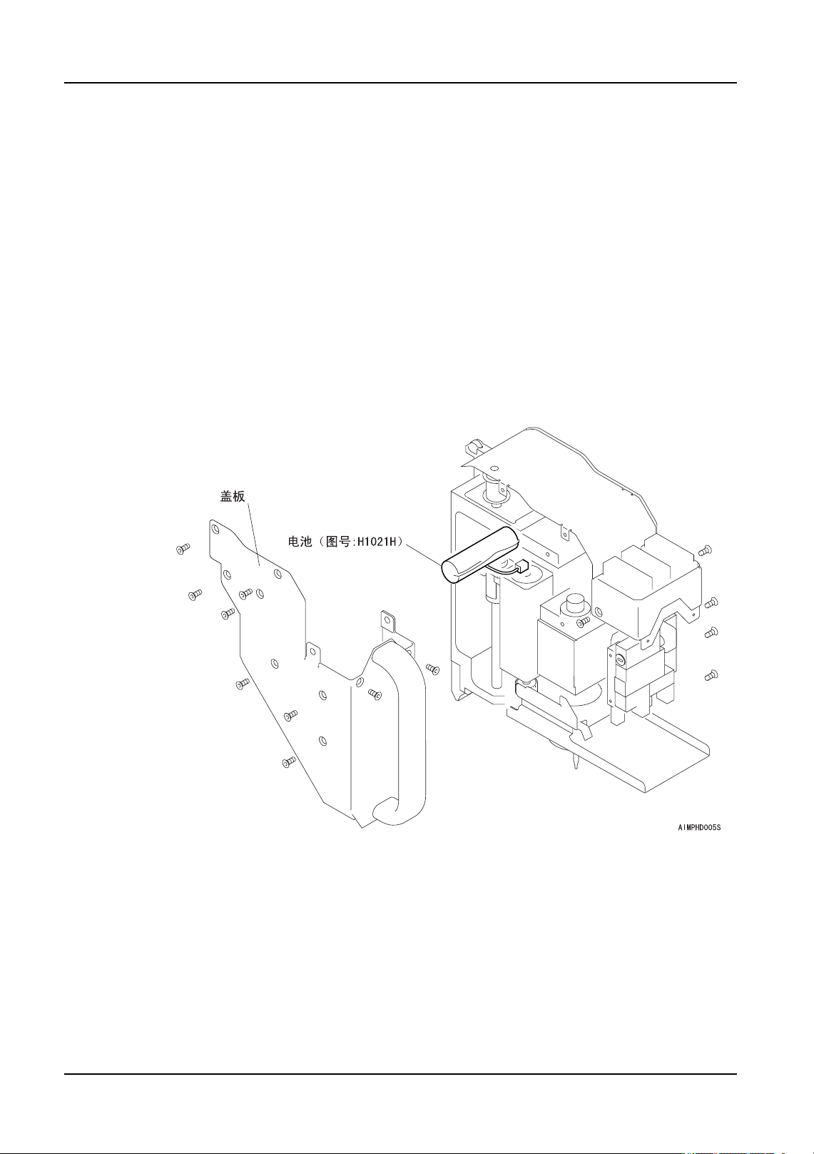
2. 拆下贴装工作头的电池盖板 (参考下图),在此,请不要拆除电池。
3. 拆除盖板并将贴装工作头重新安装在机器上 (请参考 " 5.3 贴装工作头的拆除 / 安装
")。并将导线插座 (3 个)连接到贴装工作头上。
4. 按下 CANCEL 按键后按下 MANUAL 按键。使模组处于等待 START 状态。
5. 按下 START 按键。模组开始自动校正。
图号 H1021H
名称 电池
型号 ER6VLY
使用寿命 无运转:10 年,1 日 12 小时运转:20 年
显示报警 内容
Seek Number: 3A21 电池余量降低
(按照本项记载的要领尽早地更换电池)
Seek Number: 3A1F 电池备份数据消失
(在更换电池的同时,需要进行伺服马达的重新设定。请
与弊公司的代理店联络。)
注意
·请不要使用指定以外的电池。
·更换电池请在贴装工作头接通电源的状态下进行。没有接通电源的状态下拆下电池
时,有必要重新设定马达的原点。
·使用完的电池请根据进行处理的地区的规定进行处理。

7. 消耗品的更换 QD053-07
164 AIM 机械手册
6. 结束校正后,按下 CYCLE 按键,返回到模组处于等待 START 状态 (贴装工作头处于通电
状态)。
7. 使用手动模式的贴装工作头退让指令,将贴装工作头移动到机器前方的中央 (为了安全
请参考[AIM系统手册]的[手动模式的指令]章后进行操作)。
a. 按下 MANUAL 按键,显示出手动指令。
b. 用箭头键选择工作头退让指令,按下 OK 按键。
c. 用箭头键选择工作头退让位置 (机器前方中央),按下 START 按键。
8. 从模组 XY 机械手上的贴装工作头 (左侧)拆除旧的电池的导线的接插头后拆除电池本
体。将新的电池安装到贴装工作头上,连接导线的接插头 (参考下图)。
9. 按下 CANCEL 按键后按下 MANUAL 按键。使模组处于等待 START 状态。
10.请按照 1. 项的要领拆除贴装工作头,安装盖板。
〈H01 吸嘴工作头〉

QD053-07 7. 消耗品的更换
AIM 机械手册 165
〈H04 吸嘴工作头〉
〈H08 吸嘴工作头〉