AIM機械手冊.pdf - 第213页
QD053-07 7. 消耗品的更换 AIM 机械手册 197 5. 将排气阀安装在气缸上。 a. 在气缸上放置排气阀。将吸气阀备份以及 排气阀压板重叠。 b. 一边确认排气阀不要碰到气缸的凹槽内侧 周围,一边将排气阀压板用小螺丝 (M3 × L5)拧紧。 6. 将汽缸与标记对准后插入到盖垫部分。 7. 更换盖垫的密封垫。 a. 从工作头盖罩上拆下旧的密封垫。 b. 将工作头盖罩用工业用酒精洗干净,再用 电吹风吹干。 c. 将新的密封垫…

7. 消耗品的更换 QD053-07
196 AIM 机械手册
真空泵的组装
1. 使法兰部向下将新的盖垫安装在连杆上。
2. 从压板的背后插入新的吸气干扰防止橡胶。
3. 对准压板的标记,用 4 根小平头螺丝 (M5 × L12)拧紧。
4. 将吸气阀安装在气缸上。
a. 在气缸上放置吸气阀 (2 个)。将吸气阀备份以及吸气阀压板重叠。
b. 一边确认吸气阀不要碰到气缸的凹槽内侧周围,一边将吸气阀压板用小螺丝 (M3 ×
L5)拧紧。
备注 )吸气阀压板有安装方向。尽量使其从孔中心到侧面为止的尺寸短的方向与吸气阀的 R
侧相一致。将吸气阀压板的上侧安装在表面。

QD053-07 7. 消耗品的更换
AIM 机械手册 197
5. 将排气阀安装在气缸上。
a. 在气缸上放置排气阀。将吸气阀备份以及排气阀压板重叠。
b. 一边确认排气阀不要碰到气缸的凹槽内侧周围,一边将排气阀压板用小螺丝 (M3 ×
L5)拧紧。
6. 将汽缸与标记对准后插入到盖垫部分。
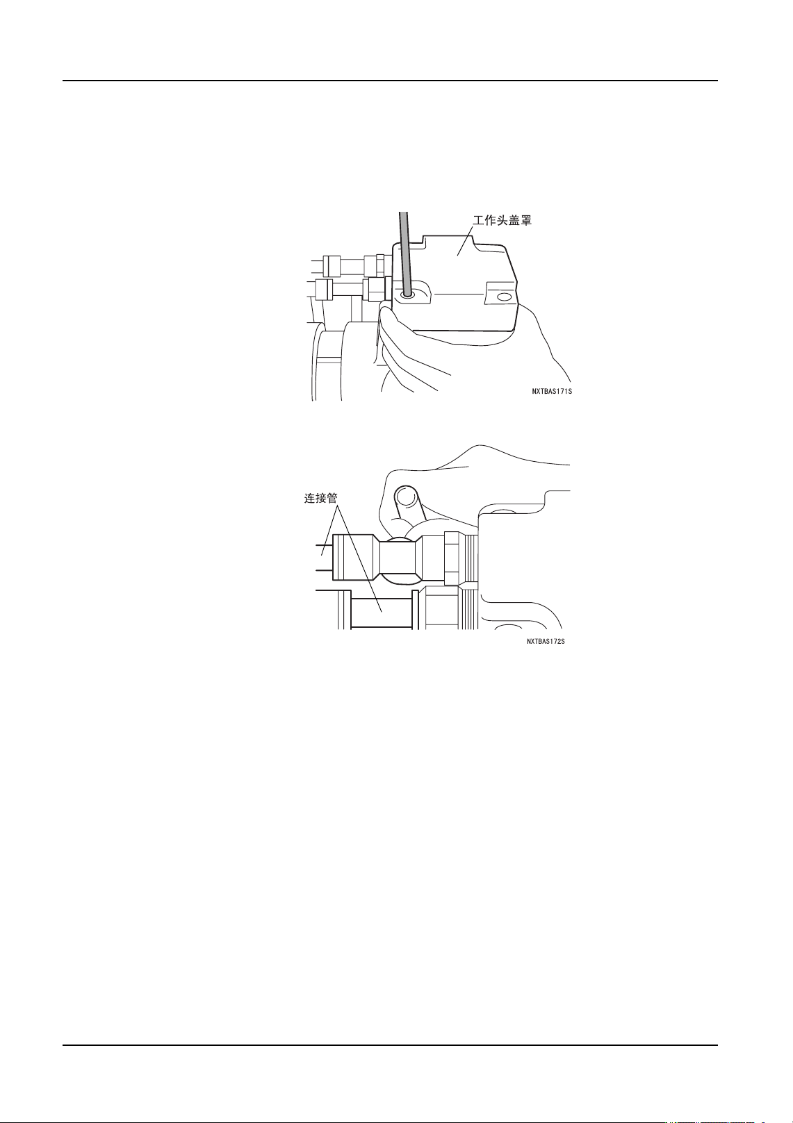
7. 更换盖垫的密封垫。
a. 从工作头盖罩上拆下旧的密封垫。
b. 将工作头盖罩用工业用酒精洗干净,再用电吹风吹干。
c. 将新的密封垫安装在工作头盖罩上。

7. 消耗品的更换 QD053-07
198 AIM 机械手册
8. 将工作头盖罩安装在外壳上。
a. 将工作头盖罩的接头插入到管内,把外壳的螺丝孔与工作头盖罩的孔对齐。
b. 将 4 根内六角螺栓 (M6 × L30)用紧固转矩 8N·m 拧紧。
(更换连接管时,请切成与泵相同的长度进行更换。)
9. 插入连接管。(更换时,请切成与泵相同的长度进行更换。)
10.将泵横放,安装手柄和平板。